информация по габаритам калибра Ginault 7275 и габаритам аналогов (ЕТА 2824-2, Hangzhou 6300):
популярный на этом форуме ресурс Getat.ru, сообщает следующее:
Цитата:
|
Caliber 7275. От ЕТА он отличается только более длинным приводным трибом (то есть «трубка», на которую крепятся стрелки)
|
(с)
https://getat.ru/ginault-ocean-rover/
на фото ниже указаны габариты калибра Ginault 7275 с датой. диаметр 26 мм, высота 4,65 мм (не ясно, с учётом подшипника или без):
калибр ЕТА 2824-2, согласно
http://www.ranfft.de/cgi-bin/bidfun-...swk&ETA_2824_2 , имеет: диаметр 26 мм, высота 4,6 мм. (с подшипником 4,7 мм.)
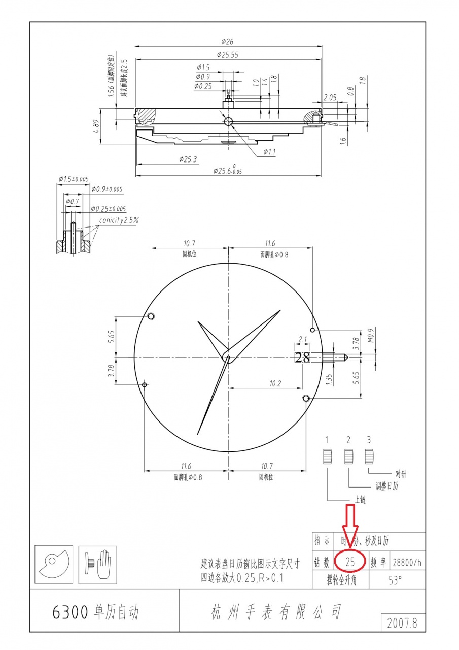
калибр Hangzhou 6300 имеет: диаметр 26 мм, высота с подшипником 4,89 мм:
итак:
Ginault 7275. диаметр 26 мм, высота 4,65 мм (не ясно, с учётом подшипника или без);
ЕТА 2824-2. диаметр 26 мм, высота 4,6 мм. (с подшипником 4,7 мм.);
Hangzhou 6300. диаметр 26 мм, высота с подшипником 4,89 мм.
__________________
Цитата:
Сообщение от arzt
Нет такой компании Navarox.
<...>
Есть компания Nivarox-FAR S.A.
|
рафинированный формализм.
Цитата:
Сообщение от olegpan
А кто-то разве их проверял? Пока что видел только отзывы владельцев по типу "ходят +2 секунды в сутки".
Так у меня так и Восток ходит - после долгой регулировки и при стабильном стиле ношения. Иногда 
Интересна была бы и стандартная проверка на приборе в нескольких положениях - и замеры при носке в разное время суток - для понимания, насколько точность стабильна.
|
рекомендую прочесть заглавное сообщение в теме.