Место производства калибра Ginault 7275 - Страница 10 - Часовой форум Watch.ru
 
Вернуться назад   Часовой форум Watch.ru > Все о часах и про часы > О часовых механизмах
Регистрация | Забыли пароль?

О часовых механизмах

Обсуждение часовых механизмов.
Ответ
 
Опции темы
  #91  
Старый 26.11.2018, 16:34
Аватар для Андрей Бабанин
Андрей Бабанин Андрей Бабанин вне форума  
Moderator
 
Регистрация: 20.02.2005
Адрес: Москва
Сообщений: 11,468
Сказал(а) спасибо: 4,476
Поблагодарили 34,967 раз(а) в 7,176 сообщениях
Налицо небрежность в написании либо умышленное введение в заблуждение. Информация не несёт смысла ввиду двоякости.
Ответить с цитированием
Эти 4 пользователей сказали Спасибо! Андрей Бабанин за это сообщение:
Javier (26.11.2018), LauraBr (26.11.2018), Riezen (26.11.2018), Vovarez (26.11.2018)
  #92  
Старый 26.11.2018, 23:05
LauraBr LauraBr вне форума  
Форумчанин
 
Регистрация: 04.05.2016
Адрес: Вильнюс
Сообщений: 1,285
Сказал(а) спасибо: 2,094
Поблагодарили 1,476 раз(а) в 594 сообщениях
Потому и не участвую в обсуждении, потому что обсуждать рекламные лозунги - бессмысленно. Фактической информации они не несут, всё можно интерпретировать в любую сторону - это просто вода. Тут не о чем спорить, поскольку фактов для обсуждения не предоставлено. Есть только несколько фотографий. На них виден обработанный/доработанный Hangzhou 6300. А чтобы спорить он это или нет - нет оснований.
Ответить с цитированием
Эти 3 пользователей сказали Спасибо! LauraBr за это сообщение:
BobbyS (26.11.2018), fedornagan (27.11.2018), Riezen (26.11.2018)
  #93  
Старый 26.11.2018, 23:43
Dé Boucher Dé Boucher вне форума  
Временно заблокирован | Temporarily blocked
 
Регистрация: 05.03.2008
Адрес: De La Ville Cul-de-Sac
Сообщений: 8,388
Сказал(а) спасибо: 6,522
Поблагодарили 21,586 раз(а) в 9,295 сообщениях
На такой машинке из Гонконга произведен, только синие винты вкручены.

https://www.ebay.com/itm/Clone-2836-...-8x3:rk:7:pf:0
Ответить с цитированием
  #94  
Старый 26.11.2018, 23:46
Javier Javier вне форума  
Форумчанин
 
Регистрация: 20.11.2014
Адрес: Moscow, RU
Сообщений: 3,354
Сказал(а) спасибо: 1,974
Поблагодарили 2,409 раз(а) в 1,421 сообщениях
Похоже, но не оно. Вообще на WUS, кажется, есть человек из Hangzhou, можно спросить их ли это творчество.
Ответить с цитированием
Этот пользователь сказал Спасибо! Javier за это сообщение:
Dé Boucher (26.11.2018)
  #95  
Старый 27.11.2018, 00:07
Аватар для Андрей Бабанин
Андрей Бабанин Андрей Бабанин вне форума  
Moderator
 
Регистрация: 20.02.2005
Адрес: Москва
Сообщений: 11,468
Сказал(а) спасибо: 4,476
Поблагодарили 34,967 раз(а) в 7,176 сообщениях
Я, кстати погорячился назвать баланс глюцидуровым (все это издержки просмотра на мобильниках). Это баланс явно не родной Сигал и не в представленном выше клоне. Баланс внешне аналогичен стандартному балансу ЕТА, либо указанному выше калибру 6300. Удивительно, как с таким балансом можно получить хорошие характеристики.
Ответить с цитированием
Эти 2 пользователей сказали Спасибо! Андрей Бабанин за это сообщение:
Faustus (27.11.2018), Javier (27.11.2018)
  #96  
Старый 27.11.2018, 00:28
Dé Boucher Dé Boucher вне форума  
Временно заблокирован | Temporarily blocked
 
Регистрация: 05.03.2008
Адрес: De La Ville Cul-de-Sac
Сообщений: 8,388
Сказал(а) спасибо: 6,522
Поблагодарили 21,586 раз(а) в 9,295 сообщениях
Цитата:
Сообщение от Javier Посмотреть сообщение
Похоже, но не оно.
Вот оно https://picclick.com/Hangzhou-6460-G...l#&gid=1&pid=2

Сектор перекинуть, синие винты, модуль ГМТ долой... И красивую легенду про...
Ответить с цитированием
  #97  
Старый 27.11.2018, 01:37
olegpan olegpan вне форума  
Форумчанин
 
Регистрация: 29.10.2011
Адрес: Украина, Днепр
Сообщений: 7,009
Сказал(а) спасибо: 2,943
Поблагодарили 11,678 раз(а) в 3,488 сообщениях
Цитата:
Сообщение от Андрей Бабанин Посмотреть сообщение
Удивительно, как с таким балансом можно получить хорошие характеристики.
А кто-то разве их проверял? Пока что видел только отзывы владельцев по типу "ходят +2 секунды в сутки".
Так у меня так и Восток ходит - после долгой регулировки и при стабильном стиле ношения. Иногда

Интересна была бы и стандартная проверка на приборе в нескольких положениях - и замеры при носке в разное время суток - для понимания, насколько точность стабильна.
Ответить с цитированием
Этот пользователь сказал Спасибо! olegpan за это сообщение:
Faustus (27.11.2018)
  #98  
Старый 27.11.2018, 08:47
Аккаунт удален
 
 
Сообщений: нет данных
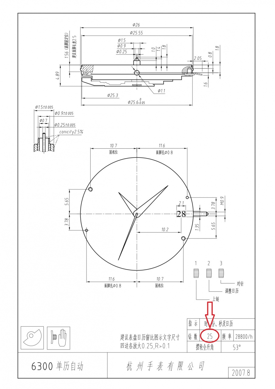
информация по габаритам калибра Ginault 7275 и габаритам аналогов (ЕТА 2824-2, Hangzhou 6300):

популярный на этом форуме ресурс Getat.ru, сообщает следующее:
Цитата:
Caliber 7275. От ЕТА он отличается только более длинным приводным трибом (то есть «трубка», на которую крепятся стрелки)
(с) https://getat.ru/ginault-ocean-rover/

на фото ниже указаны габариты калибра Ginault 7275 с датой. диаметр 26 мм, высота 4,65 мм (не ясно, с учётом подшипника или без):
Нажмите на изображение для увеличения
Название: ginault-ocean-rover.jpg
Просмотров: 199
Размер:	173.3 Кб
ID:	2399242

калибр ЕТА 2824-2, согласно http://www.ranfft.de/cgi-bin/bidfun-...swk&ETA_2824_2 , имеет: диаметр 26 мм, высота 4,6 мм. (с подшипником 4,7 мм.)

калибр Hangzhou 6300 имеет: диаметр 26 мм, высота с подшипником 4,89 мм:
Нажмите на изображение для увеличения
Название: Hangzhou-6300-Automatic-Movement-ETA-2824-2-Clone.jpg
Просмотров: 170
Размер:	178.1 Кб
ID:	2399244

итак:
Ginault 7275. диаметр 26 мм, высота 4,65 мм (не ясно, с учётом подшипника или без);
ЕТА 2824-2. диаметр 26 мм, высота 4,6 мм. (с подшипником 4,7 мм.);
Hangzhou 6300. диаметр 26 мм, высота с подшипником 4,89 мм.


__________________


Цитата:
Сообщение от arzt Посмотреть сообщение
Нет такой компании Navarox.
<...>
Есть компания Nivarox-FAR S.A.
рафинированный формализм.


Цитата:
Сообщение от olegpan Посмотреть сообщение
А кто-то разве их проверял? Пока что видел только отзывы владельцев по типу "ходят +2 секунды в сутки".
Так у меня так и Восток ходит - после долгой регулировки и при стабильном стиле ношения. Иногда
Интересна была бы и стандартная проверка на приборе в нескольких положениях - и замеры при носке в разное время суток - для понимания, насколько точность стабильна.
рекомендую прочесть заглавное сообщение в теме.


Нажмите на изображение для увеличения
Название: Ocean-Rover-181070GSLN-Post-Image-06_zpsotcgl8xh.jpg
Просмотров: 466
Размер:	212.0 Кб
ID:	2399241

Последний раз редактировалось Аккаунт удален; 27.11.2018 в 09:29.
Ответить с цитированием
  #99  
Старый 27.11.2018, 09:09
Аватар для Riezen
Riezen Riezen вне форума  
Форумчанин
 
Регистрация: 23.04.2017
Адрес: Санкт-Петербург
Сообщений: 1,449
Сказал(а) спасибо: 1,196
Поблагодарили 1,809 раз(а) в 675 сообщениях
Цитата:
Сообщение от ARTEM KUZMIN Посмотреть сообщение
популярный на этом форуме ресурс Getat.ru, сообщает следующее:
Всё это - заявления из тех же рекламных проспектов Ginault. Если я не ошибаюсь, автор ресурса, который приводится в ссылке, получил часы в подарок, по моему мнению - в обмен на отзыв. Упомянутый автор вообще не утруждается оповещением своих читателей и подписчиков о заказном характере обзоров. Если мне не изменяет память, далее он их продал на местном маркете за 25 тыс.
Ответить с цитированием
Эти 3 пользователей сказали Спасибо! Riezen за это сообщение:
BobbyS (27.11.2018), Faustus (27.11.2018), Javier (27.11.2018)
  #100  
Старый 27.11.2018, 09:13
Аккаунт удален
 
 
Сообщений: нет данных
Riesen,
к месту производства калибра Ваш пост имеет какое-то отношение?

я призываю участников темы вести дискуссию по существу вопроса.
чем меньше в теме будет пустой породы, тем лучше.

с уважением.

Последний раз редактировалось Аккаунт удален; 27.11.2018 в 09:31.
Ответить с цитированием
Ответ
Метки
ginault


Быстрый переход


Часовой пояс UTC +3, время: 20:51.