Папка для обмена чертежами деталей часов и инструментов - Страница 7 - Часовой форум Watch.ru
 
Вернуться назад   Часовой форум Watch.ru > Ремонт часов, обслуживание часов > Ремонт часов и обслуживание > Советы от часового мастера Душана Грујић
Регистрация | Забыли пароль?

Советы от часового мастера Душана Грујић

О часовых инструментах, о ремонте и не только.
 
 
Опции темы
  #61  
Старый 12.10.2020, 11:00
Аватар для Anth
Anth Anth вне форума  
Moderator
 
Регистрация: 04.11.2012
Адрес: Россия, Самара
Сообщений: 8,381
Сказал(а) спасибо: 2,820
Поблагодарили 30,030 раз(а) в 4,707 сообщениях
кто то спрашивал про размеры пружин, на разные калибры, размещу это здесь, со ссылкой на источник.
Вложения
Тип файла: pdf Mainsprings.pdf (1.06 Мб, 714 просмотров)
Эти 5 пользователей сказали Спасибо! Anth за это сообщение:
AlexSar54 (26.05.2025), Ershov Alexandr (24.11.2020), H M P (27.07.2022), Trops (12.10.2020), Uchenik (27.07.2022)
  #62  
Старый 03.12.2020, 19:30
ssssbb ssssbb вне форума  
Новичок
 
Регистрация: 02.03.2020
Адрес: Kyiv
Сообщений: 30
Сказал(а) спасибо: 30
Поблагодарили 0 раз(а) в 0 сообщениях
Цитата:
Сообщение от dmvt1 Посмотреть сообщение
Собственно, тема не очень корректная. Калибров было море, балансов тоже. Почти все балансы внутри семейств калибров взаимозаменяемы.
1. Победа - взаимозаменяемо все на все. Балансы на 2602 и 2608 с центральной секундной стрелкой одинаковые. Лучше менять вместе с мостом, либо потом регулировать вертикальный зазор. Было две немного отличающихся версий балансов - на обычные и противоударные версии механизмов. Желательно устанавливать баланс от соответствующей версии, т.к. ось противоударного баланса немного длиннее. Но установка стандартной прокладки от ЗИМ или легкая подгибка моста легко позволяет устанавливать противоударные балансы на обычную версию. В обратную сторону совместимости нет.
2. Звезда. Идеально подходят балансы от Ракеты 2609 или той же Победы, но на победовских балансах надо за 120 градусов повернуть волосок на оси.
3. Ракета 2609, 2609А и пр. производные этого семейства. Все балансы одинаковые кроме версии 2609.1 там баланс уникальный - смесь оси от 2609 и обода с волоском от 2609НА.
4. Ракета 2609НА и все ее производные (2623Н, 2628Н, 2614Н, будильники мелкие и пр.) - все совместимо полностью.
5. Слава 2409 и все семейство 2428, 2427, 2414 - совместимость полная внутри семейства
6. Полет 2609Н, 2614Н, 2628Н, 2627Н, 3133 - совместимость полная на всех калибрах с частотой 21600
7. Восток 2209, 2214 - все совместимо. Были винтовые и безвинтовые версии, но отличий нет.
8. Восток 2409, 2414, 2416 и пр. - совместимость полная.
9 Молния 3602 - совместимость полная.
10. Молния ЧК-6, ЧК-28 (капитанский хрон) - совместимость полная по всем заводам. Лучше менять вместе с мостом, т.к. есть отличия по колонке крепления волоска у разных заводов.
11. Молния 3603 противоудраная, совместим с балансом от будильника Заря.
12. Все версии балансов на Полет 2209 и Луч 2209 совместимы между собой. Желательно менять в комплекте с мостами, т.к. были версии с регулировкой выкачки и без.
13. Полет 2415 и 2416 полная взаимозаменяемость.
14. Полет 3017 и Молния 3017 полная взаимозаменяемость.

Уникальные балансы - Полет 2612, Полет 2200 , Восток 2809.
Добрый день.
А в чем уникальность баланса без моста на будильник 2612 ?
  #63  
Старый 03.12.2020, 21:52
Аватар для mishinmaster
mishinmaster mishinmaster вне форума  
Форумчанин
 
Регистрация: 11.08.2009
Адрес: город Днепр
Сообщений: 2,425
Сказал(а) спасибо: 949
Поблагодарили 1,463 раз(а) в 925 сообщениях
Как минимум тем, что у него спираль в обратную сторону закручена.
  #64  
Старый 25.02.2021, 20:01
alart1 alart1 вне форума  
Новичок
 
Регистрация: 03.04.2014
Адрес: Россия
Сообщений: 93
Сказал(а) спасибо: 15
Поблагодарили 6 раз(а) в 2 сообщениях
Добрый день уважаемый Душан, скажите, существует ли информация с размерами осей баланса на часы СССР? Собирал всю информацию, размеры, формы осей баланса не один год, но сломался жесткий диск и вся информация утрачена, очень обидно за проделанную работу. Нужно было хотя бы в облаке сохранить.
  #65  
Старый 25.02.2021, 20:34
Душан Грујић Душан Грујић вне форума  
Форумчанин
Светлая память.. R.I.P.
 
Регистрация: 25.05.2008
Адрес: Белград, Сербия - Sydney, Au
Сообщений: 5,165
Сказал(а) спасибо: 839
Поблагодарили 9,714 раз(а) в 3,311 сообщениях
Цитата:
Сообщение от alart1 Посмотреть сообщение
скажите, существует ли информация с размерами осей баланса на часы СССР?

Добрый день!

Попробуйте почитать эту тему с начала, а если данных недостаточно, спрашивайте.

С уважением, Душан
Этот пользователь сказал Спасибо! Душан Грујић за это сообщение:
alart1 (26.02.2021)
  #66  
Старый 23.04.2022, 13:22
Jmike Jmike вне форума  
Новичок
 
Регистрация: 23.04.2022
Адрес: москва
Сообщений: 3
Сказал(а) спасибо: 3
Поблагодарили 4 раз(а) в 2 сообщениях
Доброго дня и недрожащих рук в работе ))
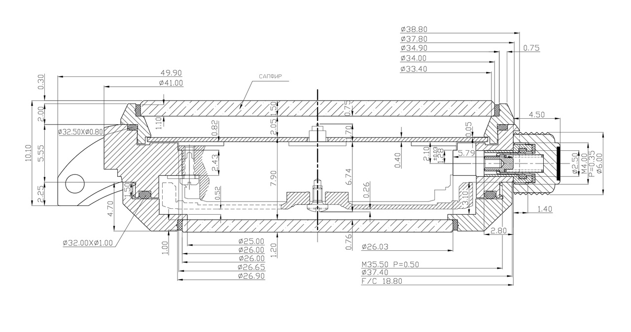
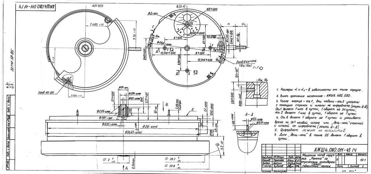
Хотел поинтересоваться , есть ли у кого чертеж платины от механизма ракета 2609 или подобного с теми же часовыми колесами ? Даже более того, нужна только информация о межосевых размерах часовых колес, начиная от баланса.
Ракета "хвалится" что не ограничивает такую информацию, но пока что найти не удалось.
Заранее спасибо
ЗЫ. я бы возможно пошел методом реверс инжиниринга, но циклоидальное зацепление даем мало шансов придти от измерений самих колес к их межосевым размерам. Остается вариант инструментального микроскопа, но пока что столкнулся с нюансами точных измерений при разной настройке оптики
  #67  
Старый 25.04.2022, 22:28
Аватар для Anth
Anth Anth вне форума  
Moderator
 
Регистрация: 04.11.2012
Адрес: Россия, Самара
Сообщений: 8,381
Сказал(а) спасибо: 2,820
Поблагодарили 30,030 раз(а) в 4,707 сообщениях
Цитата:
Сообщение от Jmike Посмотреть сообщение
Доброго дня и недрожащих рук в работе ))
Хотел поинтересоваться , есть ли у кого чертеж платины от механизма ракета 2609 или подобного с теми же часовыми колесами ? Даже более того, нужна только информация о межосевых размерах часовых колес, начиная от баланса.
Ракета "хвалится" что не ограничивает такую информацию, но пока что найти не удалось.
Заранее спасибо
ЗЫ. я бы возможно пошел методом реверс инжиниринга, но циклоидальное зацепление даем мало шансов придти от измерений самих колес к их межосевым размерам. Остается вариант инструментального микроскопа, но пока что столкнулся с нюансами точных измерений при разной настройке оптики
Вряд ли кто то выкладывал рабочую документацию в сеть..
Я искал - не нашёл.
Даже на 2602, на ЧЧЗ не нашли, говорят нет, хотя он давно снят с производства и вроде как не тайна.
Этот пользователь сказал Спасибо! Anth за это сообщение:
Jmike (27.07.2022)
  #68  
Старый 27.07.2022, 04:06
Jmike Jmike вне форума  
Новичок
 
Регистрация: 23.04.2022
Адрес: москва
Сообщений: 3
Сказал(а) спасибо: 3
Поблагодарили 4 раз(а) в 2 сообщениях
благодарю за инфу. Все что добавляет определенности уже двигает ))
мало ли кому пригодится
Миниатюры
Нажмите на изображение для увеличения
Название: 3.jpg
Просмотров: 282
Размер:	164.8 Кб
ID:	3438029   Нажмите на изображение для увеличения
Название: АЖШ8.321.002.jpg
Просмотров: 328
Размер:	274.9 Кб
ID:	3438030   Нажмите на изображение для увеличения
Название: 2.jpg
Просмотров: 268
Размер:	220.3 Кб
ID:	3438031   Нажмите на изображение для увеличения
Название: 011-min.jpg
Просмотров: 267
Размер:	352.0 Кб
ID:	3438032  
Эти 3 пользователей сказали Спасибо! Jmike за это сообщение:
dedal78 (30.07.2022), lodochnik19721 (22.03.2023), Patrik69 (13.02.2023)
 


Быстрый переход

Похожие темы
Тема Автор Раздел Ответов Последнее сообщение
Изготовление инструментов для изготовление деталей для часов Душан Грујић Советы от часового мастера Душана Грујић 178 09.12.2022 20:26
Восстановление деталей часов Душан Грујић Советы от часового мастера Душана Грујић 41 26.06.2020 17:54
Модели мотоциклов из деталей часов!) freeman_lex Полезная информация 7 28.12.2013 19:51
Плохое использование деталей от часов П.Буре sergeinn Старинные часы и карманные часы 4 21.02.2007 18:57


Часовой пояс UTC +3, время: 03:20.