Кварцевый механизм с плавной секундой для настенных часов - Страница 2 - Часовой форум Watch.ru
 
Вернуться назад   Часовой форум Watch.ru > Разные часы > Интерьерные часы
Регистрация | Забыли пароль?

Интерьерные часы

Форум о настольных часах, напольных часах, настенных часах, включая часы с кукушкой.
Ответ
 
Опции темы
  #11  
Старый 20.04.2021, 13:23
diarey diarey вне форума  
Новичок
 
Регистрация: 18.12.2012
Адрес: Россия
Сообщений: 44
Сказал(а) спасибо: 4
Поблагодарили 30 раз(а) в 14 сообщениях
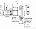
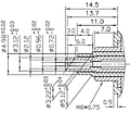
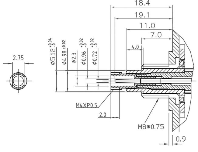
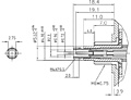
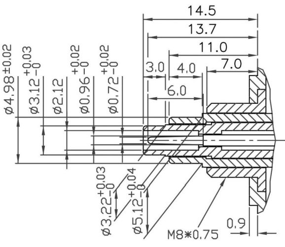
Дополню немного:
Мне знакомы (из того, что в ходу) 3 roundshaft:
1. Так называемый Seiko shaft (3.5/5.5мм) - самый распространенный. Почти все китайцы его используют
2. Другой азиатский roundshaft (3/5мм), который не имеет определенного названия. Его используют, из тех, что мне знакомы, Young Town, JH, Rhythm и Wellgain
3. Еваропейский roundshaft (3,5/5мм) - его можно встретить только в немецких UTS.

Также 2 вида посадок под гайку:
1. Euroshaft - это немецкие Hermle/UTS/Junghans (фабрика UTS)
2. I-shaft - это Seiko и большинство азиатских с высоким крутящим моментом.
Эти 2 посадки очень похожи, но у немцев чуть меньше размеры на минутной и часовой.
Нажмите на изображение для увеличения
Название: round-big.jpg
Просмотров: 35
Размер:	96.3 Кб
ID:	3205856

Нажмите на изображение для увеличения
Название: round small.jpg
Просмотров: 33
Размер:	42.9 Кб
ID:	3205857

Нажмите на изображение для увеличения
Название: euro-round.jpg
Просмотров: 36
Размер:	47.3 Кб
ID:	3205858

Нажмите на изображение для увеличения
Название: euroshaft.jpg
Просмотров: 32
Размер:	40.6 Кб
ID:	3205859

Нажмите на изображение для увеличения
Название: i-shaft.jpg
Просмотров: 33
Размер:	34.6 Кб
ID:	3205860
Ответить с цитированием
Этот пользователь сказал Спасибо! diarey за это сообщение:
Adaequatus (20.04.2021)
  #12  
Старый 22.04.2021, 12:49
CradleChell CradleChell вне форума  
Новичок
 
Регистрация: 18.11.2020
Адрес: Москва Россия
Сообщений: 86
Сказал(а) спасибо: 23
Поблагодарили 129 раз(а) в 24 сообщениях
В итоге все купил, поставил, повесил.
Нажмите на изображение для увеличения
Название: 2021-04-22-2844.jpg
Просмотров: 72
Размер:	354.9 Кб
ID:	3207082
Ответить с цитированием
Эти 2 пользователей сказали Спасибо! CradleChell за это сообщение:
Alex2051 (22.04.2021), Krysin (22.04.2021)
  #13  
Старый 22.04.2021, 13:41
Аватар для Krysin
Krysin Krysin вне форума  
Форумчанин
 
Регистрация: 01.02.2019
Адрес: Киев
Сообщений: 2,783
Сказал(а) спасибо: 2,839
Поблагодарили 3,780 раз(а) в 1,641 сообщениях
Я так понимаю , что фото на цифере это колаж из семейных фото. Отличные , индивидуальные, семейные часы - хорошая идея.
Ответить с цитированием
  #14  
Старый 23.04.2021, 13:04
CradleChell CradleChell вне форума  
Новичок
 
Регистрация: 18.11.2020
Адрес: Москва Россия
Сообщений: 86
Сказал(а) спасибо: 23
Поблагодарили 129 раз(а) в 24 сообщениях
Цитата:
Сообщение от Krysin Посмотреть сообщение
Я так понимаю , что фото на цифере это колаж из семейных фото. Отличные , индивидуальные, семейные часы - хорошая идея.
Да, именно так.
Ответить с цитированием
Ответ


Быстрый переход

Похожие темы
Тема Автор Раздел Ответов Последнее сообщение
Кварцевый механизм для настенных часов Eric1987 О часовых механизмах 4 19.11.2020 11:42
Хороший кварцевый механизм для настенных часов fankenstain Советы по выбору часов 11 12.02.2017 18:19
Необычный кварцевый механизм для настенных часов Cursant Электронные часы 33 04.02.2016 08:38
Выбор кварцевых часов с плавной секундой стрелкой до 30000 рублей John_Hugo Советы по выбору часов 8 20.05.2012 18:08


Часовой пояс UTC +3, время: 01:54.