Луч Кварц - Страница 4 - Часовой форум Watch.ru
 
Вернуться назад   Часовой форум Watch.ru > Российские часы > Другие российские часы
Регистрация | Забыли пароль?

Другие российские часы

Ответ
 
Опции темы
  #31  
Старый 11.07.2011, 07:47
Аватар для Keytujd
Keytujd Keytujd вне форума  
Форумчанин
 
Регистрация: 12.08.2010
Адрес: Казахстан, Караганда
Сообщений: 2,194
Сказал(а) спасибо: 67,555
Поблагодарили 5,335 раз(а) в 1,033 сообщениях
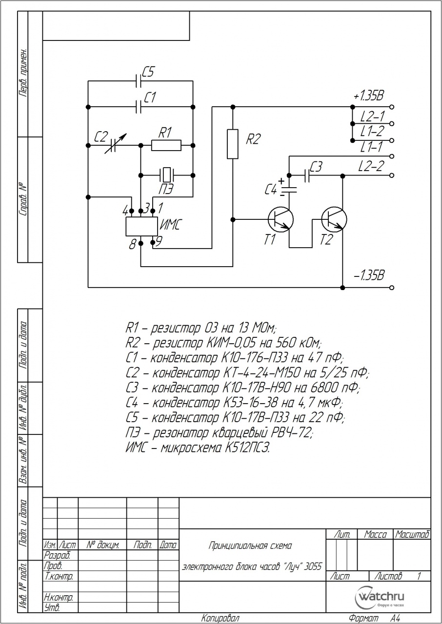
Принципиальная схема электронного блока часов "Луч" 3055
Миниатюры
Нажмите на изображение для увеличения
Название: Чертеж 2.jpg
Просмотров: 727
Размер:	263.9 Кб
ID:	143545  
Ответить с цитированием
Эти 5 пользователей сказали Спасибо! Keytujd за это сообщение:
CHASPROM (16.04.2013), leone (27.07.2016), oldfox (06.08.2015), ruskij (22.11.2021), zenit (11.07.2011)
  #32  
Старый 12.07.2011, 08:51
Аватар для Keytujd
Keytujd Keytujd вне форума  
Форумчанин
 
Регистрация: 12.08.2010
Адрес: Казахстан, Караганда
Сообщений: 2,194
Сказал(а) спасибо: 67,555
Поблагодарили 5,335 раз(а) в 1,033 сообщениях
Заметил некую особенность данного механизма, а именно : часы отрегулировал, не было не какой рассинхронизации, идут точно -5сек в сут. , но как только снял на работе и положил часы вблизи компьютерного монитора то они сразу же начали останавливаться то в новь идти, короче говоря стало все как и было. Как только часы одел на руку, спустя несколько секунд они пошли как не в чем не бывало. Придя домой начал открывать заднею крышку ключом и опять такая же ситуация. Решил проверить намагниченность ключа простым способом приложив к нему металлическую отвертку, которая прилипла тот же миг. Так значит магнитное поле очень сильно влияет на работу данных часов. Когда часы на руке, или лежат в любом положении в дали от магнитных полей (предметов), то не каких остановок или что то иного, не бывает.
Ответить с цитированием
Этот пользователь сказал Спасибо! Keytujd за это сообщение:
zenit (20.07.2011)
  #33  
Старый 20.07.2011, 18:54
Аватар для zenit
zenit zenit вне форума  
Форумчанин
 
Регистрация: 29.07.2010
Адрес: Одесса!!!
Сообщений: 1,272
Сказал(а) спасибо: 3,443
Поблагодарили 1,841 раз(а) в 465 сообщениях
похоже у моего ЛУЧА навернулась схема.Мастер говорит не его вина.Теперь я ищу донора.Может у кого- нибудь есть?
__________________
Горжусь, что родился в СССР! С ув. Святослав. Моя коллекция http://forum.watch.ru/album.php?u=20931
Ответить с цитированием
  #34  
Старый 26.07.2011, 21:42
Аватар для zenit
zenit zenit вне форума  
Форумчанин
 
Регистрация: 29.07.2010
Адрес: Одесса!!!
Сообщений: 1,272
Сказал(а) спасибо: 3,443
Поблагодарили 1,841 раз(а) в 465 сообщениях
нашёл!Всё впорядке!
__________________
Горжусь, что родился в СССР! С ув. Святослав. Моя коллекция http://forum.watch.ru/album.php?u=20931
Ответить с цитированием
  #35  
Старый 13.08.2011, 02:57
Аватар для mchd 24
mchd 24 mchd 24 вне форума  
Новичок
 
Регистрация: 25.05.2011
Адрес: kiew
Сообщений: 7
Сказал(а) спасибо: 36
Поблагодарили 24 раз(а) в 2 сообщениях
Добро всем времени и хороших часов! Из личного опыта-любителям Лучей 3055 и3045(я в этом числе!). 1)Корпусов Луч 3055 я знаю 3, 2 из которых немного отличаются в мелочах, между собой(при одинаковых задних крышках). 2)Мое мнение-родные стекла-цилиндрические, а не округлые. 3)Вариантов плат есть 3, а механизмов 3 или 4.(винт на мосту баланса-микрометрический градусник-на поздних механизмах его нет). 4)САМОЕ ГЛАВНОЕ ИЗ ЛИЧНОГО ОПЫТА-прежде, чем запустить Луч 3055 или 3045-проверьте чист ли баланс. Баланс имеет магниты и к ним липнет металлическая пыль и стружка. Часто повреждает катушки и сбивают ход (одну катушку потерял ). И еще-в ранних версиях 3055 нужно следить за установкой кулачковой муфты (думаю назвал ее правильно),если механизм вынимался из корпуса. Фото этого механизма прилагаю. Всем удачи!
Миниатюры
Нажмите на изображение для увеличения
Название: P5090267.jpg
Просмотров: 514
Размер:	418.4 Кб
ID:	152123  
Ответить с цитированием
  #36  
Старый 13.08.2011, 15:45
Аватар для siealex
siealex siealex вне форума  
Форумчанин
 
Регистрация: 09.02.2010
Адрес: Украина, Харьков
Сообщений: 19,529
Сказал(а) спасибо: 2,583
Поблагодарили 8,053 раз(а) в 5,830 сообщениях
1. Как минимум три, возможно и четыре.
2. Правильно, цилиндрическое.
3. Три варианта платы? Можно подробнее?
Вариантов механизма действительно несколько - они отличаются конструкцией моста баланса и пазом под плюсовой контакт на мосту ангренажа.

PS. Что за версия платы на фото? НИКОГДА ТАКУЮ НЕ ВИДЕЛ...
__________________
CASIO! W38 57 59 84 86 87 92 93 96(2) 211 212 217 725 727(2) 728 729 733 735 740 751 752 753 755 756 800 W-E10 11 WL-S21 WS-100 210 220 WV-58 59 WVA104 106 B612 816 F84 85 91(13) 105 200 201A F-V1 A151 158 159(2) 162 163 168(3) 178 200(2) 210 220 680 AQ140 160(2) 180 450 AB30 ABX68 AW22 24 44 60 80(3) 81 82 AQ-E10 AW-E10 AW-S90 AE220 1000 1100 1500 3000 AL180 DB34 35 36 DBC32 610 DB-E30 CA53 503 EF317 321 500(2) EFA107 115 118 120 131 WEF116 EFD102 MDV501 BEM501 MSY500 OC502 M22 MDA-S11 MTD1014 MTF108 LA670(2) LW22 FT200 600 SGT100 HDD600 CPW500(2) CPA100 SPS300 STR500 TRI20 DW260 295 650 5600 6600 6900 G1700 2900 3110 3200 7700 GA100(2) 110 400 SPF70 CHR100 RFT100 STB1000 TIC10 BG3002 SFX10 JP200
Ответить с цитированием
  #37  
Старый 15.08.2011, 03:52
Аватар для mchd 24
mchd 24 mchd 24 вне форума  
Новичок
 
Регистрация: 25.05.2011
Адрес: kiew
Сообщений: 7
Сказал(а) спасибо: 36
Поблагодарили 24 раз(а) в 2 сообщениях
Доброго всем времени и хороших всем часов! Это ранняя версия и платы и механики.Именно в этом механизме нужно поправлять, вставлять, заправлять ту самую трубчатую шестеренку на ключе через окно в мосту. Я сделаю фото платы , самой древней, которая у меня есть-думаю Вам понравится. Заодно покажу мех. Лучик(2209), который я видел(сверху-точно) , а мой старший товарищ-увидал первый раз, может льстит, а?. Я их сделаю сейчас, хоть и поздно- Watch.ru- сила!!!!! Потом сделаю лучше, если Вам что-то понравится. Всем удачи и хороших часов!!!!!!
Миниатюры
Нажмите на изображение для увеличения
Название: P8150419.JPG
Просмотров: 468
Размер:	642.3 Кб
ID:	152775   Нажмите на изображение для увеличения
Название: P8150417.JPG
Просмотров: 442
Размер:	694.6 Кб
ID:	152776   Нажмите на изображение для увеличения
Название: P8150412.JPG
Просмотров: 382
Размер:	565.6 Кб
ID:	152777   Нажмите на изображение для увеличения
Название: P8120378.jpg
Просмотров: 408
Размер:	316.6 Кб
ID:	152778   Нажмите на изображение для увеличения
Название: P8150383.JPG
Просмотров: 520
Размер:	701.4 Кб
ID:	152779   Нажмите на изображение для увеличения
Название: P8150409.JPG
Просмотров: 525
Размер:	634.5 Кб
ID:	152780  
Ответить с цитированием
  #38  
Старый 15.08.2011, 04:03
Аватар для mchd 24
mchd 24 mchd 24 вне форума  
Новичок
 
Регистрация: 25.05.2011
Адрес: kiew
Сообщений: 7
Сказал(а) спасибо: 36
Поблагодарили 24 раз(а) в 2 сообщениях
2209 и лунник-влезли по номеру фото раньше, чем я хотел-но они уже есть в моем гаражике. Еще раз- Всем удачи!!!!
Ответить с цитированием
  #39  
Старый 12.09.2011, 22:04
Аватар для mishinmaster
mishinmaster mishinmaster вне форума  
Форумчанин
 
Регистрация: 11.08.2009
Адрес: город Днепр
Сообщений: 2,425
Сказал(а) спасибо: 949
Поблагодарили 1,463 раз(а) в 925 сообщениях
Господа, а нет ли у кого паспорта на Луч 3055, очень интересно было бы почитать, особенно, какая точность хода регламентировалась.
Ответить с цитированием
  #40  
Старый 13.09.2011, 15:41
Аватар для dmvt1
dmvt1 dmvt1 вне форума  
Форумчанин
 
Регистрация: 05.11.2010
Адрес: Санкт-Петербург, Россия
Сообщений: 8,115
Сказал(а) спасибо: 58
Поблагодарили 7,754 раз(а) в 4,038 сообщениях
Точность должна быть как у любого кварца - примерно 1 сек в сутки. Там баланс банально использовался вместо шагового двигателя, которые тогда еще не умели делать. Т.е. точность задавалась кварцевым генератором, а баланс был по частоте отрегулирован так, чтобы мог попадать в резонанс для уменьшения потребления тока. Точность хода регулируется маленьким конденсатором - триммером на плате. Выставляется либо по частотомеру, либо ежедневно по сигналам точного времени.
Ответить с цитированием
Ответ


Быстрый переход

Похожие темы
Тема Автор Раздел Ответов Последнее сообщение
Кварц Victor Lebedev Ремонт часов и обслуживание 16 03.11.2010 22:45
Что за кварц ? VRE Что за часы? Сколько стоят эти часы? 3 09.09.2010 11:11
Что за кварц? Artisto О часовых механизмах 10 17.01.2010 00:04
350$ за кварц sh_a Советы по выбору часов 13 23.12.2009 13:47
Есть ли кварцевые часы, чтобы "тикали" как механика? Sethmns Советы по выбору часов 16 22.02.2009 03:15


Часовой пояс UTC +3, время: 03:51.