Часы НВЧ ушастые - проект тех часов, которые мы хотим - Страница 281 - Часовой форум Watch.ru
 
Вернуться назад   Часовой форум Watch.ru > Клуб > Лимитированные серии
Регистрация | Забыли пароль?

Лимитированные серии

Обсуждение, создание и коллективный заказ лимитированных часов.
Текущий рейтинг темы — 
Результаты опроса: Какие варианты предпочтительнее
Оригинальный размер - 38,2 мм 34 36.56%
Увеличенный размер (в пропорции) - 41 мм 56 60.22%
Советский механизм 2209 22 23.66%
Российский 2409 (ручка) / 2415 (автомат) 55 59.14%
Швейцария, автомат 2892 или 2824 15 16.13%
Сапфир, купольный 66 70.97%
Плекс толстый 17 18.28%
Гравировка сзади / серебряная вставка 43 46.24%
Без гравировки /вставки сзади, простая задняя крышка 23 24.73%
Опрос с выбором нескольких вариантов ответа. Голосовавшие: 93. Вы ещё не голосовали в этом опросе

Ответ
 
Опции темы
  #2801  
Старый 08.04.2023, 13:01
akadama akadama вне форума  
Доступ временно ограничен | Temporarily restricted access
 
Регистрация: 05.12.2013
Адрес: Россия
Сообщений: 6,001
Сказал(а) спасибо: 8,020
Поблагодарили 6,972 раз(а) в 2,952 сообщениях
oldfox пока вы на форуме еще раз настоятельно вам порекомендую - все поступающие денежные средства направить на производство и отправку комплектующих из Китая, тратиться в данный текущий момент на механизмы и оплату за их репассаж не целесообразно, этим можно заниматься потом.
Попробуйте договориться с китайцами чтоб разбили оплату на два транша или больше. Например предложите такую схему - при оплате 50% они отправляют вам 25% готовых корпусов. Уверен после сборки этих 25% тиражачасов активность по оплатам очень сильно возрастет.
Ответить с цитированием
Эти 2 пользователей сказали Спасибо! akadama за это сообщение:
mr Cosmic (08.04.2023), oldfox (08.04.2023)
  #2802  
Старый 08.04.2023, 13:30
Аватар для oldfox
oldfox oldfox вне форума  
Форумчанин
 
Регистрация: 17.01.2014
Адрес: СПб
Сообщений: 6,098
Сказал(а) спасибо: 13,278
Поблагодарили 12,815 раз(а) в 2,914 сообщениях
Цитата:
Сообщение от akadama Посмотреть сообщение
oldfox пока вы на форуме еще раз настоятельно вам порекомендую - все поступающие денежные средства направить на производство и отправку комплектующих из Китая, тратиться в данный текущий момент на механизмы и оплату за их репассаж не целесообразно, этим можно заниматься потом.
Попробуйте договориться с китайцами чтоб разбили оплату на два транша или больше. Например предложите такую схему - при оплате 50% они отправляют вам 25% готовых корпусов. Уверен после сборки этих 25% тиражачасов активность по оплатам очень сильно возрастет.
Видимо да - потому что как растет курс, я немного (много) ох#%@ваю

Цитата:
Сообщение от AlfaCentavra Посмотреть сообщение
Из 1,2 млн. заплачено 1800 руб. фрилансеру и остальные 1.198.200 руб. перевели в Китай?
Я правильно понял? Можете подкрепить документами? Квитанции, платежки?
Сколько еще хотят китайцы?

Почему примерно? Мы переводили точно по прайсу. Деньги любят счет. Сколько есть в наличии и сколько не хватает для производства комплектующих?
Дизайнеру в долларах.
Примерно, потому что доллары закупались из рублей в разное время и по разному курсу.
Ответить с цитированием
  #2803  
Старый 08.04.2023, 13:37
Аватар для AlfaCentavra
AlfaCentavra AlfaCentavra вне форума  
Форумчанин
 
Регистрация: 22.08.2020
Адрес: Севастополь
Сообщений: 2,850
Сказал(а) спасибо: 30,110
Поблагодарили 19,135 раз(а) в 2,088 сообщениях
Цитата:
Сообщение от AlfaCentavra Посмотреть сообщение
Можете подкрепить документами? Квитанции, платежки? Сколько еще хотят китайцы?
Цитата:
Сообщение от AlfaCentavra Посмотреть сообщение
Сколько есть в наличии и сколько не хватает для производства комплектующих?
Прошу ответить на все вопросы, а не на те, которые удобно.
Платежки всех оплат в Китай покажите.
Ответить с цитированием
  #2804  
Старый 08.04.2023, 13:45
lirsvl lirsvl вне форума  
Форумчанин
 
Регистрация: 16.07.2014
Адрес: Санкт Петербург
Сообщений: 104
Сказал(а) спасибо: 71
Поблагодарили 34 раз(а) в 26 сообщениях
Примерно, потому что доллары закупались из рублей в разное время и по разному курсу. То есть фрилансеру переводил по 100$ в течение года верно? валюту,покупал в банке? Фрилансера,напиши данные,чтобы не посылать к нему почтальона!
Ответить с цитированием
  #2805  
Старый 08.04.2023, 13:53
Аватар для oldfox
oldfox oldfox вне форума  
Форумчанин
 
Регистрация: 17.01.2014
Адрес: СПб
Сообщений: 6,098
Сказал(а) спасибо: 13,278
Поблагодарили 12,815 раз(а) в 2,914 сообщениях
Цитата:
Сообщение от AlfaCentavra Посмотреть сообщение
Прошу ответить на все вопросы, а не на те, которые удобно.
Платежки всех оплат в Китай покажите.
Посчитаю точнее и покажу.

На связи буду вечером.

Цитата:
Сообщение от lirsvl Посмотреть сообщение
Примерно, потому что доллары закупались из рублей в разное время и по разному курсу. То есть фрилансеру переводил по 100$ в течение года верно? валюту,покупал в банке? Фрилансера,напиши данные,чтобы не посылать к нему почтальона!
Фрилансеру сразу. Самый первый платеж был.
Ответить с цитированием
  #2806  
Старый 08.04.2023, 20:37
Almzo Almzo вне форума  
Новичок
 
Регистрация: 24.07.2011
Адрес: Москва
Сообщений: 97
Сказал(а) спасибо: 165
Поблагодарили 105 раз(а) в 36 сообщениях
Т.е механизмы покупались только по оплаченным номерам? Или на все 250 штук?
Если первый вариант - 'выпускайте' часы и отдавайте поэтапно: кто оплатил, получает
Ответить с цитированием
Этот пользователь сказал Спасибо! Almzo за это сообщение:
Andy767 (08.04.2023)
  #2807  
Старый 09.04.2023, 01:06
SalBono SalBono вне форума  
Новичок
 
Регистрация: 15.02.2022
Адрес: Москва
Сообщений: 71
Сказал(а) спасибо: 47
Поблагодарили 72 раз(а) в 37 сообщениях
Всем доброго времени суток, такая «движуха» здесь началась - думал часы готовы)))
Хотел бы от себя добавить в защиту уважаемого Anth, когда вступал в проект его имя конечно повлияло на мое решение - но я четко понимал, что он выходит в качестве подрядчика и не является куратором проекта. Поэтому нападки на него мне не понятны, я думаю он уже и сам не рад что согласился… Но без его участия, часы на мой взгляд частично потеряют свою «форумную» ценность.
Касаемо ТС и последних сообщений, выглядит это как крик «нас всех кинули». Но с таким настроем мы точно не наберем новых участников и никогда не завершим проект. Думаю все, кто вступил в проект доверяют (доверяли) OldFox и устраивать линчевание рано, учитывая что какая то работы велась и определенные шаги делались.

Уважаемый ТС так же, нам все таки хотелось бы понять, как обстоят дела на самом деле и к чему нам готовиться. Мы все адекватные люди но за несколько лет увидеть пару фото и сообщений без определенности нас тоже не устраивает…
Ответить с цитированием
Этот пользователь сказал Спасибо! SalBono за это сообщение:
Anth (09.04.2023)
  #2808  
Старый 09.04.2023, 01:38
Аватар для oldfox
oldfox oldfox вне форума  
Форумчанин
 
Регистрация: 17.01.2014
Адрес: СПб
Сообщений: 6,098
Сказал(а) спасибо: 13,278
Поблагодарили 12,815 раз(а) в 2,914 сообщениях
Па́ника, пани́ческий стра́х — внезапное чувство страха, настолько сильное, что подавляет логическое мышление.

Страх убивает разум. Страх - это малая смерть, несущая забвение. Я смотрю в лицо моему страху, я дам ему овладеть мною и пройти сквозь меня. И когда он пройдет сквозь меня, я обернусь и посмотрю на тропу страха. Там, где прошел страх, не останется ничего. Там, где прошел страх, останусь только я. (С)

Поэтому вы точно найдёте какие-то "нестыковки", если захотите их найти, а не потому, что они есть. Считать, что я 9 лет на форуме был, чтобы потом тут "кинуть" - лишена логики. В том числе потому, что я и выступаю и "широко известен в узких кругах" (с) - 5-ое фото https://rugbc.org/na-mosbuild-sostoy...building-2023/

1. Распределение ролей.
Я писал ранее, но повторю: Антон отвечает за организационную часть по корпусам и общению с производителем, но не непосредственно финансовую часть. При этом он, естественно, в курсе оплат в Китай и мастеру по механизмам (рекомендован им). Поэтому он может подтвердить оплату туда, потому что без неё мы бы вообще ничего не получили, китайцы бы палец о палец не ударили.

2. Организация проектирования и производства.
A. Первичная 3D модель, которая легла в основу рендеров и детальных чертежей у китайцев, была сделана Фредом, практически сразу.
В хорошей детализации и качестве. Вот некоторые виды (ещё старый тип циферблата):








А это - мои ему промеры (не все сохранились вживую - это из почты из переписки):
Нажмите на изображение для увеличения
Название: Без названия (2).jpg
Просмотров: 47
Размер:	126.2 Кб
ID:	3550706

Б. Начался сбор в $ (ещё работал PayPal) и рублях. Старался оптимизировать переводы из одной валюты в другую - не всегда это удавалось. Около 7000+ собрано в долларах, из них часть переведена китайской стороне через PayPal как часть задатка (что для них не оптимально - потому что мне комиссии практически никакой - а им очень много при снятии, о чём они предупредили, что дополнительно выставят счёт). Часть - конвертирована в рубли и оплачены механизмы.

Механизмы собираются и репассируются мастером, о чём тоже выкладывал и фото и видео:




Тут видно качество репассажа (это когда было ~70 механизмов я попросил взять три случайных и показать разброс)


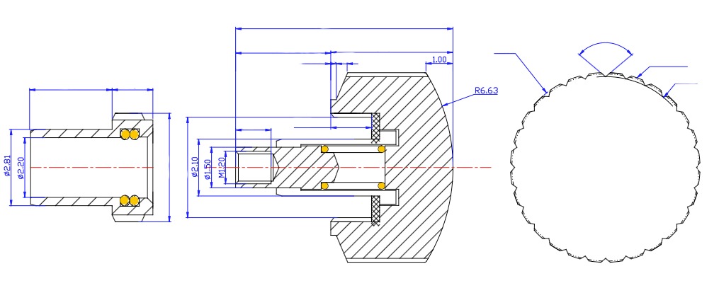
В. После оплаты первой части китайцам (часть PP, часть банковским переводом) - они начали производство оснастки для производства: это были их условия после ознакомления с чертежами - часть заказа оплачивается вперёд, чтобы они сделали детальные чертежи, полностью со всеми размерами и проработали детали узлов + сделали инструменты для массового производства именно такого корпуса, так как не все его части тривиальны.

Проработали детально, и меняли в зависимости от замечаний по ходу пьесы, примеры детальности (размеры они просили замазать):






Первый образец они сделали ниже ожиданий:
a. Полностью полированный.
b. Дырки под ушки просверлили не там, хотя по чертежу они правильно сделаны и расположены по задумке изначального корпуса.


c. Несмотря на тщательно подобранные цвета всех элементов циферблатов (особенно табака - с переходами), с указанием HEX, RGB и pantone кодов - это всё было типа проигнорировано в первый раз. Вообще общение, видимо, осложняется разностью менталитетов, потому что донести свою мысль сложно, и такое впечатление, чем детальнее описываешь, тем меньше шансов, что тебя поймут. Но раза с 3-4 обычно понимают.
d. Второй тестовый образец прислали без стрелок... За который тоже попросили доп. оплату.
e. Фред ушёл из фриланса, изменения некоторые пришлось делать или мне или на стороне.

Г. Сколько точно нужно участников, чтобы началось - я пересчитаю по курсу. Что касается детальной стоимости - когда я детально начал считать со всеми нюансами и переменными (как привык в силу работы РП), Антон меня скажем так - засмеял. Мол - если считать как ты по детальной стоимости - "до поворота каждого винта", то нужно институт открывать. По его опыту я оценил порядок цен исходя из бюджета, он сказал, что этого должно хватить + некий запас на изменение курса. Я заложил с учётом, что если останется сверх, м.б. можно сделать доп. в комплект, но заранее я решил ничего не обещать, потому что фиг его знает, как с курсом.

Хорошая идея сделать частями, я попрошу Антона проговорить её с китайской стороной.

Сейчас ситуация такая:
1. Есть образец, который они (китайцы) сделали как нужно.
2. Есть вся оснастка и готово к производству.
Основные детали проекта "отполированы" Всё готово к производству, только нужны участники.

Цитата:
Сообщение от Almzo Посмотреть сообщение
Т.е механизмы покупались только по оплаченным номерам? Или на все 250 штук?
Не по номерам, всем скопом.

Цитата:
Сообщение от AlfaCentavra Посмотреть сообщение
Прошу ответить на все вопросы, а не на те, которые удобно.
На мой взгляд мои ответы отвечают сразу на все вопросы - выше я описал весь ход событий. Полагаю, это закрывает все вопросы.
Миниатюры
Нажмите на изображение для увеличения
Название: 001.jpg
Просмотров: 335
Размер:	37.8 Кб
ID:	3550700   Нажмите на изображение для увеличения
Название: 002.jpg
Просмотров: 330
Размер:	136.4 Кб
ID:	3550701   Нажмите на изображение для увеличения
Название: 003.jpg
Просмотров: 330
Размер:	118.8 Кб
ID:	3550702   Нажмите на изображение для увеличения
Название: 004.jpg
Просмотров: 316
Размер:	102.9 Кб
ID:	3550703   Нажмите на изображение для увеличения
Название: 06B85D99-38D5-45C0-8DAF-F455C2E2AB06.jpg
Просмотров: 334
Размер:	380.9 Кб
ID:	3550705   Нажмите на изображение для увеличения
Название: crown and tube.jpeg
Просмотров: 328
Размер:	65.6 Кб
ID:	3550707   Нажмите на изображение для увеличения
Название: Case__.jpg
Просмотров: 322
Размер:	113.6 Кб
ID:	3550708   Нажмите на изображение для увеличения
Название: _Drawings.jpg
Просмотров: 330
Размер:	206.8 Кб
ID:	3550709   Нажмите на изображение для увеличения
Название: 005.jpg
Просмотров: 329
Размер:	42.7 Кб
ID:	3550710  
Ответить с цитированием
Эти 9 пользователей сказали Спасибо! oldfox за это сообщение:
akadama (09.04.2023), Almzo (09.04.2023), grave (09.04.2023), GreenMan5 (09.04.2023), HooliganSpb (09.04.2023), meteor547 (09.04.2023), MrWh (09.04.2023), SalBono (09.04.2023), TeaMoon (10.04.2023)
  #2809  
Старый 09.04.2023, 03:04
Almzo Almzo вне форума  
Новичок
 
Регистрация: 24.07.2011
Адрес: Москва
Сообщений: 97
Сказал(а) спасибо: 165
Поблагодарили 105 раз(а) в 36 сообщениях
Oldfox, запишите меня на номер 242, красный. Оплачу сразу.
Ответить с цитированием
Эти 4 пользователей сказали Спасибо! Almzo за это сообщение:
akadama (09.04.2023), Mikhail67 (09.04.2023), oldfox (09.04.2023), TeaMoon (10.04.2023)
  #2810  
Старый 09.04.2023, 08:28
Аватар для AlfaCentavra
AlfaCentavra AlfaCentavra вне форума  
Форумчанин
 
Регистрация: 22.08.2020
Адрес: Севастополь
Сообщений: 2,850
Сказал(а) спасибо: 30,110
Поблагодарили 19,135 раз(а) в 2,088 сообщениях
Цитата:
Сообщение от oldfox Посмотреть сообщение
На мой взгляд мои ответы отвечают сразу на все вопросы - выше я описал весь ход событий. Полагаю, это закрывает все вопросы.
А я полагаю, что не закрывает. Цитаты из Википедии приводите в другом месте. Основные вопросы - финансовые и они никуда не делись:

1. Сколько денег есть в наличии?
2. Сколько нужно для завершения проекта?


От ответов на эти простые вопросы зависит как Ваша репутация, так и общее понимание ситуации - есть ли шанс у данного проекта на успешную реализацию.

Цитата:
Сообщение от oldfox Посмотреть сообщение
Около 7000+ собрано в долларах, из них часть переведена китайской стороне через PayPal как часть задатка (что для них не оптимально - потому что мне комиссии практически никакой - а им очень много при снятии, о чём они предупредили, что дополнительно выставят счёт).
А вчера шел разговор о том, что из 1,2 млн руб. за вычетом 1800$ (это 120-150 тыс. руб.) все остальное переведено в Китай. Это более миллиона рублей. А 7000$ - это не более половины от миллиона! Вопросы остались, как видите. Поэтому я еще раз повторяю:

Предоставьте полный финансовый отчет, подкрепленный документами на основные статьи расходов!

Должны быть четко и ясно прописаны все поступления, расходы и текущий баланс доступных средств.

Цитата:
Сообщение от Anth Посмотреть сообщение
Я еще раз поясняю: не знаю. Прикинул сколько механизмов оплачено, со слов ТС в сообщениях выше, депозит, который он перевел на производство. Это около (тут могу сильно очень ошибаться) 1,5 млн. на производство фурнитуры нужно примерно 3+ млн. еще оплатить. А курс растет капец как. Это просто оценка на пальцах. Я же не знаю как и о чем договаривались по механизмам.
Здесь Антон предполагает (а он прекрасно знает все цены от наших китайских партнеров), что нужно еще 3 млн. рублей для оплаты производства. Объясните, где Вы собираетесь взять такие деньги?

Цитата:
Сообщение от oldfox Посмотреть сообщение
Считать, что я 9 лет на форуме был, чтобы потом тут "кинуть" - лишена логики. В том числе потому, что я и выступаю и "широко известен в узких кругах"
Вашу репутацию можно посмотреть здесь, почитайте внимательно последние страницы этой темы, там с картинками...

Цитата:
Сообщение от oldfox Посмотреть сообщение
Хорошая идея сделать частями, я попрошу Антона проговорить её с китайской стороной.
Делайте частями, рассылайте готовые часы участникам в порядке поступления оплат. Только это сможет привлечь новых людей, которые решатся доверить Вам свои деньги.

Цитата:
Сообщение от Anth Посмотреть сообщение
сегодня приехал новый корпус, циферблаты. постараюсь сделать обзор.
Этот пост Ваш пост, ув. Антон, от 12 декабря 2022г. Хотелось бы наконец-то увидеть финальный тестовый образец в сборе! Во всех подробностях, с макро-фото и видео.

Цитата:
Сообщение от oldfox Посмотреть сообщение
Вообще общение, видимо, осложняется разностью менталитетов, потому что донести свою мысль сложно, и такое впечатление, чем детальнее описываешь, тем меньше шансов, что тебя поймут. Но раза с 3-4 обычно понимают.
Лично у меня из опыта нашего общения с Вами складывается мнение, что проблема общения с китайцами - именно с Вашей стороны!
Ответить с цитированием
Эти 2 пользователей сказали Спасибо! AlfaCentavra за это сообщение:
Almzo (09.04.2023), Rusel1969 (11.04.2023)
Ответ
Метки
нвч-30


Быстрый переход

Похожие темы
Тема Автор Раздел Ответов Последнее сообщение
Долгожданный учебный проект часов завершен!!!!!! rashid06 Общий раздел 36 28.09.2018 09:09
Увольняется менеджер, хотим подарить часы Bandido Советы по выбору часов 46 15.04.2018 01:37
Какие Orient'ы хотим видеть? Принимаются заявки на обзоры часов. MD Orient 17 24.09.2012 22:09
Долгожданный проект часов - завершен! Валентин Е. Общий раздел 47 26.02.2012 19:28


Часовой пояс UTC +3, время: 14:09.