Электроника Г9.02 - Часовой форум Watch.ru
 
Вернуться назад   Часовой форум Watch.ru > Российские часы > Электроника
Регистрация | Забыли пароль?

Электроника

Форум о часах Электроника.
Ответ
 
Опции темы
  #1  
Старый 11.10.2018, 19:17
Аватар для BAIKER13
BAIKER13 BAIKER13 вне форума  
Форумчанин
 
Регистрация: 26.04.2014
Адрес: РАМЕНСКОЕ
Сообщений: 354
Сказал(а) спасибо: 637
Поблагодарили 341 раз(а) в 146 сообщениях
Электроника Г9.02

Всем доброго времени суток. На днях прикупил часы, их до меня кто-то модернизировал : а именно вместо кнопок установил герконовые реле и что -то пытался припаять к микросхемам скорее всего конденсаторы. Часы 81 года выпуска,руле я демонтировал и впаял нормальные кнопки.Из проблем: часы запускаются о чем свидетельствует мигание точки, и все больше ни чего не происходит: при нажатии кнопок установки времени часы не реагируют,хотя если до контакта кнопки прикаснуться отверткой часы переводятся,работает лишь кнопка обнуления.Подскажите что смотреть и проверять????
Миниатюры
Нажмите на изображение для увеличения
Название: IMG_20181010_191049.jpg
Просмотров: 1046
Размер:	311.3 Кб
ID:	2349282   Нажмите на изображение для увеличения
Название: IMG_20181010_191058.jpg
Просмотров: 1125
Размер:	363.2 Кб
ID:	2349283   Нажмите на изображение для увеличения
Название: IMG_20181010_191103.jpg
Просмотров: 1039
Размер:	390.0 Кб
ID:	2349284   Нажмите на изображение для увеличения
Название: IMG_20181010_191107.jpg
Просмотров: 994
Размер:	307.0 Кб
ID:	2349285   Нажмите на изображение для увеличения
Название: IMG_20181010_191113.jpg
Просмотров: 935
Размер:	429.2 Кб
ID:	2349286   Нажмите на изображение для увеличения
Название: IMG_20181010_200832.jpg
Просмотров: 869
Размер:	198.8 Кб
ID:	2349287  
__________________
каждый с ума сходит по своему
Ответить с цитированием
Этот пользователь сказал Спасибо! BAIKER13 за это сообщение:
Notgreedy (27.10.2018)
  #2  
Старый 11.10.2018, 22:04
Аватар для siealex
siealex siealex вне форума  
Форумчанин
 
Регистрация: 09.02.2010
Адрес: Украина, Харьков
Сообщений: 19,531
Сказал(а) спасибо: 2,584
Поблагодарили 8,053 раз(а) в 5,830 сообщениях
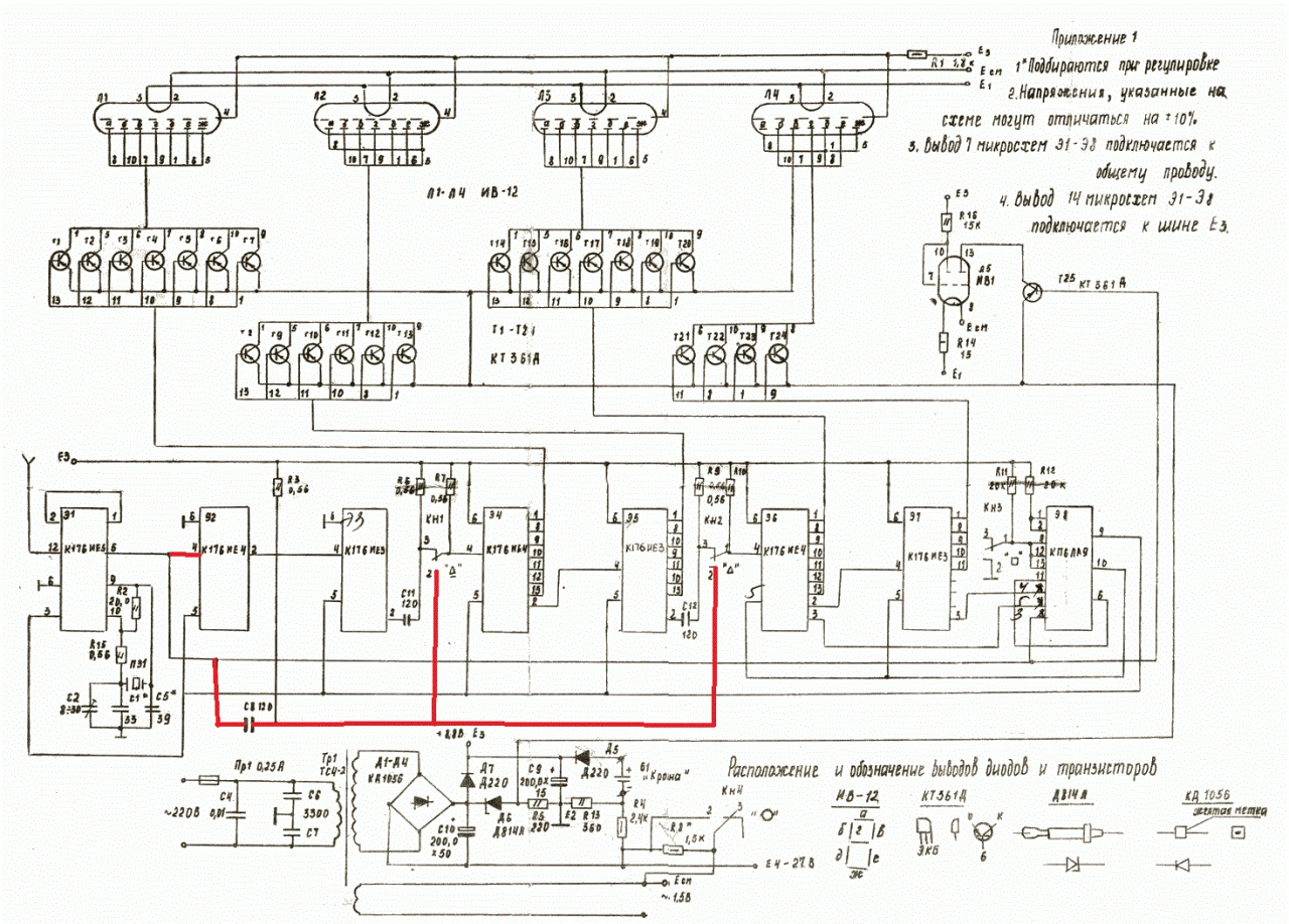
Секундный импульс выходит с делителя, доходит до точки, но не проходит дальше (в том числе не попадает на кнопки). Проверяем все дороги между делителем частоты 176ИЕ5 и первым счётчиком, от них же (возможно, через 176ЛА9) идёт дорога и на кнопки перевода. Если всё исправно - меняем микросхему 176ЛА9, не поможет - микросхему делителя 176ИЕ5.
Что за куски провода на 176ЛА9, они ни на что не коротят?

Сами часы идут? Если да - проверяем цепь сигнала перевода, в ней стоит конденсатор (при необходимости меняем). Нет - проверяем дорогу от выхода 176ИЕ5 до следующих чипов.
Миниатюры
Нажмите на изображение для увеличения
Название: ELEKTRONIKA_G9_02 SXEMA.jpg
Просмотров: 1078
Размер:	566.3 Кб
ID:	2349606  
__________________
CASIO! W38 57 59 84 86 87 92 93 96(2) 211 212 217 725 727(2) 728 729 733 735 740 751 752 753 755 756 800 W-E10 11 WL-S21 WS-100 210 220 WV-58 59 WVA104 106 B612 816 F84 85 91(13) 105 200 201A F-V1 A151 158 159(2) 162 163 168(3) 178 200(2) 210 220 680 AQ140 160(2) 180 450 AB30 ABX68 AW22 24 44 60 80(3) 81 82 AQ-E10 AW-E10 AW-S90 AE220 1000 1100 1500 3000 AL180 DB34 35 36 DBC32 610 DB-E30 CA53 503 EF317 321 500(2) EFA107 115 118 120 131 WEF116 EFD102 MDV501 BEM501 MSY500 OC502 M22 MDA-S11 MTD1014 MTF108 LA670(2) LW22 FT200 600 SGT100 HDD600 CPW500(2) CPA100 SPS300 STR500 TRI20 DW260 295 650 5600 6600 6900 G1700 2900 3110 3200 7700 GA100(2) 110 400 SPF70 CHR100 RFT100 STB1000 TIC10 BG3002 SFX10 JP200
Ответить с цитированием
Этот пользователь сказал Спасибо! siealex за это сообщение:
Limonad (13.10.2018)
  #3  
Старый 13.10.2018, 14:56
Аватар для BAIKER13
BAIKER13 BAIKER13 вне форума  
Форумчанин
 
Регистрация: 26.04.2014
Адрес: РАМЕНСКОЕ
Сообщений: 354
Сказал(а) спасибо: 637
Поблагодарили 341 раз(а) в 146 сообщениях
начал проверять дорожки и выяснилась такая проблема как отсутствие нескольких элементов ( на фото ниже). Теперь надо определится каких именно элементов не хватает.желательно фото монтажной платы этих часов.
Миниатюры
Нажмите на изображение для увеличения
Название: IMG_20181013_101727[1].jpg
Просмотров: 965
Размер:	373.5 Кб
ID:	2351073  
__________________
каждый с ума сходит по своему
Ответить с цитированием
  #4  
Старый 13.10.2018, 18:01
Аватар для 7400N
7400N 7400N вне форума  
Форумчанин
 
Регистрация: 10.07.2016
Адрес: Novosibirsk
Сообщений: 568
Сказал(а) спасибо: 81
Поблагодарили 459 раз(а) в 224 сообщениях
Там было три конденсатора. Мопед не мой. Свой мопед разбирать очень не хочется.

Миниатюры
Нажмите на изображение для увеличения
Название: El_comp 1000.jpg
Просмотров: 741
Размер:	268.3 Кб
ID:	2351232  
Ответить с цитированием
  #5  
Старый 13.10.2018, 21:02
Аватар для siealex
siealex siealex вне форума  
Форумчанин
 
Регистрация: 09.02.2010
Адрес: Украина, Харьков
Сообщений: 19,531
Сказал(а) спасибо: 2,584
Поблагодарили 8,053 раз(а) в 5,830 сообщениях
Как раз эти самые 120 пФ конденсаторы, через которые импульсы идут на следующий счётчик. Только не понимаю, нафига там вообще конденсаторы, почему не пускать импульсы напрямую.
__________________
CASIO! W38 57 59 84 86 87 92 93 96(2) 211 212 217 725 727(2) 728 729 733 735 740 751 752 753 755 756 800 W-E10 11 WL-S21 WS-100 210 220 WV-58 59 WVA104 106 B612 816 F84 85 91(13) 105 200 201A F-V1 A151 158 159(2) 162 163 168(3) 178 200(2) 210 220 680 AQ140 160(2) 180 450 AB30 ABX68 AW22 24 44 60 80(3) 81 82 AQ-E10 AW-E10 AW-S90 AE220 1000 1100 1500 3000 AL180 DB34 35 36 DBC32 610 DB-E30 CA53 503 EF317 321 500(2) EFA107 115 118 120 131 WEF116 EFD102 MDV501 BEM501 MSY500 OC502 M22 MDA-S11 MTD1014 MTF108 LA670(2) LW22 FT200 600 SGT100 HDD600 CPW500(2) CPA100 SPS300 STR500 TRI20 DW260 295 650 5600 6600 6900 G1700 2900 3110 3200 7700 GA100(2) 110 400 SPF70 CHR100 RFT100 STB1000 TIC10 BG3002 SFX10 JP200
Ответить с цитированием
  #6  
Старый 14.10.2018, 00:14
max-73 max-73 вне форума  
Форумчанин
 
Регистрация: 14.06.2010
Адрес: галактика Млечный Путь
Сообщений: 534
Сказал(а) спасибо: 2,309
Поблагодарили 273 раз(а) в 197 сообщениях
Пустить напрямую можно, но, IMHO, при манипуляциях кнопкой в то время, когда на выходе счетчика низкий уровень, из-за дребезга полное безобразие выйдет. Поэтому при помощи RC-цепочки это время минимизируют.
Ответить с цитированием
Этот пользователь сказал Спасибо! max-73 за это сообщение:
siealex (14.10.2018)
  #7  
Старый 14.10.2018, 14:06
Аватар для BAIKER13
BAIKER13 BAIKER13 вне форума  
Форумчанин
 
Регистрация: 26.04.2014
Адрес: РАМЕНСКОЕ
Сообщений: 354
Сказал(а) спасибо: 637
Поблагодарили 341 раз(а) в 146 сообщениях
Всем откликнувшимся спасибо,как найду конденсаторы отпишусь -запустились часы или нет.120 пФ это наверно в первой версии,а у меня скорее всего должны стоять 220 пФ,так как у меня на входе счетчиков стоит еще и сопротивление.
__________________
каждый с ума сходит по своему
Ответить с цитированием
  #8  
Старый 14.10.2018, 16:23
Аватар для siealex
siealex siealex вне форума  
Форумчанин
 
Регистрация: 09.02.2010
Адрес: Украина, Харьков
Сообщений: 19,531
Сказал(а) спасибо: 2,584
Поблагодарили 8,053 раз(а) в 5,830 сообщениях
Вполне возможно.
__________________
CASIO! W38 57 59 84 86 87 92 93 96(2) 211 212 217 725 727(2) 728 729 733 735 740 751 752 753 755 756 800 W-E10 11 WL-S21 WS-100 210 220 WV-58 59 WVA104 106 B612 816 F84 85 91(13) 105 200 201A F-V1 A151 158 159(2) 162 163 168(3) 178 200(2) 210 220 680 AQ140 160(2) 180 450 AB30 ABX68 AW22 24 44 60 80(3) 81 82 AQ-E10 AW-E10 AW-S90 AE220 1000 1100 1500 3000 AL180 DB34 35 36 DBC32 610 DB-E30 CA53 503 EF317 321 500(2) EFA107 115 118 120 131 WEF116 EFD102 MDV501 BEM501 MSY500 OC502 M22 MDA-S11 MTD1014 MTF108 LA670(2) LW22 FT200 600 SGT100 HDD600 CPW500(2) CPA100 SPS300 STR500 TRI20 DW260 295 650 5600 6600 6900 G1700 2900 3110 3200 7700 GA100(2) 110 400 SPF70 CHR100 RFT100 STB1000 TIC10 BG3002 SFX10 JP200
Ответить с цитированием
  #9  
Старый 15.10.2018, 13:24
Аватар для BAIKER13
BAIKER13 BAIKER13 вне форума  
Форумчанин
 
Регистрация: 26.04.2014
Адрес: РАМЕНСКОЕ
Сообщений: 354
Сказал(а) спасибо: 637
Поблагодарили 341 раз(а) в 146 сообщениях
поставил конденсаторы,часы пошли ,перевод часов заработал.
Миниатюры
Нажмите на изображение для увеличения
Название: IMG_20181015_132210[1].jpg
Просмотров: 1065
Размер:	342.4 Кб
ID:	2352790  
__________________
каждый с ума сходит по своему
Ответить с цитированием
Этот пользователь сказал Спасибо! BAIKER13 за это сообщение:
Notgreedy (27.10.2018)
  #10  
Старый 24.01.2024, 20:15
Perfect hoopoe Perfect hoopoe вне форума  
Форумчанин
 
Регистрация: 22.01.2017
Адрес: Москва
Сообщений: 158
Сказал(а) спасибо: 94
Поблагодарили 96 раз(а) в 56 сообщениях
Всем привет.
Пытаюсь оживить Электронику. Не горит ни одна лампа. Заменена кварца и электролитических конденсаторов ни к чему не привела. Питание на все микросхемы приходит. Подозреваю что не работает одна из миркосхем, но как определить какая?
Ответить с цитированием
Ответ


Быстрый переход

Похожие темы
Тема Автор Раздел Ответов Последнее сообщение
Инструкция на Электроника 63 или Электроника 54 Otmorozov Электроника 9 24.03.2016 03:38


Часовой пояс UTC +3, время: 09:58.