Нужна идентификация и документация для часы - Часовой форум Watch.ru
 
Вернуться назад   Часовой форум Watch.ru > Ремонт часов, обслуживание часов > Ремонт часов и обслуживание
Регистрация | Забыли пароль?

Ремонт часов и обслуживание

Всё о ремонте часов и обслуживании часов, часовое оборудование.
Ответ
 
Опции темы
  #1  
Старый 14.04.2011, 03:21
Душан Грујић Душан Грујић вне форума  
Форумчанин
Светлая память.. R.I.P.
 
Регистрация: 25.05.2008
Адрес: Белград, Сербия - Sydney, Au
Сообщений: 5,165
Сказал(а) спасибо: 839
Поблагодарили 9,713 раз(а) в 3,311 сообщениях
Нужна идентификация и документация для часы

Добрый вечер, всем!

Мне надо идентифицировать часы. Часы выглядеть как от АЧС-1, но имеют сеть электрических контактов. Было бы очень полезно найти паспорт или любую техническую документацию. Ниже два изображения этих часов.



С уважением

Душан
Ответить с цитированием
  #2  
Старый 20.06.2012, 16:32
Volodimer Volodimer вне форума  
Форумчанин
 
Регистрация: 26.02.2012
Адрес: Ульяновская область
Сообщений: 333
Сказал(а) спасибо: 107
Поблагодарили 214 раз(а) в 123 сообщениях
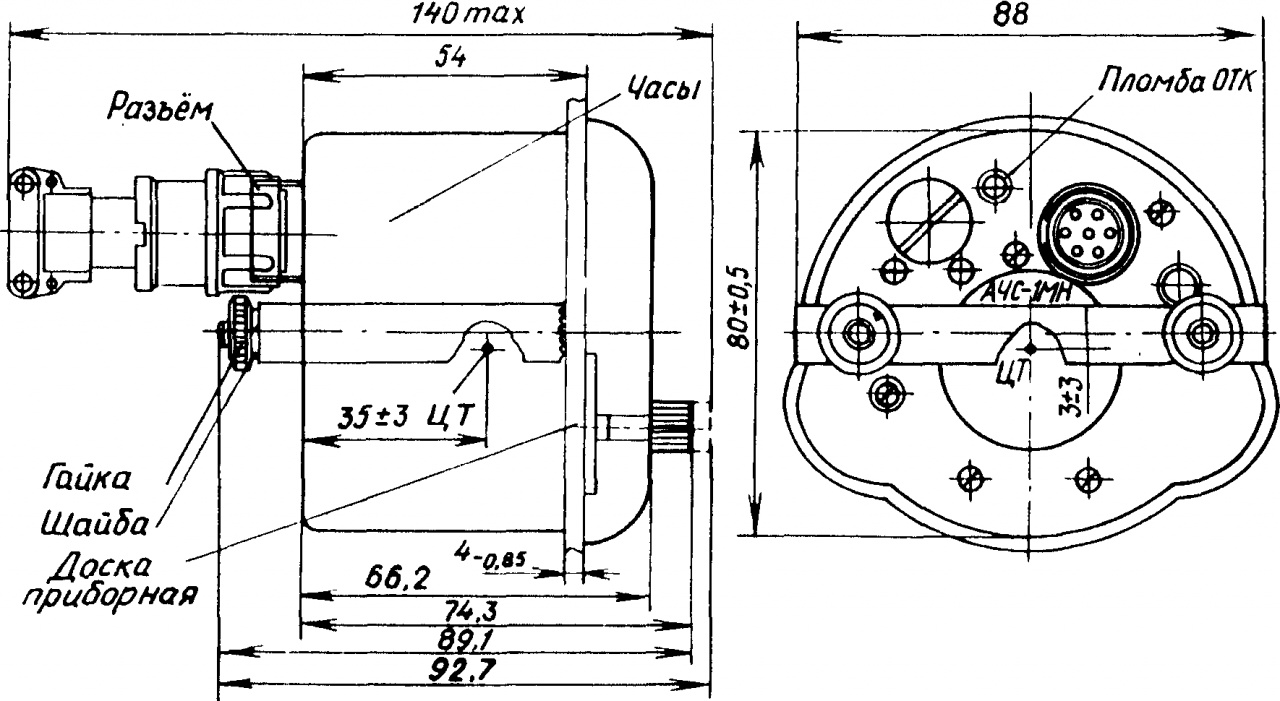
Похоже на ЧАСЫ АВИАЦИОННЫЕ типа АЧС-1МН http://www.measurement.ru/gk/vremya/03/07.htm
Миниатюры
Нажмите на изображение для увеличения
Название: Image428.jpg
Просмотров: 821
Размер:	254.6 Кб
ID:	274153  
Ответить с цитированием
  #3  
Старый 20.06.2012, 17:00
Душан Грујић Душан Грујић вне форума  
Форумчанин
Светлая память.. R.I.P.
 
Регистрация: 25.05.2008
Адрес: Белград, Сербия - Sydney, Au
Сообщений: 5,165
Сказал(а) спасибо: 839
Поблагодарили 9,713 раз(а) в 3,311 сообщениях
Добрый день!

Спасибо.

Но я уже нашел, где-то на форуме, объяснение об это часы - часовой блок 55М.

"Часовой "блок 55М" предназначен для измерения текущего времени в часах и минутах и коммутации электрических цепей в соответствии с заданной временной программой в авиационной технике. Часы устанавливались на один из блоков системы опознавания "6201" (свой-чужой) и предназначались для автоматического переключения кодов опознавания самолётного радиолокационного запросчика-ответчика. Имеют встроенный блок переключателей и, в отличие от обычных часов, 24х-часовой циферблат, для исключения двойного срабатывания в сутки. Шкалы и стрелки покрыты светомассой ВРЕМЕННОГО(!) действия (к радиоактивности не имеет никакого отношения), которая обладает эффектом остаточного свечения в темноте после облучения обычным светом, или яркое свечение в темноте под действием ультрафиолетового облучения арматуры АРУФОШ, применяемой для подсветки приборов самолётных кабин. Красная стрелка предназначена для установки времени срабатывания контактной группы. Так-же происходит автоматическое срабатывание в 24.00. Система "6201" стояла на всех самолетах и вертолетах МО СССР(РФ). Скорее всего и сейчас стоит. Прибор выпускается Челябинским часовым заводом."

С уважением

Душан
Ответить с цитированием
Эти 2 пользователей сказали Спасибо! Душан Грујић за это сообщение:
Artin (20.06.2012), mishinmaster (20.06.2012)
  #4  
Старый 20.06.2012, 17:13
Аватар для dmvt1
dmvt1 dmvt1 вне форума  
Форумчанин
 
Регистрация: 05.11.2010
Адрес: Санкт-Петербург, Россия
Сообщений: 8,088
Сказал(а) спасибо: 58
Поблагодарили 7,701 раз(а) в 4,015 сообщениях
Это не АЧС-1М, нет в них ни секундомера, ни шкалы времени полета. Душан,
это какой-то специализированный будильник, скорей всего, для аппаратуры связи.
Ответить с цитированием
  #5  
Старый 20.06.2012, 18:12
Душан Грујић Душан Грујић вне форума  
Форумчанин
Светлая память.. R.I.P.
 
Регистрация: 25.05.2008
Адрес: Белград, Сербия - Sydney, Au
Сообщений: 5,165
Сказал(а) спасибо: 839
Поблагодарили 9,713 раз(а) в 3,311 сообщениях
Цитата:
Сообщение от dmvt1 Посмотреть сообщение
Душан, это какой-то специализированный будильник, скорей всего, для аппаратуры связи.
Добрый день, Дмитрий!

Да, это нет обычны будильник, это специальный будильник! Вот в приложению документация от похожего буржуйского прибора.


С уважением

Душан
Вложения
Тип файла: pdf Contactor Unit BC-608-A.pdf (747.4 Кб, 367 просмотров)
Ответить с цитированием
Эти 2 пользователей сказали Спасибо! Душан Грујић за это сообщение:
Gideon (02.03.2014), Trops (20.06.2012)
  #6  
Старый 06.01.2013, 21:47
dottor dottor вне форума  
Новичок
 
Регистрация: 01.06.2009
Адрес: Москва
Сообщений: 37
Сказал(а) спасибо: 10
Поблагодарили 42 раз(а) в 17 сообщениях
Цитата:
Сообщение от Душан Грујић Посмотреть сообщение
Добрый вечер, всем!

Мне надо идентифицировать часы. Часы выглядеть как от АЧС-1, но имеют сеть электрических контактов. Было бы очень полезно найти паспорт или любую техническую документацию. Ниже два изображения этих часов.



С уважением

Душан
Это устройство "Блок 55М" от аппаратуры госопознавания ("свой-чужой") самолётов и вертолётов. Переключает коды по времени.
Если будет время, нарисуйте электрическую схему, пожалуйста.
Ответить с цитированием
  #7  
Старый 07.01.2013, 16:55
Душан Грујић Душан Грујић вне форума  
Форумчанин
Светлая память.. R.I.P.
 
Регистрация: 25.05.2008
Адрес: Белград, Сербия - Sydney, Au
Сообщений: 5,165
Сказал(а) спасибо: 839
Поблагодарили 9,713 раз(а) в 3,311 сообщениях
Цитата:
Сообщение от dottor Посмотреть сообщение
Если будет время, нарисуйте электрическую схему, пожалуйста.
Добрый день!

К сожалению, часы уже вернулся к владельцу, более чем пол года назад.

С уважением, Душан.
Ответить с цитированием
  #8  
Старый 01.03.2014, 22:21
Аватар для Gideon
Gideon Gideon вне форума  
Форумчанин
 
Регистрация: 01.06.2013
Адрес: Haifa
Сообщений: 569
Сказал(а) спасибо: 72
Поблагодарили 182 раз(а) в 109 сообщениях
не так давно занимался этими часами
Миниатюры
Нажмите на изображение для увеличения
Название: 55М_схема.jpg
Просмотров: 653
Размер:	86.3 Кб
ID:	647263   Нажмите на изображение для увеличения
Название: 55M_switch_diagram.jpg
Просмотров: 866
Размер:	56.4 Кб
ID:	647264   Нажмите на изображение для увеличения
Название: P2250007.jpg
Просмотров: 639
Размер:	514.5 Кб
ID:	647265   Нажмите на изображение для увеличения
Название: P2250010.jpg
Просмотров: 727
Размер:	524.7 Кб
ID:	647266   Нажмите на изображение для увеличения
Название: P2250013.jpg
Просмотров: 514
Размер:	470.1 Кб
ID:	647267   Нажмите на изображение для увеличения
Название: P2250014.jpg
Просмотров: 489
Размер:	463.2 Кб
ID:	647268   Нажмите на изображение для увеличения
Название: P2250016.jpg
Просмотров: 459
Размер:	486.4 Кб
ID:	647269   Нажмите на изображение для увеличения
Название: P2250017.jpg
Просмотров: 478
Размер:	457.9 Кб
ID:	647270   Нажмите на изображение для увеличения
Название: P2250018.jpg
Просмотров: 508
Размер:	452.8 Кб
ID:	647271   Нажмите на изображение для увеличения
Название: P2250019.jpg
Просмотров: 572
Размер:	497.3 Кб
ID:	647272   Нажмите на изображение для увеличения
Название: P2250021.jpg
Просмотров: 565
Размер:	460.6 Кб
ID:	647273   Нажмите на изображение для увеличения
Название: P2250022.jpg
Просмотров: 539
Размер:	449.0 Кб
ID:	647274   Нажмите на изображение для увеличения
Название: P2250024.jpg
Просмотров: 489
Размер:	395.4 Кб
ID:	647275   Нажмите на изображение для увеличения
Название: P2250025.jpg
Просмотров: 497
Размер:	475.7 Кб
ID:	647276   Нажмите на изображение для увеличения
Название: P2250027.jpg
Просмотров: 534
Размер:	454.7 Кб
ID:	647277   Нажмите на изображение для увеличения
Название: P2250029.jpg
Просмотров: 443
Размер:	461.5 Кб
ID:	647278   Нажмите на изображение для увеличения
Название: P2250031.jpg
Просмотров: 537
Размер:	446.0 Кб
ID:	647288   Нажмите на изображение для увеличения
Название: P2250032.jpg
Просмотров: 457
Размер:	424.9 Кб
ID:	647289  
Ответить с цитированием
Эти 3 пользователей сказали Спасибо! Gideon за это сообщение:
lng (02.03.2014), siealex (02.03.2014), vvbryus (02.03.2014)
  #9  
Старый 02.03.2014, 19:53
Аватар для dmvt1
dmvt1 dmvt1 вне форума  
Форумчанин
 
Регистрация: 05.11.2010
Адрес: Санкт-Петербург, Россия
Сообщений: 8,088
Сказал(а) спасибо: 58
Поблагодарили 7,701 раз(а) в 4,015 сообщениях
Все-таки какие вещи прекрасные умели делать.
Ответить с цитированием
Этот пользователь сказал Спасибо! dmvt1 за это сообщение:
Dima343 (02.03.2014)
  #10  
Старый 02.03.2014, 20:10
Аватар для Dima343
Dima343 Dima343 вне форума  
Форумчанин
 
Регистрация: 29.03.2012
Адрес: Украина, Киев
Сообщений: 11,449
Сказал(а) спасибо: 2,490
Поблагодарили 16,052 раз(а) в 5,848 сообщениях
это да, качество механизмов на высшем уровне, зарубежные фирмы приборные часы поскромнее делали
у меня была идея сделать настольные часы с механизмом от АЧС1 или АЧХ в стеклянном корпусе, наподобие этих Атмос
Нажмите на изображение для увеличения
Название: Atmos_img_3421.jpg
Просмотров: 838
Размер:	537.0 Кб
ID:	647933
но ни одна стеклообрабатывающая фирма не взялась сделать корпус - точность нужна высокая, а не +/- 1мм, и детали слишком мелкие для их станков
Ответить с цитированием
Этот пользователь сказал Спасибо! Dima343 за это сообщение:
Yuri YuE (09.03.2020)
Ответ


Быстрый переход

Похожие темы
Тема Автор Раздел Ответов Последнее сообщение
Документация ThVovik Ремонт часов и обслуживание 56 15.03.2025 17:31
Идентификация Борна, - что за часы? lightstorm Tag Heuer 14 24.01.2012 17:23
Идентификация механизма Hy Moser & Cie Душан Грујић Ремонт часов и обслуживание 4 15.11.2010 15:15
Нужна техническая документация Raymond Weil 7250 aruy Ремонт часов и обслуживание 9 18.12.2009 17:26
Покупка часов через интернет: на что обратить внимание, что проверить в документах? Maclav Советы по выбору часов 3 09.07.2009 19:48


Часовой пояс UTC +3, время: 00:37.