Часовой форум Watch.ru (http://forum.watch.ru/index.php)
-   Ремонт часов и обслуживание (http://forum.watch.ru/forumdisplay.php?f=14)
-   -   Камертонные часы весна не работают. (http://forum.watch.ru/showthread.php?t=163947)

Sashun 28.02.2018 12:13

Вложений: 1

Тема получила неожиданное продолжение. Уже писал, что
Цитата:

Сообщение от Sashun (Сообщение 4654264)
не верю в НОВОГОДНИЕ ЧУДЕСА

Поэтому, спустя 2 месяца, снял часы с полки и решил провести диагностику "как следует", начав с конца. И сразу же наткнулся на причину неуверенного хода.
Советская "Весна", в отличие от зарубежных камертонных часов, имеет два электромагнита и две одинаковые катушечки, соединенные последовательно - для обычной и "тонкой" регулировки амплитуды камертона и потребляемого электросхемой тока. Катушечки имеют регулируемые на резьбе сердечники - одна катушечка имеет "толстый", а другая - тонкий сердечник.
Надоумило меня измерить напряжение на этих катушечках и их сопротивление.
Напряжение (на постоянном токе) - 0,56 вольт. А, вот при измерении сопротивления обнаружился "сюрприз". У нижней по фото катушечки сопротивление 470 ом, а, при измерении сопротивления верхней катушечки, цифири на мультиметре "пляшут". Пропаял выводы - все равно пляшут.
Короче, сопротивление верхней катушечки оказалось ... переменным. От 465 ом до 1670 ом. Взяв лупу, обнаружил повреждение - замят наружный виток обмотки, выполненной проводом диаметром 0,05 мм.
Часы, понятное дело, работают только с одной нижней катушкой, если завернуть чуток ее сердечник, чтобы увеличить ход камертона. При этом завышен потебляемый схемой ток. Впаял вместо верхней катушки резистор 470 ом - не хватает амплитуды камертона.

Попытки "отмотать" часть наружных витков иголочкой оказались безуспешными - катушка "пролачена" и тонкий провод рвется.
Верхняя катушка снялась со своей посадки легко (клей от старости охрупчился), перемотчик со станочком и проводом в Одессе разыскан по телефону.
Теперь жду, пока погода улучшится, чтоб перемотать катушечку - снега выпало сантиметров 30 и редкий для Одессы мороз - градусов 8-10.

Вывод - чудес в часах таки не бывает, еще поживут часики...

Sashun 09.03.2018 11:16

Вложений: 1
[media]https://youtu.be/3gmC2hGiZG8[/media]


Терпение и труд все перетрут!
Катушечку перемотал вручную, насадив каркасик на стерженек. Родным обмоточным проводом, видимо, диаметром 0,03-0,04 мм намотать не удалось - рвется при малейшем усилии. Поэтому сопротивление намотанной катушки оказалось существенно меньше (около 160 ом) чем было - больше 400 ом. Поставил фальш-стрелки.
Часа полтора добивался устойчивого хода. Оказалось, что максимальная амплитуда качания камертона (около 1,5 мм по верхней части камертона) достигается только при вращающемся роторе-анкере, а, когда ротор неподвижен, камертон почти не колеблется - амплитуда около 0,2-0,3 мм.
Пока обнаружил этот фокус, час убил.
Осталось измерить потребляемый часиками ход и окончательно запуск отладить, который, в сравнении с японскими "Jeco" конструктивно выполнен неправильно. В японских камертонных часах рычаг запуска взаимодействует с зубцами 2-го колеса и ротор, при отпускании довольно сильной пружинки, начинает вращаться сразу на большой скорости, а у "Весны" рычаг при запуске взаимодействует с маховичком на оси ротора, из-за чего ротор не набирает необходимую для запуска скорость (частоту вращения). Т.е., при "японской" синхронизации с камертоном ,ротор уменьшает частоту вращения от частоты запуска до частоты колебаний камертона. А у "Весны" - как придется - запускной рычажок проскальзывает по маховичку - и запускает ротор на какую-то неопределенную частоту.

ES7TR 16.03.2018 17:55

Вложений: 1
Здравствуйте. Это мой первый пост в этом форуме.
Когда-то давно срисовал на бумагу принципиальные схемы таких часов.
Первоначальная схема с деталями 1978. года выпуска. Все микросхемы
там типа К2НТ173 (позднее название - К217НТ3), микросборки содержат
только четыре транзистора NPN-проводимости, на схеме они без кружка.
Всё остальное на дискретных элементах. Также на схеме делитель :256,
состоит из восьми тригеров, для этого решили использовать четыре
микросборки К2НТ173. Этот делитель, сколько я помню, была отдельная
плата, она и схема у меня не сохранились, на схеме только "в клетке".
Вторая схема видимо следующая разработка, там детали 1981. года.
Использованы микросемы "часовой" серии. Их номинальное напряжение
питания 9 вольт, но они способны работать даже от 2,5 вольт.
Преобразователь у меня, например, выдавал около 4,5 вольт.
А вот схемы, недавно ввёл в компьютер, может кому пригодятся:
http://forum.watch.ru/attachment.php...1&d=1521212095

Graf 17.03.2018 01:15

К стати, валяется у меня пяток таких ходовых колёс, как запчасть, может кому надо?
Это не реклама, бесплатно!

ES7TR 19.03.2018 19:06

Вложений: 1
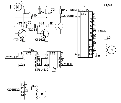
Предлагаю ищё схему, как я когда-то давно заменил делитель частоты
первоначальной схемы. Вместо платы делителя здесь микросхема
К561ИЕ16. Вся схема питалась от батарей 4,5В, а для задающего
кварцевого генератора напряжение питания стабилизируется ещё
отдельно. В качестве стабилитрона использовал светодиод, падение
напряжения на нём порядка 1,6...2В (зависит от экземпляра), при
этом светодиод практически не светился из за малого тока.
Благодаря такой стабилизаций, вероятно, удалось достигать
точность хода часов менее оной секунды за месяц.
Ниже показан фрагмент схемы, как вместо К561ИЕ16
можно применить микросхему К561ИЕ10.
Возможно даже применение К176ИЕ12 с кварцевым резонатором
по типичной схеме (интернет подскажет, как именно), в таком
случае советую катушки присоденить, как показано ещё ниже.
Подбором ёмкости, который последовательно с катушками,
можно изменить амплитуду колебания камертона.
http://forum.watch.ru/attachment.php...1&d=1521475191

siealex 20.03.2018 23:28

Цитата:

К стати, валяется у меня пяток таких ходовых колёс, как запчасть, может кому надо?
Это не реклама, бесплатно!
А на Молнию нет?

ES7TR 27.03.2018 23:16

Вот нашёл в интернете фото
http://s018.radikal.ru/i522/1203/e0/3810380e330a.jpg
где внизу плата делителя на 256. Восемь тригеров
и восемь микросборок К217НТ3 для этого всё-таки.
Оказывается, такие-же часы называются "Кобзарі".
http://s018.radikal.ru/i522/1203/e0/3810380e330a.jpg

ktesibios 28.03.2018 23:02

Цитата:

Сообщение от ES7TR (Сообщение 4791955)
где внизу плата делителя на 256. Восемь тригеров
и восемь микросборок К217НТ3 для этого всё-таки.

http://s018.radikal.ru/i522/1203/e0/3810380e330a.jpg

У меня такая схема стоит в часах "Весна". Запускаться не как не хочет, что-то там не так, говорят без осциллографа не понять. Может кто знает как их починить?

ES7TR 29.03.2018 00:19

Цитата:

Сообщение от ktesibios (Сообщение 4793471)
Может кто знает как их починить?

Если полная тишина, надо заниматься электроникой, искать неисправность там.
С осциллографом проще, но нужен хотя-бы самый простой мультиметр, чем
мерить напряжении в разных точках схемы, начиная с напряжении питания.

ktesibios 29.03.2018 14:44

Цитата:

Сообщение от ES7TR (Сообщение 4793555)
Если полная тишина, надо заниматься электроникой, искать неисправность там.
С осциллографом проще, но нужен хотя-бы самый простой мультиметр, чем
мерить напряжении в разных точках схемы, начиная с напряжении питания.

Напряжение какое-то есть, но правильное оно или нет не пойму. Может заменить в верхней плате все транзисторы и кварц, микросхемы проверять как не понятно. Там детали все 80 г. Есть ли смысл менять все микросхемы, их продают но они все 86г., выпуска?


Часовой пояс UTC +3, время: 02:31.

© 1998–2024 Watch.ru