Часовой форум Watch.ru (http://forum.watch.ru/index.php)
-   Ремонт часов и обслуживание (http://forum.watch.ru/forumdisplay.php?f=14)
-   -   Камертонные часы весна не работают. (http://forum.watch.ru/showthread.php?t=163947)

elektric21 29.11.2023 10:18

Вложений: 4
Цитата:

Сообщение от nevenbekriev (Сообщение 6869037)
Elektrik21, что случилось? Вы запустили часы?

Пока нет. Занимательная электроника./было бы чем заменить -ремонт занял бы полчаса./А так.Красиво только на "бумаге" или эмуляторе.По факту все немножко по другому.Первую сборку -запустил только при замене сопрота в базе Т4 на 750к.
/фото/ Вторая по замерам как исправно-а работать не хочет.Вернее Т1-Т2 генерит не устойчиво Видно т3-т4 упорно не хотят работать.
Придется выпаять и навесным искать причину.

dmvt1 29.11.2023 13:17

Дурацкая схема, работающая на соплях. С транзисторами может быть проблема. Современные слишком быстрые и с большим коэффициентом усиления, чтобы эта лабуда заработала. Надо наши КТ315 искать.

drmirro 29.11.2023 15:08

Цитата:

Сообщение от dmvt1 (Сообщение 6869227)
Дурацкая схема, работающая на соплях.

- совершенно верно!!! Это не делитель,а недодилитель-ошибка инженеров-разработчиков 70х. Он работает ,практически, только на разбросе параметров реальных деталей. За пол-сотни лет эти параметры убежали. И никто не знает в какой половине триггера и куда они изменились.
А,если Электрик21 хочет ехать, а не играться в "шашечки"-то эту плату делителей надо менять на К561ие10 или К561ие16 ,включенных на деление 256 или 2^8.
Расплата за это увеличение напряжения питания часов. Вместо одного эл. питания 1.5В ,надо три ,лучше 4.
И лет двадцать еще поработает,ну пока механика часов не умрет...

dmvt1 29.11.2023 15:29

Одно время считалось особым инженерным шиком делать такие нестандартные вещи. А то что многое банально работало на паразитных емкостях или использовало какие-то особенности конкретных типов транзисторов или диодов никого не волновало. В результате получались вещи, которые повторить мог только автор. Скорей всего, у ТС это и получилось. Параметры деталей уплыли с годами и все работать перестало. Плюс у этих микросборок есть один существенный недостаток. В военной версии сборок (273НТ3) бескорпусные транзисторы внутри имели золотые ножки и были вечными, а в гражданской (К273НТ3) - алюминиевые, которые с годами корродируют. Примерно как на Луч 3055. В первой ревизии платы стояли бескорпусные транзисторы с золотыми ножками и эти платы вечные, а во второй ревизии уже транзисторы с алюминиевыми позолоченными ножками, которые отгнивают отлично. Их даже каким-то компаундом заливать стали, так они и под ним отгнивают.

elektric21 29.11.2023 23:00

Вложений: 4
По порядку.

nevenbekriev 29.11.2023 23:21

Так давно стало ясно, что ети сборки нужно заменить на обычные транзисторы, там есть достаточное место. Транзисторы в сборках деградировали с временем. Можете сделать один тригер на експериментальной плате, чтобы наидти правильную стойность конденсаторов на входе с новыми транзисторами.

elektric21 29.11.2023 23:33

Цитата:

Сообщение от nevenbekriev (Сообщение 6869631)
Транзисторы в сборках деградировали с временем..

И в какой величине это измеряется?? Я не в курсе.Они что должны быть строго с одинаковым коэф.усиления ? В даташите разброс в который они укладываются.

nevenbekriev 30.11.2023 23:09

Цитата:

Сообщение от elektric21 (Сообщение 6869638)
И в какой величине это измеряется?? Я не в курсе.Они что должны быть строго с одинаковым коэф.усиления ? В даташите разброс в который они укладываются.

Деградация не измеряется. Она проявляется как нерегулярной работы, наличие большого собственного шума и непостоянство параметров в целом. Одна из возможных причин - недостаточное очищение кислот при травлению в процессе производства, из за которое метализации внутри структур транзистора медлено кородируют и нарушается связь, появляются структуры с действием как кислотная батарея, которые шумят сильно.

Коефициенты усиления транзисторов в одной сборке ожидаются одинаковыми, если нет - то очень близкими.

drmirro 07.12.2023 09:54

Вложений: 1
«Просимулировал» в симуляторе идеи от ES7TR из постов #83,#85 по доработке электронной начинки первой версии обсуждаемых часов.
Ненадежное и монстрообразное «Чу́дище о́бло, озо́рно, огро́мно, стозе́вно и ла́яй» в виде платы делителей на восьми сборках К217нт2 и ейных обвязках из 32 резисторов и16 конденсаторов меняется на одну цифровую микросхему +пара транзисторов и 3 резистора. Все это можно собрать на макетной плате навесным монтажем за пол часа-час. Питание потребуется повышенное. Либо три –четыре ,последовательно включенных сухих элемента на 1.5В. Либо повышающий DC-DC преобразователь. Ток потребления ,в последнем случае, увеличится с первой сотни мкА до первых десятков мА, т.е. на два порядка.

siealex 08.12.2023 13:25

Цитата:

Либо повышающий DC-DC преобразователь. Ток потребления ,в последнем случае, увеличится с первой сотни мкА до первых десятков мА, т.е. на два порядка.
А почему десятки мА? Поздняя версия Весны с повышающим преобразователем берёт порядка 1 мА и не больше, щелочной Д батарейки хватает на полтора года.
Кстати, питание можно организовать вообще по-другому. Электромеханическую часть питать от штатной батарейки, а генератор с делителем - от кроны или даже от 2*CR2032, потребление там не будет превышать 20..30 мкА. А современные чипы 40 серии вообще стабильно работают от 2*AA (что я использовал не раз в своих часах на 5 Гц).

drmirro 08.12.2023 15:05

Цитата:

Сообщение от siealex (Сообщение 6875881)
А почему десятки мА? Поздняя версия Весны с повышающим преобразователем берёт порядка 1 мА и не больше,

-Охотно верю. Просто если брать преобразователь напряжения из схемы поздней версии Весны,то придется столкнутся с намоткой тр-ра на ферритовом торе и подбором кол-ва витков. А это для ,некоторых, китайская грамота. А те готовые изделия DC-DC, которые предлагает Alibaba, сами кушают от десятка мА. Впрочем, я не сильно то и искал. Возможно, существует и что-либо менее прожорливое.

Цитата:

Сообщение от siealex (Сообщение 6875881)
Электромеханическую часть питать от штатной батарейки, а генератор с делителем - от кроны или даже от 2*CR2032, потребление там не будет превышать 20..30 мкА.

-Можно и так. Только самым прожорливым у меня в симуляторе оказался тактовый генератор со своим стабилизатором+ камертон. В первом приближении все вмести хотят около 120 мкА.Так что их тоже лучше питать от "батарейки" большей емкости.

elektric21 08.12.2023 15:16

Цитата:

Сообщение от drmirro (Сообщение 6874879)
Ненадежное и монстрообразное «Чу́дище

Да !- почитаешь....Все было плохо а сейчас хорошо.НТ в народном хозяйстве плохо, в ВП хорошо. А в 176 сколько внутри "натулено" ??? Хорошо ! - из того же времени. Сразу видно возраст........ Исходили из того что было массово доступно населению.А именно батарейки.Сколько видов их было? То то .Под них и "затачивали" Все!.-от часов до приемников. Сейчас их много.Хотя качество тоже под вопросом. А пройдет лет........- следующее поколение будет говорить -вот лепили на каких то МС...
А как по мне - 44года беспрерывной работы на Отказ- довольно не плохо.
А вот от китайских новоделов- вот тут есть над чем посмеяться. Не успели купить -уже не работает.
P/s- за Еще одно схемное решение Спасибо./drmirro/.

dmvt1 08.12.2023 17:03

По мне так всегда интереснее оригинальный вариант поднять. Механизм кварцевый копейки стоит современный. Попробуйте выкинуть первую микросхему и впаять четыре транзистора. Работы на пять минут. Если первый делитель заработает, то можно так же и остальные перепаять. Транзисторы на Али стоят по 100 руб. за большой мешок. Подойдут любые самые простые кремниевые транзисторы. Я в Лучах 3055 без проблем бескорпусные КТ317 меняю на SMD 1B. Работают отлично и никаких отгнивающих ног. Тут, скорей всего, внутри микросхем та же проблема - отгнивают ноги бескорпусных транзисторов. Их в бытовой версии стали делать не из золота, как в военных версиях, а из позолоченного алюминия. Там сначала все сильно утончается, а потом от легкого щелчка по плате нога просто отламывается.

siealex 09.12.2023 00:08

Цитата:

Только самым прожорливым у меня в симуляторе оказался тактовый генератор со своим стабилизатором+ камертон.
Тактовый генератор на 40 серии больше 5..7 мкА жрать не должен, делитель примерно столько же. А всю камертонную часть нужно питать от другой батарейки, согласовывая сигнал с генератора транзистором.

drmirro 09.12.2023 11:10

Вложений: 1
Цитата:

Сообщение от siealex (Сообщение 6876366)
Тактовый генератор на 40 серии больше 5..7 мкА жрать не должен,

Не знаю,что такое 40 серия, но 5-7 мкА слишком мало. Если посмотреть на схему и вспомнить закон Ома,то даже родной стабилизатор потребляет на порядок больше.
1.1 V(Uвых.)-0.6V(падение перехода б-э)=0.6V.
0.6V/12000 Om=0.00005A =50mkA
и это только часть тока ,который потребляет один стаб. Тактовый генератор на двух транзисторах кушает еще,примерно, столько же.

ES7TR 09.12.2023 17:01

Рекомендую не мучиться с такими старыми схемами и низким напряжением питания.
Новые схемы я предложил в этой теме, пост #85:
http://forum.watch.ru/showpost.php?p...7&postcount=85
Например, хорошо подойдет литиевая батарея 3,6...4,2В.
Обмотки часового двигателя можно подключить к микросхеме напрямую через
конденсатор подходящей емкости, для данного напряжения питания подойдет
конденсатор емкостью от 0,33 до 0,68 мкФ, подберите по подходящей амплитуде
колебаний камертона, при этом делитель с микросхемой потребляет ток около
0,25мА, мощность ок. 1мВт. Добавляется ток потребления кварцевого генератора,
в зависимости от выбранного решения.

PS.
Я занимаюсь синхронизацией кварцевых часов с сигналом DCF77 или GPS.
Например, на нижней схеме изображен кварцевый генератор на логических элементах:
https://www.elfafoorum.eu/forum/tehn...54#post1129154
Если вас больше интересует, Google может помочь перевести с эстонского.

drmirro 09.12.2023 22:47

Цитата:

Сообщение от ES7TR (Сообщение 6876681)
Рекомендую не мучиться с такими старыми схемами и низким напряжением питания.
Новые схемы я предложил в этой теме, пост #85:

Поддерживаю всеми руками ,#169

ES7TR 09.12.2023 23:50

Вложений: 1
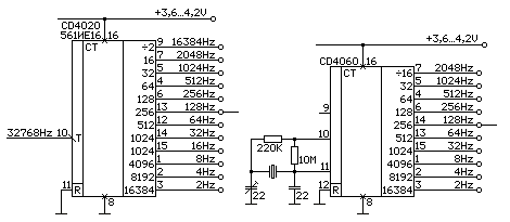
Схема CD4020 (561ИЕ16) и CD4060:
Вложение 3647170
http://forum.watch.ru/attachment.php...1&d=1702154614
К CD4060 можно подключить и кварц, тогда достаточно одной микросхемы.

ES7TR 10.12.2023 10:40

Вложений: 1
Обнаружил ошибку в схеме в предыдущем посте.
CD4020 (561ИЕ16) для вывода 15 коэффициент
деления должен быть не 1024, а 2048.
Пожалуйста, извините за ошибку.
Правильно будет так:
Вложение 3647249
http://forum.watch.ru/attachment.php...9&d=1702194544

ES7TR 12.12.2023 00:40

Вложений: 1
Самый лучший и простой вариант замены - схема с CD4060, но
оригинальная схема с К176ИЕ5 и К176ТМ1 тоже будет работать.
Я рекомендую это без преобразователя напряжения питания:
http://forum.watch.ru/attachment.php...4&d=1702329712
Напряжение питания может быть 3...10В, необходимо
лишь подобрать емкость конденсатора С4 по необходимой
амплитуде колебаний камертона (в пределах 0,22...1мкФ).
Потребление энергии в любом случае составляет около 1 мВт.
Внимание — чипы КМОП не терпят обратной полярности
напряжения питания, сразу выходят из строя.

siealex 28.06.2025 15:25

Цитата:

Терпение и труд все перетрут!
Катушечку перемотал вручную, насадив каркасик на стерженек. Родным обмоточным проводом, видимо, диаметром 0,03-0,04 мм намотать не удалось - рвется при малейшем усилии. Поэтому сопротивление намотанной катушки оказалось существенно меньше (около 160 ом) чем было - больше 400 ом. Поставил фальш-стрелки.
Часа полтора добивался устойчивого хода. Оказалось, что максимальная амплитуда качания камертона (около 1,5 мм по верхней части камертона) достигается только при вращающемся роторе-анкере, а, когда ротор неподвижен, камертон почти не колеблется - амплитуда около 0,2-0,3 мм.
Пока обнаружил этот фокус, час убил.
Правильно. Я это обнаружил в своё время на полностью исправных часах. Фокус в том, что магнит на кончике лапы камертона взаимодействует с неподвижным и с движущимся колесом по-разному, соответственно собственная частота камертона в этих состояниях тоже разная (при неподвижном колесе должна быть выше). А так как здесь колебания камертона чисто вынужденные (в отличие от Молнии, там автоколебания), резонанс может достигаться только в одном из двух состояний, но не в обоих. Настраивать нужно, строго говоря, по максимуму амплитуды на запущенном механизме.


Часовой пояс UTC +3, время: 17:30.

© 1998–2024 Watch.ru