Часовой форум Watch.ru (http://forum.watch.ru/index.php)
-   Интерьерные часы (http://forum.watch.ru/forumdisplay.php?f=35)
-   -   Кварцевый механизм с плавной секундой для настенных часов (http://forum.watch.ru/showthread.php?t=565492)

diarey 20.04.2021 13:23

Вложений: 5
Дополню немного:
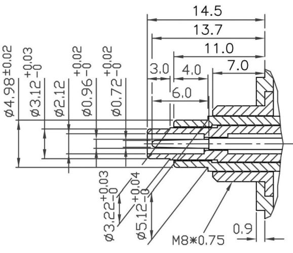
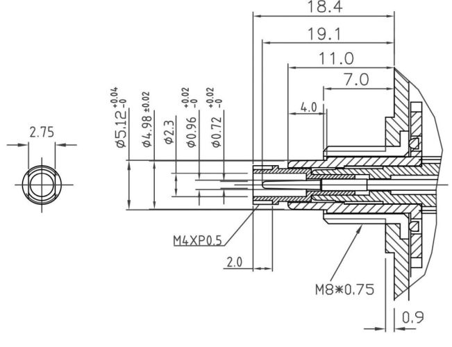
Мне знакомы (из того, что в ходу) 3 roundshaft:
1. Так называемый Seiko shaft (3.5/5.5мм) - самый распространенный. Почти все китайцы его используют
2. Другой азиатский roundshaft (3/5мм), который не имеет определенного названия. Его используют, из тех, что мне знакомы, Young Town, JH, Rhythm и Wellgain
3. Еваропейский roundshaft (3,5/5мм) - его можно встретить только в немецких UTS.

Также 2 вида посадок под гайку:
1. Euroshaft - это немецкие Hermle/UTS/Junghans (фабрика UTS)
2. I-shaft - это Seiko и большинство азиатских с высоким крутящим моментом.
Эти 2 посадки очень похожи, но у немцев чуть меньше размеры на минутной и часовой.
Вложение 3205856

Вложение 3205857

Вложение 3205858

Вложение 3205859

Вложение 3205860

CradleChell 22.04.2021 12:49

Вложений: 1
В итоге все купил, поставил, повесил.
Вложение 3207082

Krysin 22.04.2021 13:41

Я так понимаю , что фото на цифере это колаж из семейных фото. Отличные , индивидуальные, семейные часы - хорошая идея.

CradleChell 23.04.2021 13:04

Цитата:

Сообщение от Krysin (Сообщение 6186341)
Я так понимаю , что фото на цифере это колаж из семейных фото. Отличные , индивидуальные, семейные часы - хорошая идея.

Да, именно так.


Часовой пояс UTC +3, время: 15:18.

© 1998–2024 Watch.ru