Пару вопросов по часам Электроника 1 - Страница 44 - Часовой форум Watch.ru
 
Вернуться назад   Часовой форум Watch.ru > Российские часы > Электроника
Регистрация | Забыли пароль?

Электроника

Форум о часах Электроника.
Текущий рейтинг темы — 
Ответ
 
Опции темы
  #431  
Старый 22.07.2013, 21:00
Аватар для Surok
Surok Surok вне форума  
Форумчанин
 
Регистрация: 22.08.2010
Адрес: Россия, г.Москва
Сообщений: 1,658
Сказал(а) спасибо: 493
Поблагодарили 1,196 раз(а) в 557 сообщениях
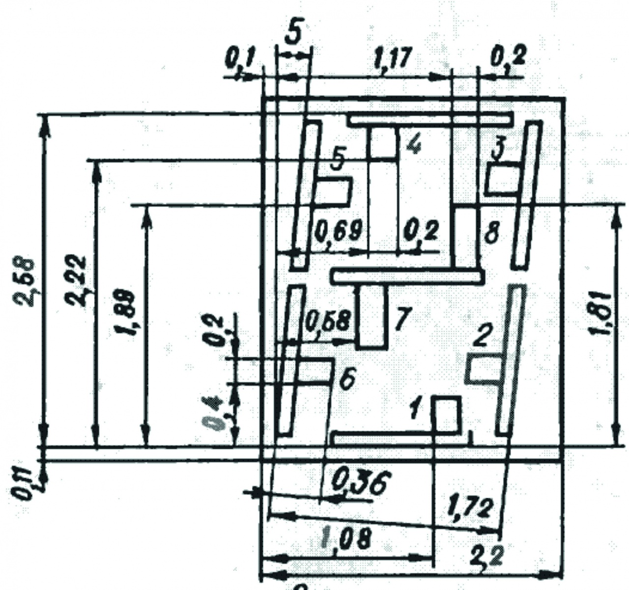
Может кто-нибудь из счастливых обладателей Электроники-1 сделать чертеж её сегментного индикатора с размерами? Или сфотографировать часы с максимально-светящимся индикатором и потом подписать размеры на фото? Заранее спасибо
Ответить с цитированием
  #432  
Старый 23.07.2013, 14:59
Ky3mich Ky3mich вне форума  
Форумчанин
 
Регистрация: 19.09.2012
Адрес: Ижевск
Сообщений: 223
Сказал(а) спасибо: 22
Поблагодарили 170 раз(а) в 85 сообщениях
Я же делал. И даже фото выкладывал в теме про обсуждение самопального модуля. Размеры снимал с даташита и реальных часов. Файлы еще остались.
Ответить с цитированием
  #433  
Старый 23.07.2013, 19:38
Аватар для Surok
Surok Surok вне форума  
Форумчанин
 
Регистрация: 22.08.2010
Адрес: Россия, г.Москва
Сообщений: 1,658
Сказал(а) спасибо: 493
Поблагодарили 1,196 раз(а) в 557 сообщениях
Цитата:
Сообщение от Ky3mich Посмотреть сообщение
Я же делал. И даже фото выкладывал в теме про обсуждение самопального модуля
Так выложите, пожалуйста, если файлы есть. Можно в личку, чтобы тему не засорять Там дофига и больше страниц, долго искать.
Ответить с цитированием
  #434  
Старый 24.07.2013, 09:15
Ky3mich Ky3mich вне форума  
Форумчанин
 
Регистрация: 19.09.2012
Адрес: Ижевск
Сообщений: 223
Сказал(а) спасибо: 22
Поблагодарили 170 раз(а) в 85 сообщениях
Вот размеры, с которых я делал образец. И сам образец, подогнан максимально близко к оригиналу. С него делал пленку-негатив. И фото из другой темы.
Миниатюры
Нажмите на изображение для увеличения
Название: 313.jpg
Просмотров: 263
Размер:	405.3 Кб
ID:	488720   Нажмите на изображение для увеличения
Название: IMG_3274.jpg
Просмотров: 306
Размер:	244.8 Кб
ID:	488738   Нажмите на изображение для увеличения
Название: IMG_3276.jpg
Просмотров: 313
Размер:	318.9 Кб
ID:	488739   Нажмите на изображение для увеличения
Название: IMG_3278.jpg
Просмотров: 268
Размер:	414.4 Кб
ID:	488740   Нажмите на изображение для увеличения
Название: IMG_3282.jpg
Просмотров: 373
Размер:	257.4 Кб
ID:	488741  
Вложения
Тип файла: pdf proba.pdf (12.7 Кб, 128 просмотров)
Ответить с цитированием
Эти 4 пользователей сказали Спасибо! Ky3mich за это сообщение:
azimut-f148 (24.07.2013), IGOR CUSTOMIZER (18.11.2020), Shai Alyt NEMO (30.07.2013), Surok (24.07.2013)
  #435  
Старый 24.07.2013, 17:27
Аватар для Surok
Surok Surok вне форума  
Форумчанин
 
Регистрация: 22.08.2010
Адрес: Россия, г.Москва
Сообщений: 1,658
Сказал(а) спасибо: 493
Поблагодарили 1,196 раз(а) в 557 сообщениях
Ky3mich, а у Вас светодиоды не просвечивают через плёнку? Я попробовал так же сделать - на просвет плёнка вроде чёрная, но если положить под неё светодиод 0603, то она просвечивается.
Ответить с цитированием
Этот пользователь сказал Спасибо! Surok за это сообщение:
azimut-f148 (24.07.2013)
  #436  
Старый 24.07.2013, 17:40
Ky3mich Ky3mich вне форума  
Форумчанин
 
Регистрация: 19.09.2012
Адрес: Ижевск
Сообщений: 223
Сказал(а) спасибо: 22
Поблагодарили 170 раз(а) в 85 сообщениях
Хм, а какую пленку использовали? Сейчас проверил ещё раз - не просвечивает. Я использовал фототехническую пленку Agfa с оптической плотностью 4-4,5 единицы. Видимо, в вашем случае низка оптическая плотность негатива.
Ответить с цитированием
Этот пользователь сказал Спасибо! Ky3mich за это сообщение:
azimut-f148 (24.07.2013)
  #437  
Старый 29.07.2013, 22:39
Аватар для vova64
vova64 vova64 вне форума  
Форумчанин
 
Регистрация: 08.08.2012
Адрес: Россия, г.Балашиха
Сообщений: 4,074
Сказал(а) спасибо: 12,920
Поблагодарили 3,680 раз(а) в 1,866 сообщениях
Приветствую Всех электроников и электроньшиковкупил не давно новых 5 блочков от электроника 1,нет ли у кого на продажу или обмен корпуса в не плохом сохране?хочу собрать одну(когда то носил)
__________________
...какой президент, такая и водка, ну и остальное тоже..
Ответить с цитированием
  #438  
Старый 30.07.2013, 03:23
chebadonov chebadonov вне форума  
Форумчанин
 
Регистрация: 26.04.2012
Адрес: msk
Сообщений: 157
Сказал(а) спасибо: 78
Поблагодарили 181 раз(а) в 47 сообщениях
Если не секрет , то где купили ? есть ли там еще ?
У меня есть часы с полудохлым модулем , тоже хотел бы восстановить .
Ответить с цитированием
  #439  
Старый 30.07.2013, 10:55
Аватар для vova64
vova64 vova64 вне форума  
Форумчанин
 
Регистрация: 08.08.2012
Адрес: Россия, г.Балашиха
Сообщений: 4,074
Сказал(а) спасибо: 12,920
Поблагодарили 3,680 раз(а) в 1,866 сообщениях
Цитата:
Сообщение от chebadonov Посмотреть сообщение
Если не секрет , то где купили ? есть ли там еще ?
У меня есть часы с полудохлым модулем , тоже хотел бы восстановить .
На своей любимой,,борохолке,,у тетеньки в выходные посмотрю,с 10 ток оставалось если нет,придумаем что ни будь да еще 3 красных стекла квадратно округлой формы без страшных царапен и еще два блочка без защиты кристалов с порванными волосками им ,,манамба,?
__________________
...какой президент, такая и водка, ну и остальное тоже..
Ответить с цитированием
  #440  
Старый 30.07.2013, 21:20
Nikolay 1 Nikolay 1 вне форума  
Форумчанин
 
Регистрация: 10.11.2010
Адрес: Москва
Сообщений: 182
Сказал(а) спасибо: 185
Поблагодарили 113 раз(а) в 55 сообщениях
А под какой корпус модули , прямоугольник или квадрат ? Рабочие ?
Ответить с цитированием
Ответ
Метки
электроника, электроника 1


Быстрый переход

Похожие темы
Тема Автор Раздел Ответов Последнее сообщение
Мое почтение! И пару вопросов. (РР 3919g) hunter Patek Philippe 8 01.12.2012 16:09
Пара вопросов по неисправным часам сомнительного происхождения. Nefashu Vacheron Constantin 22 22.11.2009 01:22
Ребята, нужна карточка Sublime на пару минут Пушер Общий раздел 1 22.09.2009 22:05
Где найти инструкцию к часам Электроника 21-10? ArtuhinNN Электроника 9 21.07.2007 15:17


Часовой пояс UTC +3, время: 09:01.