Проржавели кнопки в корпусе хронографа. - Страница 4 - Часовой форум Watch.ru
 
Вернуться назад   Часовой форум Watch.ru > Ремонт часов, обслуживание часов > Ремонт часов и обслуживание
Регистрация | Забыли пароль?

Ремонт часов и обслуживание

Всё о ремонте часов и обслуживании часов, часовое оборудование.
Ответ
 
Опции темы
  #31  
Старый 01.11.2025, 17:23
Аватар для cft1231
cft1231 cft1231 вне форума  
Форумчанин
 
Регистрация: 22.08.2010
Адрес: Россия ,Санкт-Петербург
Сообщений: 713
Сказал(а) спасибо: 5,702
Поблагодарили 1,482 раз(а) в 357 сообщениях
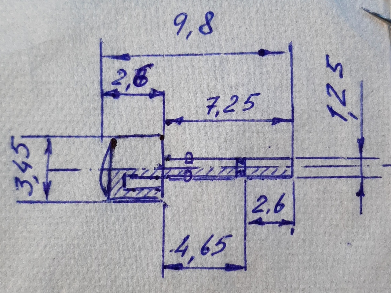
Кнопка

Вот пожалуйста: размеры.
С уважением , Павел.
Миниатюры
Нажмите на изображение для увеличения
Название: 20251101_170816.jpg
Просмотров: 12
Размер:	462.4 Кб
ID:	3904942  
Ответить с цитированием
Этот пользователь сказал Спасибо! cft1231 за это сообщение:
Gaijin24 (02.11.2025)
  #32  
Старый 01.11.2025, 19:18
Odissey Odissey вне форума  
Форумчанин
 
Регистрация: 12.05.2013
Адрес: Великобритания Лондон
Сообщений: 1,754
Сказал(а) спасибо: 435
Поблагодарили 900 раз(а) в 611 сообщениях
Цитата:
Сообщение от Gaijin24 Посмотреть сообщение
Нет. Не всегда охотно общаются с иностранцами...
Как и везде в мире!
А на счет того ,что в Японии нет пушеров на SEIKO !!! Есть ,конечно!
Вам же дали ссылку на оригинальную деталь для Ваших часов в UK за £9.90 +postage. В чем проблема ее заказать? Дорого? Вы точно в Японии?
Ответить с цитированием
  #33  
Старый 02.11.2025, 04:31
Gaijin24 Gaijin24 вне форума  
Новичок
 
Регистрация: 27.03.2024
Адрес: Japan, Nagoya
Сообщений: 23
Сказал(а) спасибо: 13
Поблагодарили 0 раз(а) в 0 сообщениях
Цитата:
Сообщение от Odissey Посмотреть сообщение
Как и везде в мире!
А на счет того ,что в Японии нет пушеров на SEIKO !!! Есть ,конечно!
Вам же дали ссылку на оригинальную деталь для Ваших часов в UK за £9.90 +postage. В чем проблема ее заказать? Дорого? Вы точно в Японии?
Какова цель коммента? Жизни меня поучить?
Если внимательно почитать, в теме речь о двух кнопках для двух разных корпусов. Первая кнопка уже приехала.
Есть что-то по теме о черной кнопке для SEIKO Subaru?
Ответить с цитированием
Ответ


Быстрый переход

Похожие темы
Тема Автор Раздел Ответов Последнее сообщение
Кнопки хронографа нажимаются сами Alex2928 Ремонт часов и обслуживание 3 26.03.2018 10:12
Наращивание кнопки хронографа Ван-Грох Ремонт часов и обслуживание 3 07.11.2015 13:08
Вопрос про кнопки хронографа Longines Егор79 Ремонт часов и обслуживание 4 05.08.2008 12:19


Часовой пояс UTC +3, время: 09:11.