KIT: нерж. корпус/цифер под ЧК6 (плоская "Молния") - Страница 33 - Часовой форум Watch.ru
 
Вернуться назад   Часовой форум Watch.ru > Российские часы > Другие российские часы
Регистрация | Забыли пароль?

Другие российские часы

Текущий рейтинг темы — 
Ответ
 
Опции темы
  #321  
Старый 26.04.2014, 18:32
Аватар для Mortiis
Mortiis Mortiis вне форума  
Форумчанин
 
Регистрация: 08.06.2010
Адрес: Российская Федерация, Омск
Сообщений: 3,147
Сказал(а) спасибо: 7,509
Поблагодарили 8,316 раз(а) в 1,556 сообщениях
Спасибо за хорошего человека
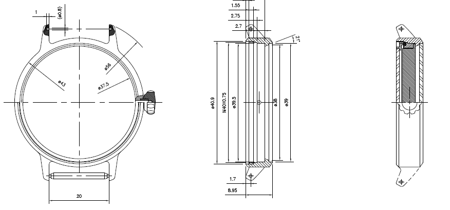
Второму производителю для расчета стоимости я направлял этот чертеж:
Нажмите на изображение для увеличения
Название: Чертеж.png
Просмотров: 374
Размер:	36.6 Кб
ID:	692819
Какой именно чертеж направляли первому производителю - мне неизвестно. Прошу отписаться, кто в курсе.
Предлагаю все-таки использовать завинчивающуюся крышку. Возможно, это несколько повышает стоимость, но надежность такого решения гораздо выше: мелкие винтики имеют тенденцию теряться, получать повреждения при открывании часов, самопроизвольно выкручиваться... Тем более, что мы хотим водозащиту.
Ответить с цитированием
Эти 6 пользователей сказали Спасибо! Mortiis за это сообщение:
crapaud (26.04.2014), drfat (29.04.2014), igorIV (26.04.2014), nort42 (26.04.2014), sklimov (09.05.2014), tonicff (26.04.2014)
  #322  
Старый 26.04.2014, 18:39
Svaroq Svaroq вне форума  
Форумчанин
 
Регистрация: 22.04.2011
Адрес: Санкт-Петербург
Сообщений: 1,156
Сказал(а) спасибо: 280
Поблагодарили 2,466 раз(а) в 517 сообщениях
Цитата:
Сообщение от Mortiis Посмотреть сообщение
Спасибо за хорошего человека
Второму производителю для расчета стоимости я направлял этот чертеж:
Вложение 692819
Какой именно чертеж направляли первому производителю - мне неизвестно. Прошу отписаться, кто в курсе.
Предлагаю все-таки использовать завинчивающуюся крышку. Возможно, это несколько повышает стоимость, но надежность такого решения гораздо выше: мелкие винтики имеют тенденцию теряться, получать повреждения при открывании часов, самопроизвольно выкручиваться... Тем более, что мы хотим водозащиту.
Водозащиту прямо мания в любой лимитке требуют водозащиту(не путать с брызгозащитой(10 - 30м) ) даже от костюмных часов. в этом случае корпус будит не тонкий да и особой водозащиты не будит так как вал не на резьбе будит.
Ответить с цитированием
  #323  
Старый 26.04.2014, 18:47
Аватар для Mortiis
Mortiis Mortiis вне форума  
Форумчанин
 
Регистрация: 08.06.2010
Адрес: Российская Федерация, Омск
Сообщений: 3,147
Сказал(а) спасибо: 7,509
Поблагодарили 8,316 раз(а) в 1,556 сообщениях
Цитата:
Сообщение от Svaroq Посмотреть сообщение
Водозащиту прямо мания в любой лимитке требуют водозащиту(не путать с влагозащитой(10 - 30м) ) даже от костюмных часов. в этом случае корпус будит не тонкий да и особой водозащиты не будит так как вал не на резьбе будит.
Если есть возможность защитить наши драгоценные винтажные механизмы и циферблаты, отпечатанные в центре реставрации, от пыли, влаги, окисления - то почему бы этого не сделать? 100м - это не дайверская водозащита, а необходимая мера, позволяющая не бояться порчи механизма от случайного попадения воды на руку...
В современных часах ставят плотные сальники, которые могут обеспечивать водозащиту даже в 200м, без резьбы.
Так что и 100м на сальнике держать будет.

Сейчас даже в дешевых эдифисах по 100м., и корпуса у них не толстые.
Ответить с цитированием
Эти 3 пользователей сказали Спасибо! Mortiis за это сообщение:
igorIV (27.04.2014), nort42 (26.04.2014), tonicff (26.04.2014)
  #324  
Старый 26.04.2014, 18:52
Аватар для SPolakov
SPolakov SPolakov вне форума  
Форумчанин
 
Регистрация: 31.03.2012
Адрес: Латвия
Сообщений: 521
Сказал(а) спасибо: 680
Поблагодарили 773 раз(а) в 229 сообщениях
Цитата:
Сообщение от Mortiis Посмотреть сообщение
Спасибо за хорошего человека
Второму производителю для расчета стоимости я направлял этот чертеж:
Вложение 692819
Какой именно чертеж направляли первому производителю - мне неизвестно. Прошу отписаться, кто в курсе.
Предлагаю все-таки использовать завинчивающуюся крышку. Возможно, это несколько повышает стоимость, но надежность такого решения гораздо выше: мелкие винтики имеют тенденцию теряться, получать повреждения при открывании часов, самопроизвольно выкручиваться... Тем более, что мы хотим водозащиту.
Первый производитель делал смету по этому-же корпусу/этим-же чертежам/моделям.
Водозащиты у этого корпуса нет: по з/г нет герметичности, только зашита от брызг (если всё оставить как я прочертил).
При доработке конструкции это можно обеспечить, не вопрос, но это приведёт к удорожанию проекта.

Цитата:
Сообщение от Mortiis Посмотреть сообщение
Если есть возможность защитить наши драгоценные винтажные механизмы и циферблаты, отпечатанные в центре реставрации, от пыли, влаги, окисления - то почему бы этого не сделать? 100м - это не дайверская водозащита, а необходимая мера, позволяющая не бояться порчи механизма от случайного попадения воды на руку...
В современных часах ставят плотные сальники, которые могут обеспечивать водозащиту даже в 200м, без резьбы.
Так что и 100м на сальнике держать будет.

Сейчас даже в дешевых эдифисах по 100м., и корпуса у них не толстые.
Сальник по валу предусмотрен конструктивно, так-что если он, действительно, даст 100м защиту, то все ок..
__________________
...
Ответить с цитированием
Эти 2 пользователей сказали Спасибо! SPolakov за это сообщение:
Mortiis (26.04.2014), tonicff (26.04.2014)
  #325  
Старый 26.04.2014, 19:40
Svaroq Svaroq вне форума  
Форумчанин
 
Регистрация: 22.04.2011
Адрес: Санкт-Петербург
Сообщений: 1,156
Сказал(а) спасибо: 280
Поблагодарили 2,466 раз(а) в 517 сообщениях
Цитата:
Сообщение от SPolakov Посмотреть сообщение
Первый производитель делал смету по этому-же корпусу/этим-же чертежам/моделям.
Водозащиты у этого корпуса нет: по з/г нет герметичности, только зашита от брызг (если всё оставить как я прочертил).
При доработке конструкции это можно обеспечить, не вопрос, но это приведёт к удорожанию проекта.



Сальник по валу предусмотрен конструктивно, так-что если он, действительно, даст 100м защиту, то все ок..
"шайбу, шайбу" имхо тонкому механизму тонкий корпус. при этом упор делается не на водозащиту и + часы с таким механизмом отнюдь не для повседневной носки
Ответить с цитированием
  #326  
Старый 26.04.2014, 19:51
Аватар для Mortiis
Mortiis Mortiis вне форума  
Форумчанин
 
Регистрация: 08.06.2010
Адрес: Российская Федерация, Омск
Сообщений: 3,147
Сказал(а) спасибо: 7,509
Поблагодарили 8,316 раз(а) в 1,556 сообщениях
Цитата:
Сообщение от Svaroq Посмотреть сообщение
"шайбу, шайбу" имхо тонкому механизму тонкий корпус. при этом упор делается не на водозащиту и + часы с таким механизмом отнюдь не для повседневной носки
Тонкий корпус, разумеется, в приоритете. Но если производитель по данным чертежам подтвердил водозащиту, то что ж ее не сделать
Ответить с цитированием
Этот пользователь сказал Спасибо! Mortiis за это сообщение:
tonicff (26.04.2014)
  #327  
Старый 26.04.2014, 19:53
Аватар для SPolakov
SPolakov SPolakov вне форума  
Форумчанин
 
Регистрация: 31.03.2012
Адрес: Латвия
Сообщений: 521
Сказал(а) спасибо: 680
Поблагодарили 773 раз(а) в 229 сообщениях
Цитата:
Сообщение от Svaroq Посмотреть сообщение
"шайбу, шайбу" имхо тонкому механизму тонкий корпус. при этом упор делается не на водозащиту и + часы с таким механизмом отнюдь не для повседневной носки
Тонкий корпус - это сколько миллиметров по-вашему?!
Тот корпус, что мы осметили имеет всего 8.9мм толщины, есть возможности убрать ещё пару десятых миллиметра за счёт использования более тонких стёкол.
Плоский мех+цифер+стрелки - уже 5,4мм плюс необходимые зазоры до стёкол, плюс толщина самих стёкол..
При применении крышки на винтах можно отыграть ещё 0,4мм толщины, но это совсем другая, не самая лучшая компоновка..
__________________
...
Ответить с цитированием
Этот пользователь сказал Спасибо! SPolakov за это сообщение:
Mortiis (26.04.2014)
  #328  
Старый 26.04.2014, 20:46
Svaroq Svaroq вне форума  
Форумчанин
 
Регистрация: 22.04.2011
Адрес: Санкт-Петербург
Сообщений: 1,156
Сказал(а) спасибо: 280
Поблагодарили 2,466 раз(а) в 517 сообщениях
Цитата:
Сообщение от SPolakov Посмотреть сообщение
Тонкий корпус - это сколько миллиметров по-вашему?!
Тот корпус, что мы осметили имеет всего 8.9мм толщины, есть возможности убрать ещё пару десятых миллиметра за счёт использования более тонких стёкол.
Плоский мех+цифер+стрелки - уже 5,4мм плюс необходимые зазоры до стёкол, плюс толщина самих стёкол..
При применении крышки на винтах можно отыграть ещё 0,4мм толщины, но это совсем другая, не самая лучшая компоновка..
всего да не всего в первую очеред он должен восприниматься как тонкий у вас же "борта" прямые что визуально увеличивает толщину да и 9 мм не так уж и тонко
Ответить с цитированием
  #329  
Старый 26.04.2014, 21:26
Аватар для SPolakov
SPolakov SPolakov вне форума  
Форумчанин
 
Регистрация: 31.03.2012
Адрес: Латвия
Сообщений: 521
Сказал(а) спасибо: 680
Поблагодарили 773 раз(а) в 229 сообщениях
Цитата:
Сообщение от Svaroq Посмотреть сообщение
всего да не всего в первую очеред он должен восприниматься как тонкий у вас же "борта" прямые что визуально увеличивает толщину да и 9 мм не так уж и тонко
Сколько в варианте с винтами?
__________________
...
Ответить с цитированием
  #330  
Старый 26.04.2014, 22:33
Аватар для SPolakov
SPolakov SPolakov вне форума  
Форумчанин
 
Регистрация: 31.03.2012
Адрес: Латвия
Сообщений: 521
Сказал(а) спасибо: 680
Поблагодарили 773 раз(а) в 229 сообщениях
Цитата:
Сообщение от SPolakov Посмотреть сообщение
Сколько в варианте с винтами?
Если расстояния между ушками у приведённого чертежа 22мм, то толшина корпуса равна 8мм, а длина корпуса по ушкам 53мм - идентична, т.е. разница в толщине у проектов всего 0,9мм (при всём при этом задняя крышка у меня винтовая).

Как я уже говорил, можно убрать ещё 0,2мм за счёт утоньшения лобового стекла (фронтальное заложено 1,2мм).
__________________
...
Ответить с цитированием
Ответ


Быстрый переход

Похожие темы
Тема Автор Раздел Ответов Последнее сообщение
Механизм Молния в сравнении с Unitas 6497 marko О часовых механизмах 11 25.02.2013 01:22


Часовой пояс UTC +3, время: 13:18.