Vacheron Constantin на проверку оригинальности - Страница 2 - Часовой форум Watch.ru
 
Вернуться назад   Часовой форум Watch.ru > Отзывы и информация для покупателей > Подделки часов, "копии часов"
Регистрация | Забыли пароль?

Подделки часов, "копии часов"

Закрытая тема
 
Опции темы
  #11  
Старый 27.12.2015, 22:37
Megane Megane вне форума  
Новичок
 
Регистрация: 27.12.2015
Адрес: Санкт Петербург
Сообщений: 4
Сказал(а) спасибо: 0
Поблагодарили 0 раз(а) в 0 сообщениях
Корпус проверяли в ювелирке, мне как обычному человеку они похожи по цвету вот и написала
  #12  
Старый 27.12.2015, 22:45
Аватар для Dimon Krivdin
Dimon Krivdin Dimon Krivdin вне форума  
Форумчанин
 
Регистрация: 31.05.2014
Адрес: Россия,г.Курск
Сообщений: 10,681
Сказал(а) спасибо: 304
Поблагодарили 106 раз(а) в 71 сообщениях
Цитата:
Сообщение от tapoka Посмотреть сообщение
Знаем мы этих ювелиров.
Эти ювелиры бы не ошиблись.На зуб проверили бы ,лучше чем хим. анализ .
У них с рождения молочные зубы прорезаются золотые.
Эти 2 пользователей сказали Спасибо! Dimon Krivdin за это сообщение:
Alex01061979 (28.12.2015), Jsover (30.12.2015)
  #13  
Старый 27.12.2015, 22:49
Аватар для Lucian
Lucian Lucian вне форума  
Moderator
 
Регистрация: 22.10.2010
Адрес: ☯
Сообщений: 6,206
Сказал(а) спасибо: 1,053
Поблагодарили 8,460 раз(а) в 3,726 сообщениях
Цитата:
Сообщение от Megane Посмотреть сообщение
Корпус золото, и механизм тоже. Это подтвердили ювелиры. Как может тогда это быть подделкой?
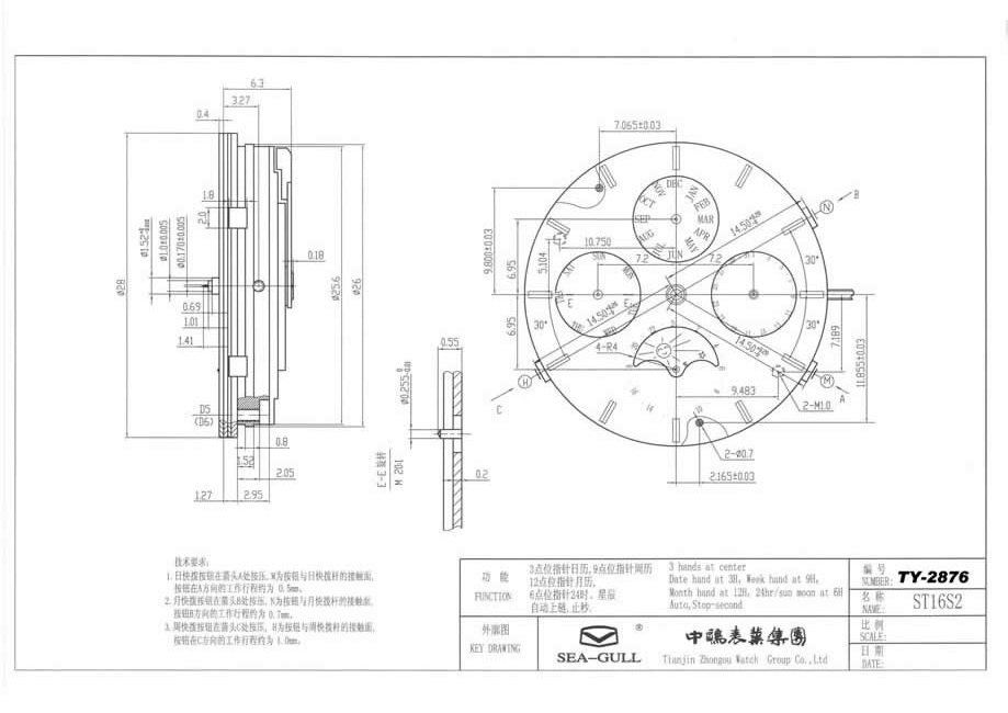
Опять эта старая добрая сказка... На ваших фото - недорогая китайская подделка за ~$50 с китайским механизмом TY2876. Корпус часов и механизм покрыты максимум нитридом титана. Если вам где-то предлагают сдать это изделие по цене лома золота, то ни секунды не раздумывайте. Заодно и адресок сей волшебной ювелирной конторы форумчанам подскажите... Туда не зарастет народная тропа! (с)
Миниатюры
Нажмите на изображение для увеличения
Название: TY-2876.jpg
Просмотров: 524
Размер:	118.2 Кб
ID:	1242527  
Эти 12 пользователей сказали Спасибо! Lucian за это сообщение:
Dimon Krivdin (27.12.2015), Grey Goose (29.12.2015), jonlok (28.12.2015), Jsover (30.12.2015), Leonid1960 (29.12.2015), ltybcrf (28.12.2015), pantagruel (03.01.2016), probneg (28.12.2015), realvugluskro (28.12.2015), Salewan (29.12.2015), Sportster (05.01.2016), Zlenki (01.01.2016)
  #14  
Старый 28.12.2015, 12:26
Аватар для TOTAC
TOTAC TOTAC вне форума  
Форумчанин
 
Регистрация: 23.01.2012
Адрес: ISRAEL
Сообщений: 6,791
Сказал(а) спасибо: 19,216
Поблагодарили 10,861 раз(а) в 3,809 сообщениях
Ещё одна история про изнасилование добавилась в копилку розового раздела
Эти 7 пользователей сказали Спасибо! TOTAC за это сообщение:
Alexandria (28.12.2015), Butchara (29.12.2015), DimitrijN (28.12.2015), Ethan D (29.12.2015), FreeezzzZ (29.12.2015), Leonid1960 (29.12.2015), Seiko 910068 (28.12.2015)
  #15  
Старый 28.12.2015, 16:52
Аватар для Ilya077
Ilya077 Ilya077 вне форума  
Форумчанин
 
Регистрация: 09.11.2011
Адрес: Россия Москва
Сообщений: 163
Сказал(а) спасибо: 26
Поблагодарили 22 раз(а) в 19 сообщениях
Чудное золото берем на рынке 10$ кг. продаем в ювелирке по 10$ за грамм прибыли 1000%
  #16  
Старый 28.12.2015, 17:08
oxotin oxotin вне форума  
Форумчанин
 
Регистрация: 28.12.2011
Адрес: москва
Сообщений: 409
Сказал(а) спасибо: 110
Поблагодарили 224 раз(а) в 144 сообщениях
Цитата:
Сообщение от Ilya077 Посмотреть сообщение
Чудное золото берем на рынке 10$ кг. продаем в ювелирке по 10$ за грамм прибыли 1000%
Точнее 50 000%)))
Этот пользователь сказал Спасибо! oxotin за это сообщение:
Ilya077 (30.12.2015)
  #17  
Старый 28.12.2015, 17:42
Hunt27 Hunt27 вне форума  
Новичок
 
Регистрация: 19.07.2014
Адрес: Россия
Сообщений: 57
Сказал(а) спасибо: 6
Поблагодарили 24 раз(а) в 15 сообщениях
Не те ли часы, и не та ли эта опять история где "...мужу на работе уже 300 тыщ предлагали.." .)))
  #18  
Старый 29.12.2015, 17:08
-=Roman=- -=Roman=- вне форума  
Временно заблокирован | Temporarily blocked
 
Регистрация: 28.07.2009
Адрес: Житомир
Сообщений: 1,712
Сказал(а) спасибо: 1,895
Поблагодарили 1,423 раз(а) в 500 сообщениях
ТС - наивный человек. В интернет-объявлениях много таких людей. Продают китайский хлам за тысячи долларов и доказать им ничего невозможно.
  #19  
Старый 29.12.2015, 19:08
Аватар для babay78
babay78 babay78 вне форума  
Форумчанин
 
Регистрация: 12.01.2009
Адрес: Москва, Дорогомилово
Сообщений: 2,042
Сказал(а) спасибо: 372
Поблагодарили 2,262 раз(а) в 934 сообщениях
Обманули Вас, девушка... Сожалею.
__________________
Тот еще пряник.
  #20  
Старый 29.12.2015, 20:19
Salewan Salewan вне форума  
Форумчанин
 
Регистрация: 08.06.2011
Адрес: EU
Сообщений: 2,180
Сказал(а) спасибо: 1,422
Поблагодарили 3,935 раз(а) в 520 сообщениях
Цитата:
Сообщение от Megane Посмотреть сообщение
но с белым экраном. Может кто сталкивался с такими?
Про экран понравилось)
Этот пользователь сказал Спасибо! Salewan за это сообщение:
Parusnik (02.01.2016)
Закрытая тема


Быстрый переход

Похожие темы
Тема Автор Раздел Ответов Последнее сообщение
Cartier и Vacheron Constantin на проверку оригинальности Hoharuwka Подделки часов, "копии часов" 14 17.01.2020 11:04
Несколько часов на проверку: Descarles Swiss, Rado Jubile, Visa Quartz Japan и Cartier Cooper1974 Что за часы? Сколько стоят эти часы? 5 14.11.2016 22:08
Определение оригинальности Vacheron Constantin vitalik8513 Подделки часов, "копии часов" 4 02.04.2013 15:24
Оригинальность Vacheron Constantin vikylina Подделки часов, "копии часов" 7 01.09.2011 00:41
Определение оригинальности Vacheron Constantin без серийного номера vladimir12 Подделки часов, "копии часов" 9 27.06.2011 14:57


Часовой пояс UTC +3, время: 01:04.