Полярность конденсаторов - Страница 2 - Часовой форум Watch.ru
 
Вернуться назад   Часовой форум Watch.ru > Ремонт часов, обслуживание часов > Ремонт часов и обслуживание
Регистрация | Забыли пароль?

Ремонт часов и обслуживание

Всё о ремонте часов и обслуживании часов, часовое оборудование.
Ответ
 
Опции темы
  #11  
Старый 17.05.2015, 03:11
Аватар для mishinmaster
mishinmaster mishinmaster вне форума  
Форумчанин
 
Регистрация: 11.08.2009
Адрес: город Днепр
Сообщений: 2,425
Сказал(а) спасибо: 948
Поблагодарили 1,463 раз(а) в 925 сообщениях
На этих кондерах полярность помечена с торца на пластмассе "откуда ноги растут", в данном случае правильно подсказали, оба плюсами внутрь.
Ответить с цитированием
Этот пользователь сказал Спасибо! mishinmaster за это сообщение:
Cursant (17.05.2015)
  #12  
Старый 18.05.2015, 11:15
Аватар для Cursant
Cursant Cursant вне форума  
Форумчанин
 
Регистрация: 31.03.2014
Адрес: Волгоград
Сообщений: 241
Сказал(а) спасибо: 141
Поблагодарили 64 раз(а) в 35 сообщениях
Конденсаторы заменил. Подключаю батарейку и диски с магнитами смещаются на некоторый угол. После этого пытаюсь раскрутить диски, они колеблются некоторое время и останавливаются. Может микросхема сдохла.
__________________
Acta est fabula!
Ответить с цитированием
  #13  
Старый 18.05.2015, 12:21
Аватар для Steel56
Steel56 Steel56 вне форума  
Форумчанин
 
Регистрация: 21.02.2010
Адрес: Украина
Сообщений: 138
Сказал(а) спасибо: 5
Поблагодарили 53 раз(а) в 35 сообщениях
Может у вас клинит сам механизм. Уберите всю колёсную систему. Оставьте только приставку и маятник, подсоедените батарейку. Если ничего не изменится ищите причину в приставке.
Ответить с цитированием
Этот пользователь сказал Спасибо! Steel56 за это сообщение:
Cursant (18.05.2015)
  #14  
Старый 18.05.2015, 20:26
Аватар для Cursant
Cursant Cursant вне форума  
Форумчанин
 
Регистрация: 31.03.2014
Адрес: Волгоград
Сообщений: 241
Сказал(а) спасибо: 141
Поблагодарили 64 раз(а) в 35 сообщениях
Вынужден с прискорбием сообщить, что пациент после замены органов не подаёт признаков жизни. Получается либо так запущена болезнь либо я не опытный доктор.

R.I.P.
__________________
Acta est fabula!
Ответить с цитированием
  #15  
Старый 18.05.2015, 22:25
izyskatel izyskatel вне форума  
Новичок
 
Регистрация: 27.11.2014
Адрес: РФ
Сообщений: 43
Сказал(а) спасибо: 57
Поблагодарили 14 раз(а) в 13 сообщениях
Как ведет себя баланс без колесной системы?
Ответить с цитированием
  #16  
Старый 18.05.2015, 22:26
Аватар для siealex
siealex siealex вне форума  
Форумчанин
 
Регистрация: 09.02.2010
Адрес: Украина, Харьков
Сообщений: 19,507
Сказал(а) спасибо: 2,576
Поблагодарили 8,037 раз(а) в 5,818 сообщениях
Цитата:
Подключаю батарейку и диски с магнитами смещаются на некоторый угол.
Два варианта - либо обрыв или несоответствующая ёмкость маленького конденсатора (много меньше нормы), либо обрыв входной катушки.
__________________
CASIO! W38 57 59 84 86 87 92 93 96(2) 211 212 217 725 727(2) 728 729 733 735 740 751 752 753 755 756 800 W-E10 11 WL-S21 WS-100 210 220 WV-58 59 WVA104 106 B612 816 F84 85 91(13) 105 200 201A F-V1 A151 158 159(2) 162 163 168(3) 178 200(2) 210 220 680 AQ140 160(2) 180 450 AB30 ABX68 AW22 24 44 60 80(3) 81 82 AQ-E10 AW-E10 AW-S90 AE220 1000 1100 1500 3000 AL180 DB34 35 36 DBC32 610 DB-E30 CA53 503 EF317 321 500(2) EFA107 115 118 120 131 WEF116 EFD102 MDV501 BEM501 MSY500 OC502 M22 MDA-S11 MTD1014 MTF108 LA670(2) LW22 FT200 600 SGT100 HDD600 CPW500(2) CPA100 SPS300 STR500 TRI20 DW260 295 650 5600 6600 6900 G1700 2900 3110 3200 7700 GA100(2) 110 400 SPF70 CHR100 RFT100 STB1000 TIC10 BG3002 SFX10 JP200
Ответить с цитированием
  #17  
Старый 18.05.2015, 23:04
Аватар для Cursant
Cursant Cursant вне форума  
Форумчанин
 
Регистрация: 31.03.2014
Адрес: Волгоград
Сообщений: 241
Сказал(а) спасибо: 141
Поблагодарили 64 раз(а) в 35 сообщениях
Без электронного блока с толчка баланс колеблится уверенно долго с медленным затуханием колебаний. К этому узлу притензий нет, всё дело в электродетелях.
Конденсаторы, если не бракованые, по ёмкости нормальные, а вот за обрыв катушки уже не уверен. Может при выпаивани кондёров и повредил проволочки катушки а как потом исправить.
P.S. Собственно весь этот ремонт не более чем зарядка для ума. Получится-хорошо, не получится тоже результат.
__________________
Acta est fabula!
Ответить с цитированием
  #18  
Старый 18.05.2015, 23:17
izyskatel izyskatel вне форума  
Новичок
 
Регистрация: 27.11.2014
Адрес: РФ
Сообщений: 43
Сказал(а) спасибо: 57
Поблагодарили 14 раз(а) в 13 сообщениях
Уберите ходовое колесо и проверьте работу баланса с эл. блоком. Кстати, профессионалы подскажите, в каких точках мерить сопротивление одной и другой катушки на данной плате? Какое должно быть сопротивление?
Ответить с цитированием
  #19  
Старый 19.05.2015, 00:33
Аватар для Steel56
Steel56 Steel56 вне форума  
Форумчанин
 
Регистрация: 21.02.2010
Адрес: Украина
Сообщений: 138
Сказал(а) спасибо: 5
Поблагодарили 53 раз(а) в 35 сообщениях
Цитата:
Сообщение от izyskatel Посмотреть сообщение
Уберите ходовое колесо и проверьте работу баланса с эл. блоком. Кстати, профессионалы подскажите, в каких точках мерить сопротивление одной и другой катушки на данной плате? Какое должно быть сопротивление?
Скачайте книгу Л.В. Шуманова "Ремонт крупногабаритных электронно-механических часов и будильников" может там найдёте ответ.
Ответить с цитированием
Эти 2 пользователей сказали Спасибо! Steel56 за это сообщение:
Cursant (19.05.2015), izyskatel (19.05.2015)
  #20  
Старый 19.05.2015, 00:48
DGReimer DGReimer вне форума  
Форумчанин
 
Регистрация: 27.11.2012
Адрес: РФ, Ивановская обл.
Сообщений: 374
Сказал(а) спасибо: 163
Поблагодарили 218 раз(а) в 142 сообщениях
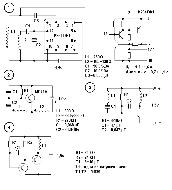
Вот картинка.
Миниатюры
Нажмите на изображение для увеличения
Название: el_meh_hasy.gif
Просмотров: 591
Размер:	11.2 Кб
ID:	1013468  
Ответить с цитированием
Этот пользователь сказал Спасибо! DGReimer за это сообщение:
izyskatel (19.05.2015)
Ответ


Быстрый переход


Часовой пояс UTC +3, время: 01:40.