Механизм в реплике Rolex - Часовой форум Watch.ru
 
Вернуться назад   Часовой форум Watch.ru > Отзывы и информация для покупателей > Подделки часов, "копии часов"
Регистрация | Забыли пароль?

Подделки часов, "копии часов"

Ответ
 
Опции темы
  #1  
Старый 16.09.2018, 20:44
Landi6 Landi6 вне форума  
Новичок
 
Регистрация: 16.09.2018
Адрес: Riga
Сообщений: 2
Сказал(а) спасибо: 2
Поблагодарили 0 раз(а) в 0 сообщениях
Механизм в реплике Rolex

Здравствуйте, подскажите пожалуйста, в этой реплике часов Rolex Submariner установлен швейцарский механизм ETA 2836, или его китайская копия?
Или это вообще не ETA 2836?
Буду рад услышать Ваши комментарии и замечания по указанным вопросам.
Миниатюры
Нажмите на изображение для увеличения
Название: 41647148_1835708823183090_7728713582371667968_n.jpg
Просмотров: 1612
Размер:	212.5 Кб
ID:	2322760   Нажмите на изображение для увеличения
Название: 41804320_257373711581660_7344060971381424128_n.jpg
Просмотров: 1266
Размер:	219.4 Кб
ID:	2322761   Нажмите на изображение для увеличения
Название: 41824743_274024133240161_5682779939254829056_n.jpg
Просмотров: 1257
Размер:	195.7 Кб
ID:	2322762   Нажмите на изображение для увеличения
Название: 41842573_480015105848551_2053639278302330880_n.jpg
Просмотров: 1156
Размер:	298.5 Кб
ID:	2322763   Нажмите на изображение для увеличения
Название: 41856523_726410677692397_6039981167988441088_n.jpg
Просмотров: 1170
Размер:	265.3 Кб
ID:	2322764   Нажмите на изображение для увеличения
Название: 41962000_245442906170276_7217694246030016512_n.jpg
Просмотров: 1008
Размер:	269.9 Кб
ID:	2322765   Нажмите на изображение для увеличения
Название: 41985830_556158221487874_3728215961514278912_n (1).jpg
Просмотров: 1255
Размер:	259.6 Кб
ID:	2322766  
Ответить с цитированием
  #2  
Старый 16.09.2018, 21:01
Аватар для ultarior
ultarior ultarior вне форума  
Форумчанин
 
Регистрация: 19.08.2011
Адрес: РФ, Люберцы МО
Сообщений: 15,201
Сказал(а) спасибо: 16,771
Поблагодарили 24,457 раз(а) в 7,778 сообщениях
если даже без клейм то клон. то есть не ETA. копий ETA с 100% заменяемостью деталей на моей памяти нет.

да и есть ли разница? реплика она и есть реплика.
в случае покупки ролекса вы покупаете хорошие часы и ролекс.
в случае покупки реплики вы покупаете какие-то часы и всё. часто при этом "какие-то" часы вам продают раза в 4 дороже их стоимости.
ролекса же вы не покупаете вообще.
__________________
Спасибо, что не удаляете историю переписки в сообщениях почты и ЛС!
Спасибо, что не хостите фотографии на сторонних хостах!
Ответить с цитированием
Эти 10 пользователей сказали Спасибо! ultarior за это сообщение:
cvstos-r (15.06.2019), dwasdwas (17.09.2018), fedornagan (02.10.2018), Kuzma8246 (05.10.2018), Landi6 (16.09.2018), Limonad (30.09.2018), oldfox (01.10.2018), pomerancev (01.10.2018), taxamata (30.09.2018), userplace (26.09.2018)
  #3  
Старый 16.09.2018, 21:06
Аватар для sauzzza
sauzzza sauzzza вне форума  
Форумчанин
 
Регистрация: 26.05.2016
Адрес: Москва
Сообщений: 1,247
Сказал(а) спасибо: 693
Поблагодарили 1,298 раз(а) в 617 сообщениях
Seagull st2130
Ответить с цитированием
  #4  
Старый 16.09.2018, 21:24
Аватар для Lucian
Lucian Lucian вне форума  
Moderator
 
Регистрация: 22.10.2010
Адрес: ☯
Сообщений: 6,205
Сказал(а) спасибо: 1,053
Поблагодарили 8,460 раз(а) в 3,726 сообщениях
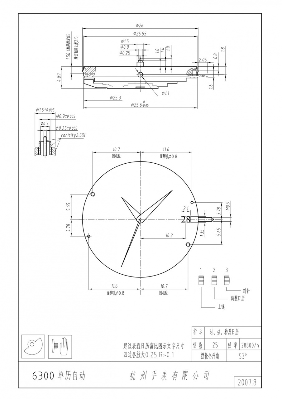
В подделке на фото ТС установлен китайский механизм Hanghzou 6311.
Ответить с цитированием
Этот пользователь сказал Спасибо! Lucian за это сообщение:
fedornagan (02.10.2018)
  #5  
Старый 16.09.2018, 21:50
Аватар для Dmitry original
Dmitry original Dmitry original вне форума  
Форумчанин
 
Регистрация: 10.12.2013
Адрес: Москва
Сообщений: 602
Сказал(а) спасибо: 136
Поблагодарили 789 раз(а) в 345 сообщениях
Цитата:
Сообщение от Lucian Посмотреть сообщение
В подделке на фото ТС установлен китайский механизм Hanghzou 6311.
Вряд ли.
Корпус фейка — копия Submariner, что за модель с день-дата? Там с вероятностью 99,9% только дата. Hangzhou 6300 скорее.
В любом случае, клейм нет = мех китайская отбраковка.
Ответить с цитированием
  #6  
Старый 16.09.2018, 21:52
vangraaf vangraaf вне форума  
Новичок
 
Регистрация: 12.09.2018
Адрес: pol
Сообщений: 23
Сказал(а) спасибо: 21
Поблагодарили 48 раз(а) в 18 сообщениях
Цитата:
Сообщение от ultarior Посмотреть сообщение
если даже без клейм то клон. то есть не ETA. копий ETA с 100% заменяемостью деталей на моей памяти нет.

да и есть ли разница? реплика она и есть реплика.
в случае покупки ролекса вы покупаете хорошие часы и ролекс.
в случае покупки реплики вы покупаете какие-то часы и всё. часто при этом "какие-то" часы вам продают раза в 4 дороже их стоимости.
ролекса же вы не покупаете вообще.
Т.е. это китайское(1), должно стоить как это японское(2).

А что , интересно вот такое(3)
Миниатюры
Нажмите на изображение для увеличения
Название: 000.jpg
Просмотров: 1080
Размер:	254.8 Кб
ID:	2322804   Нажмите на изображение для увеличения
Название: 00.jpg
Просмотров: 961
Размер:	179.0 Кб
ID:	2322806   Нажмите на изображение для увеличения
Название: 01.jpg
Просмотров: 1125
Размер:	273.9 Кб
ID:	2322807  
Ответить с цитированием
  #7  
Старый 16.09.2018, 22:01
Dé Boucher Dé Boucher вне форума  
Временно заблокирован | Temporarily blocked
 
Регистрация: 05.03.2008
Адрес: De La Ville Cul-de-Sac
Сообщений: 8,388
Сказал(а) спасибо: 6,523
Поблагодарили 21,588 раз(а) в 9,298 сообщениях
Цитата:
Сообщение от Landi6 Посмотреть сообщение
или его китайская копия?
https://www.borealiswatch.com/hangzh...-gmt-movement/
Ответить с цитированием
  #8  
Старый 16.09.2018, 22:32
Аватар для Lucian
Lucian Lucian вне форума  
Moderator
 
Регистрация: 22.10.2010
Адрес: ☯
Сообщений: 6,205
Сказал(а) спасибо: 1,053
Поблагодарили 8,460 раз(а) в 3,726 сообщениях
Цитата:
Сообщение от Dmitry original Посмотреть сообщение
Вряд ли.
Корпус фейка — копия Submariner, что за модель с день-дата? Там с вероятностью 99,9% только дата. Hangzhou 6300 скорее.
Туда ставят именно 6311 и 6460 (для GMT). Связано с размерами механизмов - у этих двух механизмов они одинаковые, т.е. универсальность. А у 6300 они отличаются, поэтому не ставят - чтобы не заморачиваться.

Дырка на цифере, понятное дело, только одна - для даты.
Миниатюры
Нажмите на изображение для увеличения
Название: Hanghzou 6460.jpg
Просмотров: 607
Размер:	169.7 Кб
ID:	2322840   Нажмите на изображение для увеличения
Название: Hangzhou 6300.jpg
Просмотров: 555
Размер:	174.9 Кб
ID:	2322841  
Ответить с цитированием
Эти 5 пользователей сказали Спасибо! Lucian за это сообщение:
Dé Boucher (16.09.2018), Dimause (17.09.2018), Dmitry original (17.09.2018), dwasdwas (30.09.2018), Landi6 (17.09.2018)
  #9  
Старый 17.09.2018, 13:00
Landi6 Landi6 вне форума  
Новичок
 
Регистрация: 16.09.2018
Адрес: Riga
Сообщений: 2
Сказал(а) спасибо: 2
Поблагодарили 0 раз(а) в 0 сообщениях
Спасибо, что помогли разобраться.
Ответить с цитированием
  #10  
Старый 30.09.2018, 12:15
Аватар для taxamata
taxamata taxamata вне форума  
Форумчанин
 
Регистрация: 20.08.2011
Адрес: Moscow Russia
Сообщений: 4,389
Сказал(а) спасибо: 11,452
Поблагодарили 20,172 раз(а) в 3,020 сообщениях
прочитал статью,
http://www.cheaprolexeternal.co.uk
прихожу к мысли: покупать R с рук и без доков, пустое дело
или с покупателем сразу в часовую мастерскую на вскрытие.
продавец фейка не пойдет, но есть ребята с подделками убежденные, что их Rol настоящий.
в любом случае надо слушать движение маятника и завод пружины
у эта, эта-клонов и настоящего калибра они разные
Ответить с цитированием
Этот пользователь сказал Спасибо! taxamata за это сообщение:
oldfox (01.10.2018)
Ответ

Опции темы

Быстрый переход

Похожие темы
Тема Автор Раздел Ответов Последнее сообщение
Механизм Rolex Evgeniy12 Rolex 4 03.12.2019 20:20
Как найти ось завода к реплике Tag Heuer WJ1110-0 sq4820 Antonimus Подделки часов, "копии часов" 13 20.09.2011 06:08
Что вы думаете об этой реплике часов Calvin Klein Maksonets Подделки часов, "копии часов" 19 03.07.2011 21:40


Часовой пояс UTC +3, время: 13:36.