sinix плата маятника - Часовой форум Watch.ru
 
Вернуться назад   Часовой форум Watch.ru > Ремонт часов, обслуживание часов > Ремонт часов и обслуживание
Регистрация | Забыли пароль?

Ремонт часов и обслуживание

Всё о ремонте часов и обслуживании часов, часовое оборудование.
Ответ
 
Опции темы
  #1  
Старый 02.12.2015, 13:57
Bionder Bionder вне форума  
Новичок
 
Регистрация: 02.12.2015
Адрес: Москва
Сообщений: 4
Сказал(а) спасибо: 0
Поблагодарили 1 раз в 1 сообщении
sinix плата маятника

Добрый день приобрел большие часы Синикс с маятником. Маятник не качается проблема в плате, на прозвон оказалась проблема в катушке.
Подскажите как возможно их починить. Заранее спасибо.
Миниатюры
Нажмите на изображение для увеличения
Название: IMG_20151116_191812.jpg
Просмотров: 742
Размер:	235.4 Кб
ID:	1212707   Нажмите на изображение для увеличения
Название: IMG_20151116_191822.jpg
Просмотров: 847
Размер:	370.5 Кб
ID:	1212708  
Ответить с цитированием
  #2  
Старый 02.12.2015, 14:15
nevenbekriev nevenbekriev вне форума  
Форумчанин
 
Регистрация: 21.03.2015
Адрес: Варна, Болгария
Сообщений: 2,685
Сказал(а) спасибо: 611
Поблагодарили 3,607 раз(а) в 1,611 сообщениях
Если могу сказать свое мнение, то лучше етот маятник уберите и сразу в мусор выбросьте. Он только сажает батарейки, а люди, которые разбираются в настенные часы, отвращаются такими имитациями...

Если все таки нужно привести в движение, значит нужно сделать новую катушку. Ее сопротивление должно быть нескольких килоомов... На много легче купить новый механизм для маятника из китайского магазина.
Ответить с цитированием
Этот пользователь сказал Спасибо! nevenbekriev за это сообщение:
siealex (02.12.2015)
  #3  
Старый 02.12.2015, 14:23
Bionder Bionder вне форума  
Новичок
 
Регистрация: 02.12.2015
Адрес: Москва
Сообщений: 4
Сказал(а) спасибо: 0
Поблагодарили 1 раз в 1 сообщении
Цитата:
Сообщение от nevenbekriev Посмотреть сообщение
Если могу сказать свое мнение, то лучше етот маятник уберите и сразу в мусор выбросьте. Он только седает батареек, а люди, которые разбираются в настенные часы, отвращаются такими имитациями...

Если все таки нужно привести в движение, значит нужно сделать новую катушку. Ее сопротивление должно быть нескольких килоомов... На много легче купить новый механизм для маятника из китайского магазина.
1. Ну... Когда приглашу людей, которые разбираются в часах буду их завешивать.

2. Гуглил долго и упорно, не смог найти в сборе плату .
Ответить с цитированием
Этот пользователь сказал Спасибо! Bionder за это сообщение:
nevenbekriev (02.12.2015)
  #4  
Старый 02.12.2015, 15:58
Аватар для siealex
siealex siealex вне форума  
Форумчанин
 
Регистрация: 09.02.2010
Адрес: Украина, Харьков
Сообщений: 19,508
Сказал(а) спасибо: 2,576
Поблагодарили 8,037 раз(а) в 5,818 сообщениях
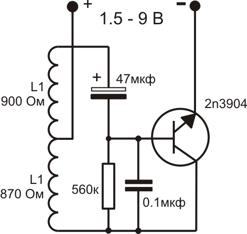
А что тут за схема кстати? Судя по одному транзистору, скорее всего такая же, как в будильнике Слава.
__________________
CASIO! W38 57 59 84 86 87 92 93 96(2) 211 212 217 725 727(2) 728 729 733 735 740 751 752 753 755 756 800 W-E10 11 WL-S21 WS-100 210 220 WV-58 59 WVA104 106 B612 816 F84 85 91(13) 105 200 201A F-V1 A151 158 159(2) 162 163 168(3) 178 200(2) 210 220 680 AQ140 160(2) 180 450 AB30 ABX68 AW22 24 44 60 80(3) 81 82 AQ-E10 AW-E10 AW-S90 AE220 1000 1100 1500 3000 AL180 DB34 35 36 DBC32 610 DB-E30 CA53 503 EF317 321 500(2) EFA107 115 118 120 131 WEF116 EFD102 MDV501 BEM501 MSY500 OC502 M22 MDA-S11 MTD1014 MTF108 LA670(2) LW22 FT200 600 SGT100 HDD600 CPW500(2) CPA100 SPS300 STR500 TRI20 DW260 295 650 5600 6600 6900 G1700 2900 3110 3200 7700 GA100(2) 110 400 SPF70 CHR100 RFT100 STB1000 TIC10 BG3002 SFX10 JP200
Ответить с цитированием
  #5  
Старый 02.12.2015, 15:59
Bionder Bionder вне форума  
Новичок
 
Регистрация: 02.12.2015
Адрес: Москва
Сообщений: 4
Сказал(а) спасибо: 0
Поблагодарили 1 раз в 1 сообщении
Цитата:
Сообщение от siealex Посмотреть сообщение
А что тут за схема кстати? Судя по одному транзистору, скорее всего такая же, как в будильнике Слава.
типа этой
Миниатюры
Нажмите на изображение для увеличения
Название: post-172266-0-86894000-1371818686.jpg
Просмотров: 998
Размер:	56.2 Кб
ID:	1212905  
Ответить с цитированием
  #6  
Старый 02.12.2015, 21:15
Аватар для 4MASTER
4MASTER 4MASTER вне форума  
Форумчанин
 
Регистрация: 25.03.2013
Адрес: Latvija
Сообщений: 3,210
Сказал(а) спасибо: 181
Поблагодарили 1,164 раз(а) в 984 сообщениях
Можете поискать у часовщиков такои блок (от эл\м янтаря) очень похожа даже конденсатора 2 .
Ответить с цитированием
  #7  
Старый 03.12.2015, 02:36
Аватар для Андрей Крукович
Андрей Крукович Андрей Крукович вне форума  
Moderator
 
Регистрация: 07.04.2006
Адрес: Петропавловск-Камчатский
Сообщений: 9,926
Сказал(а) спасибо: 2,474
Поблагодарили 7,328 раз(а) в 3,652 сообщениях
Цитата:
Сообщение от 4MASTER Посмотреть сообщение
Можете поискать у часовщиков такои блок (от эл\м янтаря) очень похожа даже конденсатора 2 .
У него обрыв в катушке.


Тут или перематывать катушку, или по совету ув.nevenbekriev покупать другой механизм в сборе.
Ответить с цитированием
  #8  
Старый 03.12.2015, 02:46
Аватар для 4MASTER
4MASTER 4MASTER вне форума  
Форумчанин
 
Регистрация: 25.03.2013
Адрес: Latvija
Сообщений: 3,210
Сказал(а) спасибо: 181
Поблагодарили 1,164 раз(а) в 984 сообщениях
И что мешает поставить весь блок от янтаря?
Ответить с цитированием
  #9  
Старый 03.12.2015, 03:01
Аватар для Андрей Крукович
Андрей Крукович Андрей Крукович вне форума  
Moderator
 
Регистрация: 07.04.2006
Адрес: Петропавловск-Камчатский
Сообщений: 9,926
Сказал(а) спасибо: 2,474
Поблагодарили 7,328 раз(а) в 3,652 сообщениях
Цитата:
Сообщение от 4MASTER Посмотреть сообщение
И что мешает поставить весь блок от янтаря?
Наверно размеры катушки, этак раз в пять.


Bionder
Какие точные размеры катушки? К примеру на простеньких механизмах с разными вертушками - диаметр 19.5 мм, толщина 6 мм.
Ответить с цитированием
  #10  
Старый 03.12.2015, 09:25
nevenbekriev nevenbekriev вне форума  
Форумчанин
 
Регистрация: 21.03.2015
Адрес: Варна, Болгария
Сообщений: 2,685
Сказал(а) спасибо: 611
Поблагодарили 3,607 раз(а) в 1,611 сообщениях
Может не вся катушка оборвана, а только одна ее половина. В таком случаее думаю, что будет возможно преработать схему как у советских електромеханических часов с одинарной катушкой. Думаю, что ТС в транзисторах разбирается и для него проблем не будет...
Ответить с цитированием
Ответ

Опции темы

Быстрый переход

Похожие темы
Тема Автор Раздел Ответов Последнее сообщение
Электроника 5. Плата после окислов. bjiag0 Электроника 11 11.12.2013 02:06
Часы SINIX alik1961 Интерьерные часы 0 27.03.2011 19:05
Плата механизма для Appella aruy Ремонт часов и обслуживание 28 31.10.2010 02:01
Кварцевая плата ETA 955 412 = ETA 955 112? element Ремонт часов и обслуживание 14 03.05.2010 20:41


Часовой пояс UTC +3, время: 03:31.