О куртках Barbour - 2 - Страница 190 - Часовой форум Watch.ru
 
Вернуться назад   Часовой форум Watch.ru > Хобби и увлечения > Классический мужской стиль
Регистрация | Забыли пароль?

Классический мужской стиль

Текущий рейтинг темы — 
Ответ
 
Опции темы
  #1891  
Старый 18.03.2019, 02:17
Аватар для FlinttoyZ
FlinttoyZ FlinttoyZ вне форума  
Новичок
 
Регистрация: 15.09.2017
Адрес: Москва
Сообщений: 48
Сказал(а) спасибо: 39
Поблагодарили 294 раз(а) в 71 сообщениях
Цитата:
Сообщение от паа Посмотреть сообщение
пара вопросов,
а) при нанесении воска губкой, на подклад эта субстанция не вылезает?
б) на новых куртках, из достаточно легких тканей, воска кот наплакал - это экономят так или пульверизатором с расстояния в километр пшикают в микродозах)?
а) Все зависит от кол-ва наносимого воска, применяемого усилия, плотности ткани и температуры стола/фена. Собственно сама ткань разработана с целью удерживать максимальное кол-во нанесенной пропитки. Но к нам приносят куртки, в которые умудрились вогнать две банки воска и некоторая его часть вышла на подкладку.
б) Если речь идет о серии lightweight, то все дело просто в плотности ткани. Пропитку наносят на ткань еще на мануфактуре, задолго до того как из него пошьют куртку. Чем тоньше ткань, тем меньше там воска, тем чаще таким изделиям требуется ревакс.
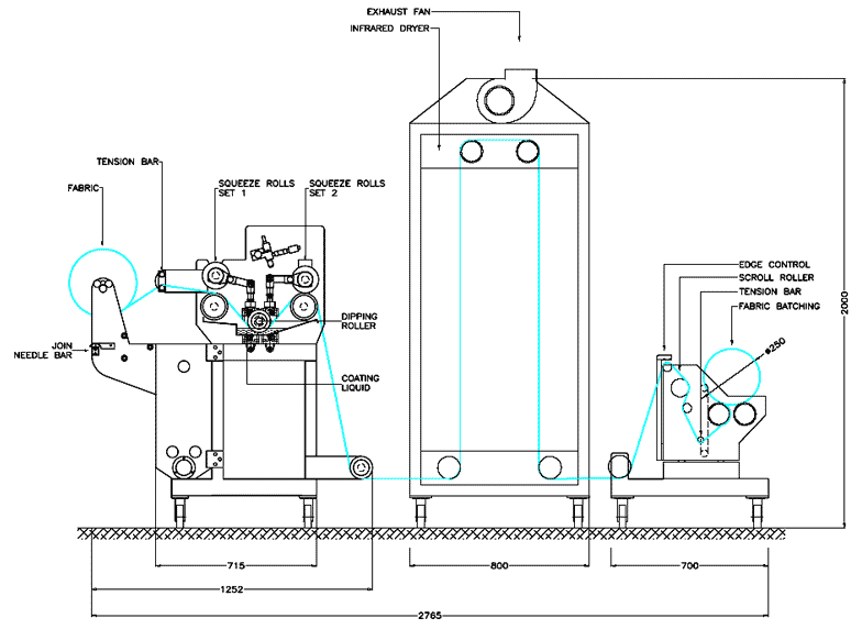
В "двух словах" процесс нанесения пропитки выглядит следующим образом: ткань проходит через ванну с пропиткой, отжимные валы, выравнивающие валы, натяжные валы, сушильный шкаф, снова серия валов и в рулон.
Миниатюры
Нажмите на изображение для увеличения
Название: rimslow_wash_x_shema_1.gif
Просмотров: 146
Размер:	27.4 Кб
ID:	2517477  
__________________
Barbour, советы по уходу и содержанию.
Ответить с цитированием
Эти 3 пользователей сказали Спасибо! FlinttoyZ за это сообщение:
Horst88 (18.07.2019), never been abroad (18.03.2019), паа (18.03.2019)
  #1892  
Старый 18.03.2019, 11:01
Аватар для паа
паа паа вне форума  
Форумчанин
 
Регистрация: 19.03.2010
Адрес: Russia
Сообщений: 831
Сказал(а) спасибо: 2,050
Поблагодарили 2,126 раз(а) в 694 сообщениях
FlinttoyZ
Хотелось бы нанести по минимуму, из банки можно в распылитель загнать или еще какие-то варианты без губки?
Ответить с цитированием
  #1893  
Старый 18.03.2019, 13:00
Аватар для FlinttoyZ
FlinttoyZ FlinttoyZ вне форума  
Новичок
 
Регистрация: 15.09.2017
Адрес: Москва
Сообщений: 48
Сказал(а) спасибо: 39
Поблагодарили 294 раз(а) в 71 сообщениях
Цитата:
Сообщение от паа Посмотреть сообщение
FlinttoyZ
Хотелось бы нанести по минимуму, из банки можно в распылитель загнать или еще какие-то варианты без губки?
Или губка или тряпка. Я использую губку для мытья посуды, разрезанную на три части. Беру буквально каплю уголком губки, этого достаточно для обработки зоны размером с сигаретную пачку. Если по какой то причине на ткани оказалось воска больше чем необходимо, тут же убираю его бумажным полотенцем.
__________________
Barbour, советы по уходу и содержанию.
Ответить с цитированием
Этот пользователь сказал Спасибо! FlinttoyZ за это сообщение:
never been abroad (18.03.2019)
  #1894  
Старый 19.03.2019, 13:41
Аватар для FlinttoyZ
FlinttoyZ FlinttoyZ вне форума  
Новичок
 
Регистрация: 15.09.2017
Адрес: Москва
Сообщений: 48
Сказал(а) спасибо: 39
Поблагодарили 294 раз(а) в 71 сообщениях
тел Питерских стоков:
+7(812) 680-1685 Румба
+7(812) 703-4095 Капитолий
Сегодня туда уехала часть saple sale из офиса и немного из магазинов.
Основная поставка будет через пару недель, когда приедет новая коллекция.
__________________
Barbour, советы по уходу и содержанию.
Ответить с цитированием
Эти 2 пользователей сказали Спасибо! FlinttoyZ за это сообщение:
Alex. (19.03.2019), wako (19.03.2019)
  #1895  
Старый 19.03.2019, 17:02
Аватар для Alex.
Alex. Alex. вне форума  
Форумчанин
 
Регистрация: 14.02.2011
Адрес: Питер
Сообщений: 1,584
Сказал(а) спасибо: 2,368
Поблагодарили 3,960 раз(а) в 1,261 сообщениях
Не дождавшись saple sale посетил Румбу, вещей вроде полно, но ничего оригинального и интересного нет, лично для меня(((( Даже футболки всегда лежащие со Стивом раскупили. при этом цены на всЁ выше чем в последние два года
Но прикупил таки себе ботинки на весну осень в размере 11, показались боле-менее комфортными, что у Б. редкость, опять же по моим оЧучениям.
Качекство кожи, замши хорошее, отделки тж, должны неплохо стареть, единственное стельки никакущие, тонюсенькие, хотя и симпатичные но если вставить туда от Диадоры, то гораздо удобнее, но гдеж их взять?
В остальном, время покажет,, маде ин Португал, но местами Итал))
Миниатюры
Нажмите на изображение для увеличения
Название: 20190319_163317.jpg
Просмотров: 417
Размер:	337.4 Кб
ID:	2519513   Нажмите на изображение для увеличения
Название: 20190319_163413.jpg
Просмотров: 424
Размер:	297.4 Кб
ID:	2519514   Нажмите на изображение для увеличения
Название: 20190319_163515.jpg
Просмотров: 237
Размер:	288.4 Кб
ID:	2519515   Нажмите на изображение для увеличения
Название: 20190319_163546.jpg
Просмотров: 243
Размер:	432.8 Кб
ID:	2519516   Нажмите на изображение для увеличения
Название: 20190319_163727.jpg
Просмотров: 210
Размер:	250.1 Кб
ID:	2519517   Нажмите на изображение для увеличения
Название: 20190319_163737.jpg
Просмотров: 185
Размер:	155.6 Кб
ID:	2519518   Нажмите на изображение для увеличения
Название: 20190319_163428.jpg
Просмотров: 250
Размер:	287.4 Кб
ID:	2519519  
__________________
Для победителей нет мрачных дней..
Ответить с цитированием
Эти 2 пользователей сказали Спасибо! Alex. за это сообщение:
Colonel (19.03.2019), EasyRider13 (20.03.2019)
  #1896  
Старый 20.03.2019, 17:42
Fudo Fudo вне форума  
Форумчанин
 
Регистрация: 15.10.2011
Адрес: СПб, РФ
Сообщений: 704
Сказал(а) спасибо: 143
Поблагодарили 604 раз(а) в 315 сообщениях
Господа, а можете мне объяснить, почему Ретцель пишет, что стеганка барбур из синтетики и вельветовым воротником - это парка ?
Ответить с цитированием
  #1897  
Старый 20.03.2019, 23:26
Аватар для FlinttoyZ
FlinttoyZ FlinttoyZ вне форума  
Новичок
 
Регистрация: 15.09.2017
Адрес: Москва
Сообщений: 48
Сказал(а) спасибо: 39
Поблагодарили 294 раз(а) в 71 сообщениях
Цитата:
Сообщение от Fudo Посмотреть сообщение
Господа, а можете мне объяснить, почему Ретцель пишет, что стеганка барбур из синтетики и вельветовым воротником - это парка ?
Парка, это куртка с несъемным капюшоном. А кто там что пишет....
__________________
Barbour, советы по уходу и содержанию.
Ответить с цитированием
  #1898  
Старый 21.03.2019, 09:02
Fudo Fudo вне форума  
Форумчанин
 
Регистрация: 15.10.2011
Адрес: СПб, РФ
Сообщений: 704
Сказал(а) спасибо: 143
Поблагодарили 604 раз(а) в 315 сообщениях
FlinttoyZ вот выдержка из всем известной книги Ретцеля http://blog.studiobellissima.ru/korotko
Ответить с цитированием
  #1899  
Старый 21.03.2019, 12:36
Аватар для FlinttoyZ
FlinttoyZ FlinttoyZ вне форума  
Новичок
 
Регистрация: 15.09.2017
Адрес: Москва
Сообщений: 48
Сказал(а) спасибо: 39
Поблагодарили 294 раз(а) в 71 сообщениях
Цитата:
Сообщение от Fudo Посмотреть сообщение
FlinttoyZ вот выдержка из всем известной книги Ретцеля http://blog.studiobellissima.ru/korotko
Так это какой-то конспект, в русском варианте. Может стоит обратиться к оригиналу? Опять же банальные ошибки/опечатки всегда имеют место быть, там вот и букв в некоторых словах не хватает...

Исключительно для фанатов Barbour!
Некоторое время назад запилил собственными руками макет 1:16
Делал исключительно по фоткам, по тому как все планы и чертежи утеряны.
__________________
Barbour, советы по уходу и содержанию.
Ответить с цитированием
Эти 6 пользователей сказали Спасибо! FlinttoyZ за это сообщение:
bulatik85 (21.03.2019), Expilot (22.03.2019), Horst88 (18.07.2019), KolpakovDV (22.03.2019), never been abroad (22.03.2019), wako (21.03.2019)
  #1900  
Старый 22.03.2019, 10:22
Fudo Fudo вне форума  
Форумчанин
 
Регистрация: 15.10.2011
Адрес: СПб, РФ
Сообщений: 704
Сказал(а) спасибо: 143
Поблагодарили 604 раз(а) в 315 сообщениях
FlinttoyZ у меня русский вариант этой книги, товарищ взял оттуда один к одному по ссылке.
Ответить с цитированием
Ответ
Метки
barbour, country attire


Быстрый переход

Похожие темы
Тема Автор Раздел Ответов Последнее сообщение
О куртках Barbour av_ic Классический мужской стиль 1901 08.10.2013 10:34


Часовой пояс UTC +3, время: 17:03.