Однострелочник по мотивам сказки Антуан де Сент-Экзюпери «Маленький принц» - Страница 224 - Часовой форум Watch.ru
 
Вернуться назад   Часовой форум Watch.ru > Клуб > Лимитированные серии
Регистрация | Забыли пароль?

Лимитированные серии

Обсуждение, создание и коллективный заказ лимитированных часов.
Текущий рейтинг темы — 
Закрытая тема
 
Опции темы
  #2231  
Старый 29.04.2020, 14:53
Аватар для samurai321
samurai321 samurai321 вне форума  
Форумчанин
 
Регистрация: 29.12.2011
Адрес: Россия , Саранск
Сообщений: 2,721
Сказал(а) спасибо: 3,145
Поблагодарили 7,707 раз(а) в 1,332 сообщениях
Ребята, кто готов участвовать и оплатить, но нет номеров свободных, пишите в ЛС. Будем решать. Будем искать номера.
  #2232  
Старый 29.04.2020, 18:11
Аватар для Corvin23
Corvin23 Corvin23 вне форума  
Форумчанин
 
Регистрация: 24.12.2019
Адрес: Moscow, Крылатское
Сообщений: 1,940
Сказал(а) спасибо: 1,967
Поблагодарили 1,401 раз(а) в 787 сообщениях
Цитата:
Сообщение от samurai321 Посмотреть сообщение
Ребята, кто готов участвовать и оплатить, но нет номеров свободных, пишите в ЛС. Будем решать. Будем искать номера.
Объявите дедлайн 15.05.2020 (или 01.06.2020) оплаты или, по-крайней мере, объяснения с планом оплаты. Если человек к этой дате так и ничего не ответил (или не появлялся на форуме с начала марта или заблокирован), то как минимум 5 номеров освободятся
Этот пользователь сказал Спасибо! Corvin23 за это сообщение:
LeGrandOrange (29.04.2020)
  #2233  
Старый 29.04.2020, 18:34
Foly Foly вне форума  
Форумчанин
 
Регистрация: 11.11.2019
Адрес: Москва
Сообщений: 124
Сказал(а) спасибо: 464
Поблагодарили 61 раз(а) в 42 сообщениях
Согласен, необходимо уже завершать с затягиванием предоплаты - не за горами физическая реализация проекта, времени на раскачку по оплате более чем достаточно предоставлено. Тем более когда приходят люди, готовые в моменте оплатить.
В конце концов бронь - это не железная привилегия, типа кто раньше застолбил, тот и в праве. По-правильному это вещь сугубо временная, как практически на все товары и услуги, тем более когда проект активно движется к реализации.
Складывается впечатление, что даже после изготовления всего тиража многие бронщики по-прежнему будут играть в молчанку, так что верным будет крайний срок по оплате либо хотя бы по внятному прояснению своих намерений.
  #2234  
Старый 29.04.2020, 18:46
1861103 1861103 вне форума  
Форумчанин
 
Регистрация: 03.10.2010
Адрес: Москва
Сообщений: 1,362
Сказал(а) спасибо: 0
Поблагодарили 1,047 раз(а) в 424 сообщениях
Цитата:
Сообщение от Corvin23 Посмотреть сообщение
Объявите дедлайн
Цитата:
Сообщение от Foly Посмотреть сообщение
Согласен
Дедлайн будет образец. ИМХО. Но отсев и сейчас можно сделать дабы привлечь предоплату, если участник вообще никак не ответил и не заполнил свои данные в анкету ( при условии что не внес предоплату).
  #2235  
Старый 29.04.2020, 22:06
Ivan Solovev Ivan Solovev вне форума  
Новичок
 
Регистрация: 16.01.2018
Адрес: Москва
Сообщений: 23
Сказал(а) спасибо: 18
Поблагодарили 52 раз(а) в 8 сообщениях
Оплатил всю сумму. Буду теперь ждать) Создателям - БРАВО! Великолепный проект!
Этот пользователь сказал Спасибо! Ivan Solovev за это сообщение:
samurai321 (29.04.2020)
  #2236  
Старый 30.04.2020, 10:30
Аватар для Anth
Anth Anth вне форума  
Moderator
 
Регистрация: 04.11.2012
Адрес: Россия, Самара
Сообщений: 8,382
Сказал(а) спасибо: 2,823
Поблагодарили 30,042 раз(а) в 4,709 сообщениях
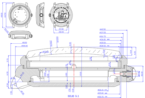
Корпус и все остальное ушло в производство!
удалось отстоять толщину сапфира! будет бомба!

механизм крепится без монтажного кольца. это повышает надежность крепления. да и меньше деталей - что есть хорошо. вернее, монтажное кольцо едино с корпусом. так можно сказать.

сейчас запускаем механизмы в производство. они будут декорированы!
И (пока это рассматриваем) возможно сделаем оснастку под колесо барабана и коронное колесо для нанесения эффекта SNAILING

Сапфиры на ЗГ оплатил 100% вчера и они уже в работе.

за корпусы, стекло и циферблат со стрелками оплатил вчера до 100%.

механизмы оплачиваем на следующей неделе 100%.

Дмитрий, напиши всем письма о предоплате (недоплатившим).
если не ответили в течение недели - номер освобождай. мы свою часть сделали.





Миниатюры
Нажмите на изображение для увеличения
Название: Снимок экрана 2020-04-30 в 11.17.56.png
Просмотров: 489
Размер:	101.8 Кб
ID:	2941937   Нажмите на изображение для увеличения
Название: image001.jpg
Просмотров: 461
Размер:	182.0 Кб
ID:	2941940  
Эти 47 пользователей сказали Спасибо! Anth за это сообщение:
AborigenKhMAO (30.04.2020), Alex298 (01.05.2020), alfaal (30.04.2020), ArtemKuzminykh (30.04.2020), artjom35 (30.04.2020), asdv (30.04.2020), asznam (30.04.2020), barinji (08.05.2020), Baroque (01.05.2020), bort76735 (30.04.2020), Colonel (30.04.2020), Corvin23 (30.04.2020), DimkinEE (30.04.2020), dkn2k (30.04.2020), DonXyaH (30.04.2020), Dormis (30.04.2020), exxorcist (30.04.2020), Foly (30.04.2020), Grekules (30.04.2020), Grumbler74 (30.04.2020), ICEM (07.05.2020), Ivan Solovev (30.04.2020), Kornienko (04.05.2020), LeGrandOrange (30.04.2020), Line13 (01.05.2020), Lyubomir (30.04.2020), MakcS (01.05.2020), medellru (01.05.2020), MelnikovA (02.05.2020), Men Ar (30.04.2020), netlis52 (30.04.2020), pladim (30.04.2020), qw70 (30.04.2020), rtfm (30.04.2020), ryt1010 (30.04.2020), Sapser (30.04.2020), SerP1 (30.04.2020), sp1ky (30.04.2020), ss2310 (30.04.2020), tonelesap (30.04.2020), Trebuchet (30.04.2020), Vadik97 (30.04.2020), VGA240x320 (30.04.2020), Viktor Man (30.04.2020), Yasume (30.04.2020), Yuran64 (30.04.2020), zenit4ik (30.04.2020)
  #2237  
Старый 30.04.2020, 10:41
Roman Po Roman Po вне форума  
Новичок
 
Регистрация: 22.03.2017
Адрес: Киев
Сообщений: 60
Сказал(а) спасибо: 29
Поблагодарили 71 раз(а) в 15 сообщениях
Цитата:
Сообщение от Anth Посмотреть сообщение
Дмитрий, напиши всем письма о предоплате (недоплатившим).
если не ответили в течение недели - номер освобождай. мы свою часть сделали.
Если вдруг не оплатят 80 номер, прошу поменять со 132, либо на что-то в первой 10. Не получится, пусть 132 остается.
Оплатил полностью! Спасибо!
__________________
PAM00090, Omega Seamaster 2221.80.00
  #2238  
Старый 30.04.2020, 10:48
Аватар для exxorcist
exxorcist exxorcist вне форума  
Форумчанин
 
Регистрация: 26.06.2015
Адрес: Россия/Ульяновск/
Сообщений: 3,563
Сказал(а) спасибо: 3,078
Поблагодарили 4,637 раз(а) в 1,828 сообщениях
Не совсем понял. Нужна доплата до 100%?
__________________
Достойные часы на запястье еще не крылья, но походку меняют.
  #2239  
Старый 30.04.2020, 10:54
1861103 1861103 вне форума  
Форумчанин
 
Регистрация: 03.10.2010
Адрес: Москва
Сообщений: 1,362
Сказал(а) спасибо: 0
Поблагодарили 1,047 раз(а) в 424 сообщениях
Цитата:
Сообщение от exxorcist Посмотреть сообщение
Не совсем понял. Нужна доплата до 100%?
ПРЕДОПЛАТА 50%
  #2240  
Старый 30.04.2020, 10:56
Аватар для exxorcist
exxorcist exxorcist вне форума  
Форумчанин
 
Регистрация: 26.06.2015
Адрес: Россия/Ульяновск/
Сообщений: 3,563
Сказал(а) спасибо: 3,078
Поблагодарили 4,637 раз(а) в 1,828 сообщениях
Цитата:
Сообщение от 1861103 Посмотреть сообщение
ПРЕДОПЛАТА 50%
Ага, спасибо. Это оплатил.
__________________
Достойные часы на запястье еще не крылья, но походку меняют.
Закрытая тема


Быстрый переход

Похожие темы
Тема Автор Раздел Ответов Последнее сообщение
Идея однострелочника по мотивам сказки Антуан де Сент-Экзюпери «Маленький принц» samurai321 Другие часы и микробренды 17 14.08.2020 13:26
Годовой Маленький принц serg70 IWC 2 03.06.2016 12:48
2 новые лимитки - Маленький принц rc30 IWC 40 30.04.2014 00:32
Шестой выпуск пилотских часов, посвященных Антуану де Сент-Экзюпери от IWC Ego Новости 11 20.04.2012 13:11
Очередные часы от IWC в честь Антуана де Сент-Экзюпери Ego Новости 15 04.02.2011 13:48


Часовой пояс UTC +3, время: 05:45.