Камертонные часы весна не работают. - Страница 9 - Часовой форум Watch.ru
 
Вернуться назад   Часовой форум Watch.ru > Ремонт часов, обслуживание часов > Ремонт часов и обслуживание
Регистрация | Забыли пароль?

Ремонт часов и обслуживание

Всё о ремонте часов и обслуживании часов, часовое оборудование.
Ответ
 
Опции темы
  #81  
Старый 28.02.2018, 12:13
Sashun Sashun вне форума  
Форумчанин
 
Регистрация: 13.04.2012
Адрес: Одесса
Сообщений: 1,794
Сказал(а) спасибо: 62
Поблагодарили 1,433 раз(а) в 815 сообщениях

Тема получила неожиданное продолжение. Уже писал, что
Цитата:
Сообщение от Sashun Посмотреть сообщение
не верю в НОВОГОДНИЕ ЧУДЕСА
Поэтому, спустя 2 месяца, снял часы с полки и решил провести диагностику "как следует", начав с конца. И сразу же наткнулся на причину неуверенного хода.
Советская "Весна", в отличие от зарубежных камертонных часов, имеет два электромагнита и две одинаковые катушечки, соединенные последовательно - для обычной и "тонкой" регулировки амплитуды камертона и потребляемого электросхемой тока. Катушечки имеют регулируемые на резьбе сердечники - одна катушечка имеет "толстый", а другая - тонкий сердечник.
Надоумило меня измерить напряжение на этих катушечках и их сопротивление.
Напряжение (на постоянном токе) - 0,56 вольт. А, вот при измерении сопротивления обнаружился "сюрприз". У нижней по фото катушечки сопротивление 470 ом, а, при измерении сопротивления верхней катушечки, цифири на мультиметре "пляшут". Пропаял выводы - все равно пляшут.
Короче, сопротивление верхней катушечки оказалось ... переменным. От 465 ом до 1670 ом. Взяв лупу, обнаружил повреждение - замят наружный виток обмотки, выполненной проводом диаметром 0,05 мм.
Часы, понятное дело, работают только с одной нижней катушкой, если завернуть чуток ее сердечник, чтобы увеличить ход камертона. При этом завышен потебляемый схемой ток. Впаял вместо верхней катушки резистор 470 ом - не хватает амплитуды камертона.

Попытки "отмотать" часть наружных витков иголочкой оказались безуспешными - катушка "пролачена" и тонкий провод рвется.
Верхняя катушка снялась со своей посадки легко (клей от старости охрупчился), перемотчик со станочком и проводом в Одессе разыскан по телефону.
Теперь жду, пока погода улучшится, чтоб перемотать катушечку - снега выпало сантиметров 30 и редкий для Одессы мороз - градусов 8-10.

Вывод - чудес в часах таки не бывает, еще поживут часики...
Миниатюры
Нажмите на изображение для увеличения
Название: Камертонная Весна.jpg
Просмотров: 2455
Размер:	33.3 Кб
ID:	2113242  
__________________
С уважением, А.Малышев
Ответить с цитированием
  #82  
Старый 09.03.2018, 11:16
Sashun Sashun вне форума  
Форумчанин
 
Регистрация: 13.04.2012
Адрес: Одесса
Сообщений: 1,794
Сказал(а) спасибо: 62
Поблагодарили 1,433 раз(а) в 815 сообщениях


Терпение и труд все перетрут!
Катушечку перемотал вручную, насадив каркасик на стерженек. Родным обмоточным проводом, видимо, диаметром 0,03-0,04 мм намотать не удалось - рвется при малейшем усилии. Поэтому сопротивление намотанной катушки оказалось существенно меньше (около 160 ом) чем было - больше 400 ом. Поставил фальш-стрелки.
Часа полтора добивался устойчивого хода. Оказалось, что максимальная амплитуда качания камертона (около 1,5 мм по верхней части камертона) достигается только при вращающемся роторе-анкере, а, когда ротор неподвижен, камертон почти не колеблется - амплитуда около 0,2-0,3 мм.
Пока обнаружил этот фокус, час убил.
Осталось измерить потребляемый часиками ход и окончательно запуск отладить, который, в сравнении с японскими "Jeco" конструктивно выполнен неправильно. В японских камертонных часах рычаг запуска взаимодействует с зубцами 2-го колеса и ротор, при отпускании довольно сильной пружинки, начинает вращаться сразу на большой скорости, а у "Весны" рычаг при запуске взаимодействует с маховичком на оси ротора, из-за чего ротор не набирает необходимую для запуска скорость (частоту вращения). Т.е., при "японской" синхронизации с камертоном ,ротор уменьшает частоту вращения от частоты запуска до частоты колебаний камертона. А у "Весны" - как придется - запускной рычажок проскальзывает по маховичку - и запускает ротор на какую-то неопределенную частоту.
Миниатюры
Нажмите на изображение для увеличения
Название: Камертонная Весна с перемотанной катушкой.jpg
Просмотров: 775
Размер:	33.3 Кб
ID:	2123289  
__________________
С уважением, А.Малышев
Ответить с цитированием
  #83  
Старый 16.03.2018, 17:55
ES7TR ES7TR вне форума  
Новичок
 
Регистрация: 13.03.2018
Адрес: Võhma, Estonia
Сообщений: 10
Сказал(а) спасибо: 0
Поблагодарили 9 раз(а) в 7 сообщениях
Здравствуйте. Это мой первый пост в этом форуме.
Когда-то давно срисовал на бумагу принципиальные схемы таких часов.
Первоначальная схема с деталями 1978. года выпуска. Все микросхемы
там типа К2НТ173 (позднее название - К217НТ3), микросборки содержат
только четыре транзистора NPN-проводимости, на схеме они без кружка.
Всё остальное на дискретных элементах. Также на схеме делитель :256,
состоит из восьми тригеров, для этого решили использовать четыре
микросборки К2НТ173. Этот делитель, сколько я помню, была отдельная
плата, она и схема у меня не сохранились, на схеме только "в клетке".
Вторая схема видимо следующая разработка, там детали 1981. года.
Использованы микросемы "часовой" серии. Их номинальное напряжение
питания 9 вольт, но они способны работать даже от 2,5 вольт.
Преобразователь у меня, например, выдавал около 4,5 вольт.
А вот схемы, недавно ввёл в компьютер, может кому пригодятся:
http://forum.watch.ru/attachment.php...1&d=1521212095
Миниатюры
Нажмите на изображение для увеличения
Название: Kell128.png
Просмотров: 1708
Размер:	10.9 Кб
ID:	2131843  
Ответить с цитированием
Эти 2 пользователей сказали Спасибо! ES7TR за это сообщение:
Ed111 (24.10.2023), ktesibios (17.03.2018)
  #84  
Старый 17.03.2018, 01:15
Graf Graf вне форума  
Форумчанин
 
Регистрация: 11.04.2010
Адрес: Беларусь Минск
Сообщений: 1,344
Сказал(а) спасибо: 895
Поблагодарили 2,490 раз(а) в 703 сообщениях
К стати, валяется у меня пяток таких ходовых колёс, как запчасть, может кому надо?
Это не реклама, бесплатно!
__________________
"Теория, мой друг, суха, но зеленеет жизни древо"-Иоганн Вольфганг Гете
Ответить с цитированием
  #85  
Старый 19.03.2018, 19:06
ES7TR ES7TR вне форума  
Новичок
 
Регистрация: 13.03.2018
Адрес: Võhma, Estonia
Сообщений: 10
Сказал(а) спасибо: 0
Поблагодарили 9 раз(а) в 7 сообщениях
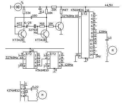
Предлагаю ищё схему, как я когда-то давно заменил делитель частоты
первоначальной схемы. Вместо платы делителя здесь микросхема
К561ИЕ16. Вся схема питалась от батарей 4,5В, а для задающего
кварцевого генератора напряжение питания стабилизируется ещё
отдельно. В качестве стабилитрона использовал светодиод, падение
напряжения на нём порядка 1,6...2В (зависит от экземпляра), при
этом светодиод практически не светился из за малого тока.
Благодаря такой стабилизаций, вероятно, удалось достигать
точность хода часов менее оной секунды за месяц.
Ниже показан фрагмент схемы, как вместо К561ИЕ16
можно применить микросхему К561ИЕ10.
Возможно даже применение К176ИЕ12 с кварцевым резонатором
по типичной схеме (интернет подскажет, как именно), в таком
случае советую катушки присоденить, как показано ещё ниже.
Подбором ёмкости, который последовательно с катушками,
можно изменить амплитуду колебания камертона.
http://forum.watch.ru/attachment.php...1&d=1521475191
Миниатюры
Нажмите на изображение для увеличения
Название: Kell128lisa.png
Просмотров: 1186
Размер:	6.7 Кб
ID:	2135742  
Ответить с цитированием
  #86  
Старый 20.03.2018, 23:28
Аватар для siealex
siealex siealex на форуме  
Форумчанин
 
Регистрация: 09.02.2010
Адрес: Украина, Харьков
Сообщений: 19,513
Сказал(а) спасибо: 2,576
Поблагодарили 8,045 раз(а) в 5,824 сообщениях
Цитата:
К стати, валяется у меня пяток таких ходовых колёс, как запчасть, может кому надо?
Это не реклама, бесплатно!
А на Молнию нет?
__________________
CASIO! W38 57 59 84 86 87 92 93 96(2) 211 212 217 725 727(2) 728 729 733 735 740 751 752 753 755 756 800 W-E10 11 WL-S21 WS-100 210 220 WV-58 59 WVA104 106 B612 816 F84 85 91(13) 105 200 201A F-V1 A151 158 159(2) 162 163 168(3) 178 200(2) 210 220 680 AQ140 160(2) 180 450 AB30 ABX68 AW22 24 44 60 80(3) 81 82 AQ-E10 AW-E10 AW-S90 AE220 1000 1100 1500 3000 AL180 DB34 35 36 DBC32 610 DB-E30 CA53 503 EF317 321 500(2) EFA107 115 118 120 131 WEF116 EFD102 MDV501 BEM501 MSY500 OC502 M22 MDA-S11 MTD1014 MTF108 LA670(2) LW22 FT200 600 SGT100 HDD600 CPW500(2) CPA100 SPS300 STR500 TRI20 DW260 295 650 5600 6600 6900 G1700 2900 3110 3200 7700 GA100(2) 110 400 SPF70 CHR100 RFT100 STB1000 TIC10 BG3002 SFX10 JP200
Ответить с цитированием
  #87  
Старый 27.03.2018, 23:16
ES7TR ES7TR вне форума  
Новичок
 
Регистрация: 13.03.2018
Адрес: Võhma, Estonia
Сообщений: 10
Сказал(а) спасибо: 0
Поблагодарили 9 раз(а) в 7 сообщениях
Вот нашёл в интернете фото

где внизу плата делителя на 256. Восемь тригеров
и восемь микросборок К217НТ3 для этого всё-таки.
Оказывается, такие-же часы называются "Кобзарі".
Ответить с цитированием
Этот пользователь сказал Спасибо! ES7TR за это сообщение:
ktesibios (28.03.2018)
  #88  
Старый 28.03.2018, 23:02
ktesibios ktesibios вне форума  
Форумчанин
 
Регистрация: 21.12.2013
Адрес: Ленинград
Сообщений: 272
Сказал(а) спасибо: 180
Поблагодарили 177 раз(а) в 76 сообщениях
Цитата:
Сообщение от ES7TR Посмотреть сообщение
где внизу плата делителя на 256. Восемь тригеров
и восемь микросборок К217НТ3 для этого всё-таки.

У меня такая схема стоит в часах "Весна". Запускаться не как не хочет, что-то там не так, говорят без осциллографа не понять. Может кто знает как их починить?
Ответить с цитированием
  #89  
Старый 29.03.2018, 00:19
ES7TR ES7TR вне форума  
Новичок
 
Регистрация: 13.03.2018
Адрес: Võhma, Estonia
Сообщений: 10
Сказал(а) спасибо: 0
Поблагодарили 9 раз(а) в 7 сообщениях
Цитата:
Сообщение от ktesibios Посмотреть сообщение
Может кто знает как их починить?
Если полная тишина, надо заниматься электроникой, искать неисправность там.
С осциллографом проще, но нужен хотя-бы самый простой мультиметр, чем
мерить напряжении в разных точках схемы, начиная с напряжении питания.
Ответить с цитированием
Этот пользователь сказал Спасибо! ES7TR за это сообщение:
ktesibios (29.03.2018)
  #90  
Старый 29.03.2018, 14:44
ktesibios ktesibios вне форума  
Форумчанин
 
Регистрация: 21.12.2013
Адрес: Ленинград
Сообщений: 272
Сказал(а) спасибо: 180
Поблагодарили 177 раз(а) в 76 сообщениях
Цитата:
Сообщение от ES7TR Посмотреть сообщение
Если полная тишина, надо заниматься электроникой, искать неисправность там.
С осциллографом проще, но нужен хотя-бы самый простой мультиметр, чем
мерить напряжении в разных точках схемы, начиная с напряжении питания.
Напряжение какое-то есть, но правильное оно или нет не пойму. Может заменить в верхней плате все транзисторы и кварц, микросхемы проверять как не понятно. Там детали все 80 г. Есть ли смысл менять все микросхемы, их продают но они все 86г., выпуска?
Ответить с цитированием
Ответ


Быстрый переход

Похожие темы
Тема Автор Раздел Ответов Последнее сообщение
Камертонные настольные Весна. sapsan61 О часовых механизмах 4 17.07.2013 08:35
Eterna золотые камертонные часы alexic Что за часы? Сколько стоят эти часы? 2 06.05.2012 06:21
Как работают часы Ego Новости 3 08.09.2010 13:44


Часовой пояс UTC +3, время: 03:04.