О разработке базовых калибров Ракеты и Востока - Часовой форум Watch.ru
 
Вернуться назад   Часовой форум Watch.ru > Российские часы > Другие российские часы
Регистрация | Забыли пароль?

Другие российские часы

Ответ
 
Опции темы
  #1  
Старый 05.04.2019, 10:50
Аватар для FBwatches
FBwatches FBwatches вне форума  
Форумчанин
 
Регистрация: 08.03.2019
Адрес: Москва
Сообщений: 124
Сказал(а) спасибо: 126
Поблагодарили 76 раз(а) в 27 сообщениях
О разработке базовых калибров Ракеты и Востока

Цитата:
Сообщение от oldfox Посмотреть сообщение
... Ну может они в печатной какой брошюре его упомянули. В любом случае, даже если их вклад был решающим, ведущим, разработка калибра - это авторский коллектив, который совместно разработал калибр. И все права на использование явно сразу шли заводу, а нынешние владельцы получили их по наследству от самого завода (не они сами, конечно, а ныне существующее предприятие).
Факты о разработке базового механизма 2609.Н (на жаргоне "плоская Россия") :
1. Разработчиками базового механизма 2609.Н на 93 странице книги: "Сверяя время: очерки истории ленинградского объединения “Петродворцовый часовой завод”, 1986, Лениздат, составитель А.Г.Тютенкова (книга скачивается здесь: http://ussr-watch.com/other-literature/) названа "творческая группа в составе М.А.Киселёва, Л.Я.Войник, Л.Н.Чанга и Л.М.Дидинкиной". Иван Александрович Старков в составе этой группы разработчиков не упомянут (честный был руководитель, не лез в соавторы, но его роль, скорее всего, была велика). Хотя на 58 странице И.А.Старков и М.А.Киселёв названы разработчиками первого оригинального отечественного механизма "Рекорд", но не базового.

2. Участие в разработке базового механизма Михаила Арсеньевича Киселёва и Людмилы Николаевны Чинги подтверждается патентами, остальные из упомянутых в книге в патентах отсутствуют (их легко найти в сети, И.А.Старкова нет и в патентах). Базовый механизм Востока - 2409 также разработан на Ракете одновременно с 2609.Н.
Исходя из этой информации можно сделать вывод, что главным разработчиком базовых механизмов Ракеты (2609.Н) и Востока (2409) был Михаил Арсеньевич Киселёв. Ну а полный состав всей группы разработки надо уточнять.

3. В партийно-пропагандистской книге "Сверяя время" полно технических ошибок и неточностей и написана она на пике борьбы между Горбачёвым и Романовым за пост генсека КПСС. Партийное руководство автоматизацией производства - главная тема книги. Михаил Арсеньевич Киселёв назван в книге Михаилом Арсентьевичем, хотя его патенты (легко найти в сети) подтверждают, что он Арсеньевич. На 51 странице книги написано, что медаль в Лейпциге часы получили в 1966 году, а через семь страниц, что в 1965. Автор двух часовых патентов Людмила Николаевна Чинги названа в книге фамилией "Чанга" и т.д..

4. Брошюр, буклетов, статей, страниц сайтов от новой "Ракеты" и других источников об авторах базового механизма ПЧЗ, кроме этой книги и патентов, я пока не нашёл, и буду очень признателен за публикации в сети новой информации о деталях разработки и авторах оригинальных отечественных калибров ПЧЗ.
Ответить с цитированием
Эти 3 пользователей сказали Спасибо! FBwatches за это сообщение:
Gek (18.03.2021), Indr (07.04.2019), studer (15.10.2021)
  #2  
Старый 05.04.2019, 12:45
Аватар для Laureus
Laureus Laureus вне форума  
Super Moderator
 
Регистрация: 21.10.2007
Адрес: web
Сообщений: 13,507
Сказал(а) спасибо: 2,050
Поблагодарили 28,571 раз(а) в 9,372 сообщениях
Вынес данное сообщение в отдельную тему.
__________________
ПРАВИЛА ФОРУМА
Ответить с цитированием
Эти 4 пользователей сказали Спасибо! Laureus за это сообщение:
arhitektor1 (05.04.2019), FBwatches (05.04.2019), ultarior (06.04.2019), uvarrov (05.04.2019)
  #3  
Старый 05.04.2019, 14:22
Аватар для FBwatches
FBwatches FBwatches вне форума  
Форумчанин
 
Регистрация: 08.03.2019
Адрес: Москва
Сообщений: 124
Сказал(а) спасибо: 126
Поблагодарили 76 раз(а) в 27 сообщениях
Иван Александрович Старков - главный конструктор Ракеты

Из книги о выпускниках Ленинградского института точной механики и оптики:
"Старков Иван Александрович. Выпуск 1939 года. Факультет «А» (точной механики). Известный специалист и конструктор в области приборов точной механики. Автор новых механизмов часов. Работал на военном заводе. Переведен на Петродворцовый часовой завод (ПЧЗ) (1951). Организовал КБ по созданию новых типов часов. Возглавил созданный им же отдел главного конструктора (1959). Главный конструктор завода (1964). Автор новых механизмов часов, выпускавшихся в те годы на ПЧЗ. Инициатор разработки «базового» механизма, который позволил создать единую технологическую цепочку производственного процесса изготовления часов, а впоследствии автоматизировать работы. Воспитал талантливых конструкторов, способствовал распространению передового опыта работы среди других предприятий отрасли." - источник: Известные выпускники Университета ИТМО / Под редакцией профессора Ю.Л. Колесникова - СПб, Университет ИТМО, 2015. – 390 с. – Серия книг «Университет ИТМО: Годы и люди», выпуск 9, ISBN 978-5-7577-0506-4, страница 293.

Через три года будет пятьдесят лет базовому механизму Ракеты (2609.Н, на жаргоне "плоская Россия"), выпускаемому до сих пор новой Ракетой в варианте 2609НА (http://raketa.com/mouvments/raketa-2609-ha/), а про его разработчиков известно крайне мало, фотографий их в сети нет. А ведь И.А.Старков и М.А.Киселёв разработали ещё и механизм "Рекорд" 2209, получивший медаль как самый тонкий трёхстрелочник на Лейпцигской выставке 1965 года. И их механизм 2409 стал базовым для "Востоков".

Почти неизвестны создатели трёх отечественных часовых механизмов оригинальной конструкции (два из которых в доработанных вариантах выпускаются уже 47!!! лет в Петергофе и Чистополе). Швейцария из таких людей делает национальных героев, а мы про своих практически ничего не знаем ... Их механизмы выпущены тиражами более сотни миллионов и принесли стране авторитет и немалые деньги. Даже их имена и отчества полностью в сети найти очень трудно, а их фотографий в сети нет вообще ...

Может у кого на форуме есть дополнительная информация про Ивана Александровича Старкова, Михаила Арсеньевича Киселёва и других соавторов петродворцовых механизмов?
Ответить с цитированием
  #4  
Старый 05.04.2019, 15:53
Аватар для FBwatches
FBwatches FBwatches вне форума  
Форумчанин
 
Регистрация: 08.03.2019
Адрес: Москва
Сообщений: 124
Сказал(а) спасибо: 126
Поблагодарили 76 раз(а) в 27 сообщениях
Часы к 50-летию базовых калибров Ракеты и Востока

Сообщение от korovin: "... появляется группа ... которые с руками и с головой ... Скупают старые механизмы часов "Ракета" моют чистят "шаманят" ставят в ... корпуса из нержавейки с сапфировыми стёклами и накрывают печатными циферблатами и продают такие часы ..." - http://forum.watch.ru/showthread.php?t=283485&page=14
Этот форум вполне подходящая группа для реализации этой идеи! Это надо сделать к 2022 году на 50-летний юбилей базовых механизмов Ракеты 2609.Н (на жаргоне "плоская Россия"), Востока 2409, и 60-летний юбилей 2209 "Рекорд" со стёклами с обеих сторон, чтобы механизмы были видны. Назвать часы "Иван Старков"(с "Рекордом"), "Михаил Киселёв"(с базовым 2609.Н) и "Людмила Чинги" (с базовым 2409).

Можно объявить подписку на форуме (я готов сейчас подписаться) и распределить исполнение по опытным форумчанам за соответствующую долю от собранных денег. Корпуса и циферблаты обсудить на форуме в виде 3D проектов (я думаю надо делать в классическом стиле). Заказать в Китае корпуса, стёкла и циферблаты (если патриотизм проявить, то и в России можно сделать). А сборку произвести силами опытных мастеров с форума. Каждый форумчанин сможет стать обладателем редких юбилейных часов с именами разработчиков знаменитых отечественных часовых калибров и с этими калибрами под сапфировыми стёклами!
Ответить с цитированием
Этот пользователь сказал Спасибо! FBwatches за это сообщение:
bimold (07.04.2019)
  #5  
Старый 05.04.2019, 19:35
Аватар для FBwatches
FBwatches FBwatches вне форума  
Форумчанин
 
Регистрация: 08.03.2019
Адрес: Москва
Сообщений: 124
Сказал(а) спасибо: 126
Поблагодарили 76 раз(а) в 27 сообщениях
Цитата:
Сообщение от АЛЕКСАНДР2 Посмотреть сообщение
Всё началось с того, что в начале 1970-х годов Петродворцовому Часовому Заводу понадобился базовый механизм с дополнительными усложнениями (календарь, автоподзавод, индикация времени на 24 часа). Механизмы «Балтика» и «Россия» не подходили, т.к. их циферблатная сторона была горбатая. Нужен был механизм с плоской поверхностью циферблатной стороны. На ПЧЗ разработали 2 калибра: 2409 http://forum.watch.ru/showthread.php...%82%D0%B0+2409 и 2609.Н (пост #2) http://forum.watch.ru/showthread.php...81%D0%B8%D0%B8. Из двух этих механизмов в разработку взяли 2609, т.к. он более надежный (самый простой и надежный механизм в СССР). Таким образом 2609 стал базовым механизмом, а 2409 был передан Чистопольскому часовому заводу . В отличии от механизма «Балтика» механизмы 2609.Н и 2409 были полностью своей разработкой, т.е. разработаны "с нуля" конструкторами И.А. Старковым и М.А. Киселёвым. Первые часы на уже ставшем базовом механизме «Плоская Россия» были выпущены в 1972 году https://plus.google.com/photos/11309...778?banner=pwa. Описание механизмов этих часов можно посмотреть в этой теме http://forum.watch.ru/showthread.php...81%D0%B8%D0%B8. В дальнейшем механизм «Плоская Россия» упростили. В период с середины 1970-х и до начала 1980-х годов выпускался механизм с фаской. В начале 1980-х появились автоматы по сборке часов, которые были расположены на 3-м этаже 8 цеха ПЧЗ. Механизм упростили, убрали фаску. В таком виде он выпускался до начала 1990-х, а затем механизм упростили еще больше. Убрали амортизатор под анкерное колесо. Колеса и обод баланса прекратили золотить. Убрали камень с центрального колеса, т.е. упростили до невозможности.
- Александр Борисович Бродниковский о разработке базовых калибров Ракеты и Востока.

Прикрепил фотографию Михаила Арсеньевича Киселёва и заместителя главного конструктора ПЧЗ Лилии Ивановны Мосягиной с группой конструкторов завода в 1985 году из книги "Сверяя время: очерки истории ленинградского объединения “Петродворцовый часовой завод”. Интересно, являлась ли Лилия Ивановна соавтором механизма "Рекорд" 2209 и "базового" механизма 2609.Н?

В этой же книге на 58 странице есть биографическая информация о Михаиле Арсеньевиче Киселёве. До войны он поступил в техникум "в своём родном городе Калязине. Потом война. Опытный связист, он после победы вернулся в техникум и закончил его. В конце 1949 приехал в Петродворец, со страстью взялся за новое дело." Далее на этой странице подтверждено участие М.А.Киселёва в разработке механизмов "Россия" и "Рекорд"(см.скан). Ничего больше о разработке базовых калибров в этой книге нет.
Миниатюры
Нажмите на изображение для увеличения
Название: 1 Mosygina i Kiselev.jpg
Просмотров: 200
Размер:	324.5 Кб
ID:	2539697   Нажмите на изображение для увеличения
Название: 58 Sveryaya Vremya.jpg
Просмотров: 148
Размер:	429.9 Кб
ID:	2539710   Нажмите на изображение для увеличения
Название: 93 Sveryaya Vremya.jpg
Просмотров: 147
Размер:	243.2 Кб
ID:	2539711  
Ответить с цитированием
  #6  
Старый 05.04.2019, 20:43
Аватар для FBwatches
FBwatches FBwatches вне форума  
Форумчанин
 
Регистрация: 08.03.2019
Адрес: Москва
Сообщений: 124
Сказал(а) спасибо: 126
Поблагодарили 76 раз(а) в 27 сообщениях
Переданный Востоку базовый калибр 24хх ПЧЗ

Прикрепил фото редких механизмов 2409 с клеймом Петродворцового завода, переданных потом Чистопольскому часовому заводу. Первые два фото механизмов из коллекции часов Александра Борисовича Бродниковского, затем фото с часами и механизмами от Woosterm - http://forum.watch.ru/showthread.php?t=60558, причем два фото с механизмами 2414 и 2415 от ПЧЗ, и последнее фото буклета Ракеты по 2414.
Миниатюры
Нажмите на изображение для увеличения
Название: 11 4302a7c7ad64.jpg
Просмотров: 310
Размер:	137.8 Кб
ID:	2539743   Нажмите на изображение для увеличения
Название: 13 834df3ce58.jpg
Просмотров: 312
Размер:	172.2 Кб
ID:	2539746   Нажмите на изображение для увеличения
Название: 0 1 Ракета 2409 белый корпус (2) 1280.jpg
Просмотров: 350
Размер:	333.5 Кб
ID:	2539755   Нажмите на изображение для увеличения
Название: 0 0 2 Ракета 2409 1970 (3) 1280.jpg
Просмотров: 305
Размер:	322.3 Кб
ID:	2539770   Нажмите на изображение для увеличения
Название: 0 0 0 3 Ракета 2414 (1) 1280.jpg
Просмотров: 260
Размер:	322.6 Кб
ID:	2539778   Нажмите на изображение для увеличения
Название: 0 0 0 3 Ракета 2415 1280 09.jpg
Просмотров: 306
Размер:	976.1 Кб
ID:	2539793   Нажмите на изображение для увеличения
Название: Raketa 2414 buklet.jpg
Просмотров: 350
Размер:	388.0 Кб
ID:	2539805  
Ответить с цитированием
Эти 3 пользователей сказали Спасибо! FBwatches за это сообщение:
Indr (07.04.2019), studer (15.10.2021), Yakovlev (04.05.2019)
  #7  
Старый 06.04.2019, 09:26
Аватар для FBwatches
FBwatches FBwatches вне форума  
Форумчанин
 
Регистрация: 08.03.2019
Адрес: Москва
Сообщений: 124
Сказал(а) спасибо: 126
Поблагодарили 76 раз(а) в 27 сообщениях
Время производства калибров 24хх на ПЧЗ

Часы с механизмами 24хх производились на ПЧЗ более года:
Цитата:
Сообщение от Woosterm Посмотреть сообщение
Часы Ракета 2415. Автоподзавод, подшипник. Фотографии.
Что касается истории 24-го калибра, в отрывке из книги "Сверяя время очерки истории ленинградского объединения Петродворцовый часовой завод" (см. скан) есть упоминание о начале совместной разработки базового механизма с ЧЧЗ в 1965г. Возможно, все серийные Ракеты 24-го калибра (2409, 2414, 2415...) "вышли в свет" примерно в 1970 г. С 1971г. ПЧЗ вплотную занялся своим базовым механизмом. Могу ошибаться в своей трактовке этого отрывка из книги.
- http://forum.watch.ru/showthread.php...66#post4798466
Ответить с цитированием
  #8  
Старый 06.04.2019, 14:15
Аватар для FBwatches
FBwatches FBwatches вне форума  
Форумчанин
 
Регистрация: 08.03.2019
Адрес: Москва
Сообщений: 124
Сказал(а) спасибо: 126
Поблагодарили 76 раз(а) в 27 сообщениях
Патенты Михаила Арсеньевича Киселёва и соавторов

"База патентов СССР
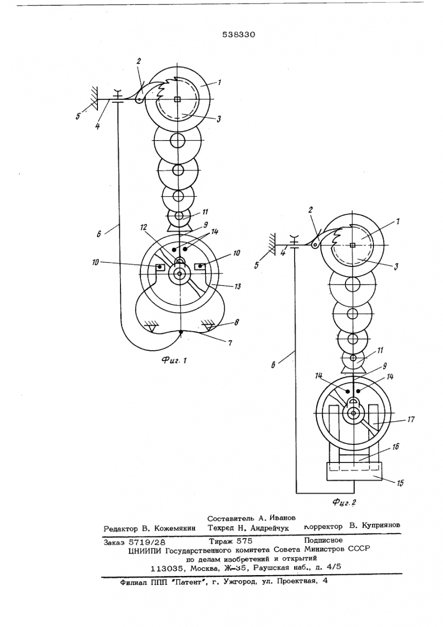
Устройство для стабилизации амплитуды колебаний баланса часов с пружинным двигателем и свободным анкерным ходом
Номер патента: 538330
Заявка
2135083, 19.05.1975
Заявители:
ПЕТРОДВОРЦОВЫЙ ОРДЕНА ТРУДОВОГО КРАСНОГО ЗНАМЕНИ ЧАСОВОЙ ЗАВОД,
СЕВЕРО-ЗАПАДНЫЙ ПОЛИТЕХНИЧЕСКИЙ ИНСТИТУТ

Авторы изобретения:
ИСАЕВ АЛЕКСЕЙ ПАВЛОВИЧ,
ГОРШКОВ ВАСИЛИЙ ЯКОВЛЕВИЧ,
СИМОНЯНЦ РАФИК АВАГЕМОВИЧ,
КИСЕЛЕВ МИХАИЛ АРСЕНЬЕВИЧ,
АЙЗЕНБЕРГ ИЛЬЯ СЕРГЕЕВИЧ,
ЧИНГИ ЛЮДМИЛА НИКОЛАЕВНА
...
Формула изобретения
1. Устройство для стабилизации амплитуды колебаний баланса часов с пружинным двигателем и свободным анкерным ходом, содержащее два постоянных магнита, симметрично расположенных относительно хвостовика анкерной вилки, и собачку пружинного двигателя, отличающееся тем, что, с целью повышения надежности его в работе, оно снабжено упругим элементом, на котором установлена собачка пружинного двигателя, и тягой, одним концом связанной с упругим элементом, а другим - с промежуточным элементом, несущим постоянные магниты, 2. Устройство поп. 1, отличающееся тем, что промежуточный элемент выполнен в виде 0 -образной упругой. пластины. 3, Устройство по и, 1, отличающееся тем, что промежуточный элемент выполнен в виде шунта.
..." - http://patents.su/3-538330-ustrojjst...ym-khodom.html

Это один из часовых патентов, заявленных ПЧЗ совместно с Северо-западным политехническим институтом.
Авторами являются шесть человек.
Киселёв М.А. и Чинги Л.Н. от ПЧЗ.
Остальные:
ИСАЕВ АЛЕКСЕЙ ПАВЛОВИЧ,
ГОРШКОВ ВАСИЛИЙ ЯКОВЛЕВИЧ,
СИМОНЯНЦ РАФИК АВАГЕМОВИЧ,
АЙЗЕНБЕРГ ИЛЬЯ СЕРГЕЕВИЧ.
Может кто знает есть среди них ещё кто-то от ПЧЗ?

------- ДОБАВЛЕНО ЧЕРЕЗ 14 МИН --------

"Устройство для выравнивания крутящего момента пружинного двигателя

Заявка
2592538, 22.03.1978
Заявители:
СЕВЕРО-ЗАПАДНЫЙ ЗАОЧНЫЙ ПОЛИТЕХНИЧЕСКИЙ ИНСТИТУТ,
ПЕТРОДВОРЦОВЫЙ ЧАСОВОЙ ЗАВОД
Авторы изобретения:
ГАНЗБУРГ ЛЕОНИД БЕЙСАХОВИЧ,
ИСАЕВ АЛЕКСЕЙ ПАВЛОВИЧ,
КЛЕЕР ЕЛЕНА ЮРЬЕВНА,
ЛЫСОВ АЛЕКСАНДР АЛЕКСЕЕВИЧ,
ФЕДОТОВ АЛЕКСЕЙ ИВАНОВИЧ,
ГОРШКОВ ВАСИЛИЙ ЯКОВЛЕВИЧ,
КИСЕЛЕВ МИХАИЛ АРСЕНЬЕВИЧ,
ОСИПОВ ЮРИЙ БОРИСОВИЧ
..." - http://patents.su/4-911451-ustrojjst...vigatelya.html
В этом патенте некоторые авторы, кроме М.А.Киселёва повторяются.
Может кто-то из них работал в конструкторском отделе ПЧЗ?
Миниатюры
Нажмите на изображение для увеличения
Название: 1-538330-patents.su.jpg
Просмотров: 168
Размер:	405.9 Кб
ID:	2540241   Нажмите на изображение для увеличения
Название: 2-538330-patents.su.jpg
Просмотров: 149
Размер:	507.1 Кб
ID:	2540242   Нажмите на изображение для увеличения
Название: 3-538330-patents.su.jpg
Просмотров: 163
Размер:	196.0 Кб
ID:	2540243   Нажмите на изображение для увеличения
Название: 5361312-o.jpg
Просмотров: 174
Размер:	193.0 Кб
ID:	2540283   Нажмите на изображение для увеличения
Название: 5361313-o.jpg
Просмотров: 167
Размер:	261.1 Кб
ID:	2540284   Нажмите на изображение для увеличения
Название: 5361314-o.jpg
Просмотров: 142
Размер:	47.6 Кб
ID:	2540285   Нажмите на изображение для увеличения
Название: 5361315-o.jpg
Просмотров: 139
Размер:	64.1 Кб
ID:	2540286  
Ответить с цитированием
Эти 2 пользователей сказали Спасибо! FBwatches за это сообщение:
Indr (08.09.2020), Yakovlev (04.05.2019)
  #9  
Старый 06.04.2019, 15:35
Аватар для FBwatches
FBwatches FBwatches вне форума  
Форумчанин
 
Регистрация: 08.03.2019
Адрес: Москва
Сообщений: 124
Сказал(а) спасибо: 126
Поблагодарили 76 раз(а) в 27 сообщениях
Людмила Яковлевна Войник

Дозвонился до Людмилы Яковлевны Войник (добрые люди дали телефон).
Она подтвердила, что все четверо, указанные авторами базового механизма 2609.Н в книге "Сверяя Время" действительно входили в авторский коллектив, это:
Михаил Арсеньевич Киселёв,
Людмила Николаевна Чинги,
Людмила Яковлевна Войник,
Лидия Михайловна Дидинкина.


Иван Александрович Старков не принимал участия в разработке калибра 2609.Н, так как в этот период он на время уходил с ПЧЗ на другую работу. Но он воспитывал и выращивал всех конструкторов ПЧЗ с начала 50-х годов и принимал участие в разработке всех механизмов до 2609.Н, включая 24хх, переданный в Чистополь. И многие отечественные наработки с предшествующих механизмов были использованы в базовом калибре 26хх.Н. В частности был ранее разработан и отлажен на 26-м калибре свой ход.

Людмила Яковлевна рассказала много интересного. В частности, что было два варианта рекордно тонкого механизма. Один пошёл в производство и получил медаль на выставке в Лейпциге. А другой, более тонкий, толщиной всего 1,9мм, не был принят из-за сложности производства и существовал всего в нескольких опытных образцах. В разработке механизма "Рекорд" кроме И.А.Старкова и М.А.Киселёва принимала участие Галина Петровна Мытова.

Базовый механизм 24хх разрабатывался с 1965 года сначала совместно с ЧЧЗ, потом без него, и производился на ПЧЗ более года в вариантах 2409 и 2414 в общем количестве около 10тыс.экз.. Часы с калибрами 2415 и 2416 производства ПЧЗ были сделаны только как опытные образцы и на продажу не производились. Механизм 24хх был передан в Чистополь, так как на ПЧЗ сочли его ненадёжным и с 1970 года на его базе начали разработку механизма 2609.Н, который пошёл в производство с осени 1971 года.

Людмила Яковлевна Войник также входила в авторский коллектив калибра 3031 - самых сложных часов Ракеты и СССР.

Вот один из патентов Людмилы Яковлевны Войник:
Патент 2031431
Устройство для закрепления внешнего конца волоска часов
Авторы: Войник Л.Я., Краснова Г.В., Пряхина Л.Ф., Рючина Л.В., Цупко В.А.
...
ФОРМУЛА ИЗОБРЕТЕНИЯ
УСТРОЙСТВО ДЛЯ ЗАКРЕПЛЕНИЯ ВНЕШНЕГО КОНЦА ВОЛОСКА ЧАСОВ, содержащее колонку, состоящую из фланца, конической головки, охватываемой упругими рычагами, и трубчатой ножки, выполненной со шлицем для волоска, заканчивающимся цилиндрическим углублением, к разделяющим ножку на первую и вторую контактные части, отличающееся тем, что элементы колонки выполнены в последовательности, при которой за конической головкой расположен фланец, а за ним - ножка, внутренние противоположные поверхности упругих рычагов в местах контакта с конической головкой выполнены с фиксирующими выемками, а внешний конец отогнутого в радиальном направении волоска введен в первую контактную часть шлица, при этом между торцевым срезом волоска и второй частью шлица образован зазор, не превышающий одной трети диаметра цилиндрического углубления в ножке колонки.
http://www.freepatent.ru/patents/2031431
Миниатюры
Нажмите на изображение для увеличения
Название: 2031431.jpg
Просмотров: 230
Размер:	40.8 Кб
ID:	2540381   Нажмите на изображение для увеличения
Название: 2031431-2.jpg
Просмотров: 236
Размер:	51.0 Кб
ID:	2540382   Нажмите на изображение для увеличения
Название: 2031431-3.jpg
Просмотров: 198
Размер:	46.8 Кб
ID:	2540383   Нажмите на изображение для увеличения
Название: 2031431-4.jpg
Просмотров: 189
Размер:	55.9 Кб
ID:	2540384  
Ответить с цитированием
Эти 2 пользователей сказали Спасибо! FBwatches за это сообщение:
vadp (15.08.2021), Yakovlev (04.05.2019)
  #10  
Старый 06.04.2019, 17:19
Аватар для FBwatches
FBwatches FBwatches вне форума  
Форумчанин
 
Регистрация: 08.03.2019
Адрес: Москва
Сообщений: 124
Сказал(а) спасибо: 126
Поблагодарили 76 раз(а) в 27 сообщениях
Лидия Михайловна Дединкина

Лидия Михайловна Дединкина также является разработчиком базового калибра 2609.Н. В книге "Сверяя время" её фамилия написана с ошибкой. Видно о достоверности текста книги сильно не думали, или редакторы схалтурили. Патентов Лидии Михайловны я не нашёл. Есть только одна публикация с её упоминанием.

Так что авторский коллектив базового калибра 2609.Н, это:
Михаил Арсеньевич Киселёв,
Людмила Николаевна Чинги,
Людмила Яковлевна Войник,
Лидия Михайловна Дединкина.
Ответить с цитированием
Эти 2 пользователей сказали Спасибо! FBwatches за это сообщение:
Gek (18.03.2021), Yakovlev (04.05.2019)
Ответ
Метки
2409, калибры 26хх.нх, ракета 2609 на


Быстрый переход

Похожие темы
Тема Автор Раздел Ответов Последнее сообщение
Пару базовых вопросов по Speedmaster VitAborigen Omega 4 10.02.2019 11:54
Сравнение калибров Ракеты и Rolex WatchesFun О часовых механизмах 23 24.11.2018 11:01
Доработка IWC базовых калибров ETA Феликс IWC 125 21.10.2016 02:15


Часовой пояс UTC +3, время: 06:51.