[MSK] Куплю мех. GB SILESIA P42 (настенные часы) или завод. барабан хода/боя для них. - Часовой форум Watch.ru
 
Вернуться назад   Часовой форум Watch.ru > Маркет > Архивы Маркета > Архив: покупка часовых запчастей, инструментов и оборудования
Регистрация | Забыли пароль?

Архив: покупка часовых запчастей, инструментов и оборудования

Маркет
 
 
Опции темы
  #1  
Старый 11.09.2014, 20:27
maiklshi maiklshi вне форума  
Новичок
 
Регистрация: 13.08.2013
Адрес: Moscow
Сообщений: 3
Сказал(а) спасибо: 0
Поблагодарили 0 раз(а) в 0 сообщениях
Здравствуйте, уважаемые форумчане!
Поломалась "шестеренчатая грань" на заводном барабане механизма GB SILESIA P42 (см. фото).
Барабаны боя и хода судя по всему идентичны.
Нужен или весь механизм в сборе или барабан (можно без пружины).
За мех в сборе-думаю около 30$ предложу в зависимости от состояния...

Предложения прошу в личку!

Спасибо!

еще фото:
Миниатюры
Нажмите на изображение для увеличения
Название: 20140910_232331.jpg
Просмотров: 240
Размер:	461.1 Кб
ID:	794066   Нажмите на изображение для увеличения
Название: 20140910_232407.jpg
Просмотров: 239
Размер:	474.6 Кб
ID:	794067   Нажмите на изображение для увеличения
Название: 20140911_102103.jpg
Просмотров: 224
Размер:	396.5 Кб
ID:	794120  
  #2  
Старый 23.09.2014, 17:51
maiklshi maiklshi вне форума  
Новичок
 
Регистрация: 13.08.2013
Адрес: Moscow
Сообщений: 3
Сказал(а) спасибо: 0
Поблагодарили 0 раз(а) в 0 сообщениях
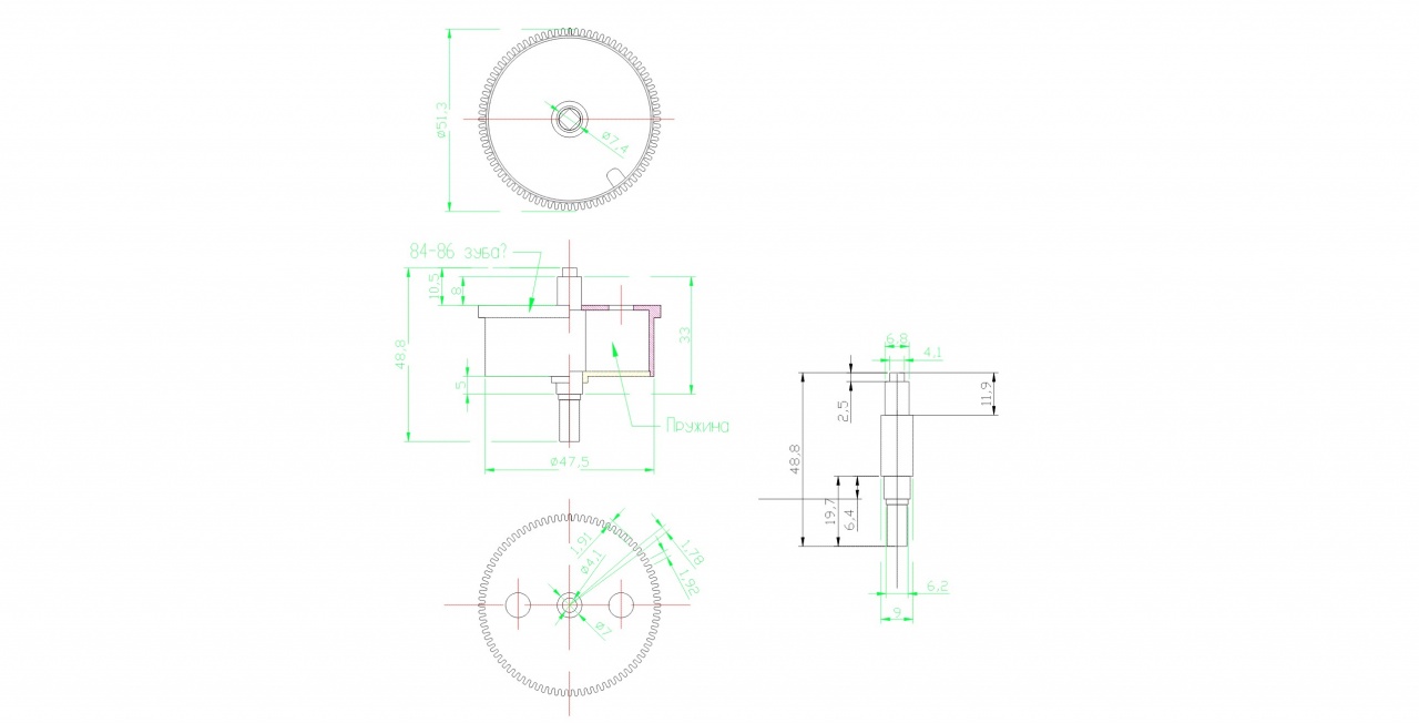
Добавлю конкретики!
Итак, размер между платами механизма-33-34мм.
Расстояние между заводными головками хода/боя механизма-55мм.

Возможно кто-нибудь знает, где могут выточить подобную деталь...

Прикладываю схематический чертеж барабана и его фото.
Миниатюры
Нажмите на изображение для увеличения
Название: baraban.jpg
Просмотров: 123
Размер:	88.3 Кб
ID:	802608   Нажмите на изображение для увеличения
Название: 4-ok-20140918_122049.jpg
Просмотров: 120
Размер:	223.3 Кб
ID:	802609   Нажмите на изображение для увеличения
Название: 5-ok-20140918_122105.jpg
Просмотров: 195
Размер:	226.0 Кб
ID:	802610   Нажмите на изображение для увеличения
Название: 6-ok-20140918_122118.jpg
Просмотров: 109
Размер:	223.0 Кб
ID:	802611   Нажмите на изображение для увеличения
Название: 7-ok-20140918_122128.jpg
Просмотров: 95
Размер:	232.2 Кб
ID:	802612   Нажмите на изображение для увеличения
Название: 1-ok-20140917_122310.jpg
Просмотров: 92
Размер:	107.0 Кб
ID:	802613   Нажмите на изображение для увеличения
Название: 2-ok-20140917_122322.jpg
Просмотров: 121
Размер:	110.0 Кб
ID:	802614   Нажмите на изображение для увеличения
Название: 3-ok-20140917_122334.jpg
Просмотров: 110
Размер:	110.8 Кб
ID:	802615  
  #3  
Старый 10.08.2015, 20:58
leshei leshei вне форума  
Новичок
 
Регистрация: 10.08.2015
Адрес: Россия Москва
Сообщений: 1
Сказал(а) спасибо: 0
Поблагодарили 0 раз(а) в 0 сообщениях
Предложение ещё в силе? Есть полностью действующий механизм все детали оригинальные!!
 
Маркет


Быстрый переход

Похожие темы
Тема Автор Раздел Ответов Последнее сообщение
Настенные часы Янтарь. Как починать барабан? -=Roman=- Ремонт часов и обслуживание 73 31.12.2021 00:23
Проблема хода - настенные часы Янтарь alexdon30 Ремонт часов и обслуживание 14 30.06.2016 00:16
Запас хода и завод 388 -lexx- Panerai 12 07.10.2013 16:09


Часовой пояс UTC +3, время: 07:07.