Михаил Москвин. Что за механизм??? - Часовой форум Watch.ru
 
Вернуться назад   Часовой форум Watch.ru > Российские часы > Другие российские часы
Регистрация | Забыли пароль?

Другие российские часы

Ответ
 
Опции темы
  #1  
Старый 02.01.2015, 22:33
Аватар для mkvic
mkvic mkvic вне форума  
Форумчанин
 
Регистрация: 17.08.2013
Адрес: РФ МО г.о. Железнодорожный
Сообщений: 826
Сказал(а) спасибо: 273
Поблагодарили 874 раз(а) в 250 сообщениях
Михаил Москвин. Что за механизм???

Уважаемые Форумчане! Увидел вот такие часы...
Знатоки, подскажите, что за механизм? Не Sea-Gull случайно китайский?
Нажмите на изображение для увеличения
Название: Москвин 2.jpg
Просмотров: 254
Размер:	256.8 Кб
ID:	885591 Нажмите на изображение для увеличения
Название: москвин 1.jpg
Просмотров: 373
Размер:	290.1 Кб
ID:	885592
__________________
Луч 2209; Casio G-Shock GD-350; Восток-командирские.
Ответить с цитированием
  #2  
Старый 02.01.2015, 23:40
Аватар для Misrob
Misrob Misrob вне форума  
Форумчанин
 
Регистрация: 05.12.2012
Адрес: Россия, Москва
Сообщений: 4,115
Сказал(а) спасибо: 4,656
Поблагодарили 9,246 раз(а) в 2,197 сообщениях
именно сигул.
Москвин не раз на форуме обсуждался, поиском пользуйтесь.
Ответить с цитированием
  #3  
Старый 03.01.2015, 00:20
Аватар для Lucian
Lucian Lucian вне форума  
Moderator
 
Регистрация: 22.10.2010
Адрес: ☯
Сообщений: 6,205
Сказал(а) спасибо: 1,053
Поблагодарили 8,460 раз(а) в 3,726 сообщениях
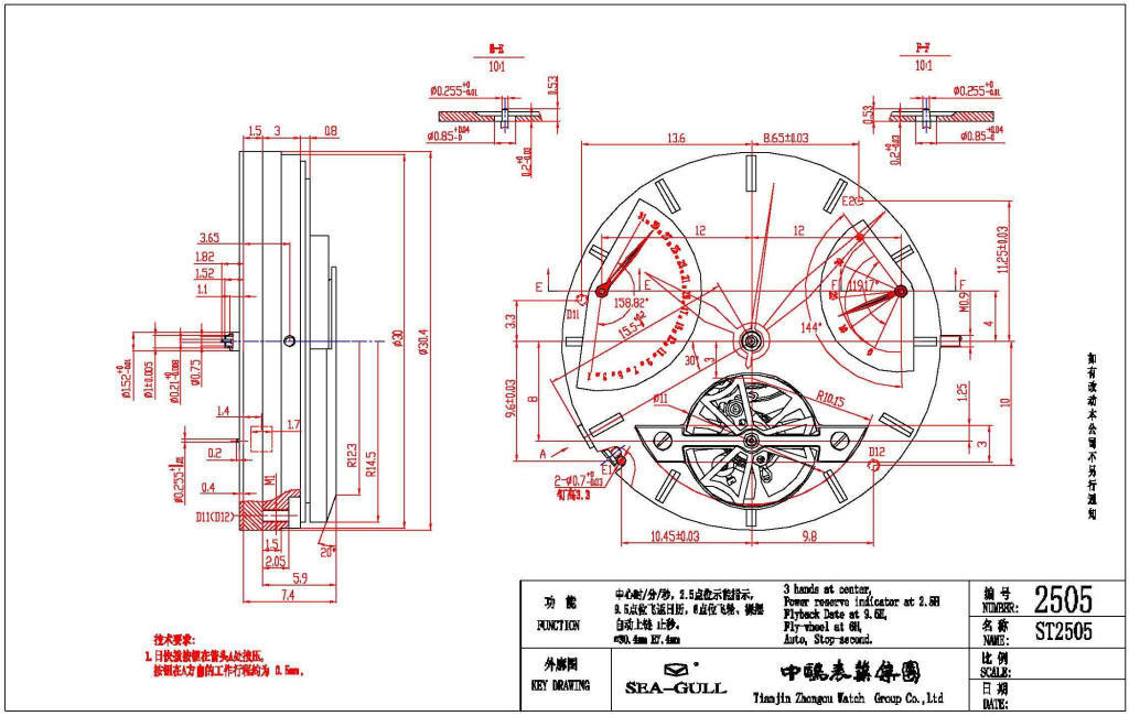
Дык, мало того, что механизм Sea-Gull ST2505, так еще и сами часы изрядно смахивают на типовой китайским OEM/ODM.
Миниатюры
Нажмите на изображение для увеличения
Название: ST2505.jpg
Просмотров: 246
Размер:	101.4 Кб
ID:	885644  
Ответить с цитированием
Эти 2 пользователей сказали Спасибо! Lucian за это сообщение:
mkvic (03.01.2015), walther79 (04.01.2015)
  #4  
Старый 03.01.2015, 09:30
Аватар для Misrob
Misrob Misrob вне форума  
Форумчанин
 
Регистрация: 05.12.2012
Адрес: Россия, Москва
Сообщений: 4,115
Сказал(а) спасибо: 4,656
Поблагодарили 9,246 раз(а) в 2,197 сообщениях
Цитата:
Сообщение от mkvic Посмотреть сообщение
... Не Sea-Gull случайно китайский?
И на цифере красуется гордое "Сделано в России". Здесь из российского, скорее всего, только сборка.
Ответить с цитированием
Этот пользователь сказал Спасибо! Misrob за это сообщение:
mkvic (03.01.2015)
Ответ


Быстрый переход

Похожие темы
Тема Автор Раздел Ответов Последнее сообщение
Михаил Москвин Механик Другие российские часы 125 23.11.2023 15:53
проконсультируйте по Михаил Москвин MAJIEK Другие российские часы 6 24.10.2014 01:55
Михаил Москвин. Что за часы и механизм. terry82 Что за часы? Сколько стоят эти часы? 6 31.01.2014 16:34
Михаил Москвин jaja Советы по выбору часов 16 14.11.2012 13:19
Михаил Москвин: Насколько надёжен тип противоударного устройства баланса Dzmitry Ремонт часов и обслуживание 1 03.12.2007 00:37


Часовой пояс UTC +3, время: 23:34.