Часовой форум Watch.ru (http://forum.watch.ru/index.php)
-   Электроника (http://forum.watch.ru/forumdisplay.php?f=28)
-   -   Как я собрал самопальные часы (http://forum.watch.ru/showthread.php?t=189436)

Surok 02.11.2013 12:03

Цитата:

Сообщение от siealex (Сообщение 2154392)
Чистая 155 серия?

Конечно нет, зачем? Attiny2313+155ИД1, экономично и компактно. Проектирование на 155й серии разве что академический интерес может представлять))

Цитата:

Сообщение от MrBerelex (Сообщение 2154346)
Какой срок службы ламп ИН-12 ?

В интернете разные оценки встречаются... На старых приборах ни разу севших не видел, так что, наверное, большой.

siealex 02.11.2013 15:49

Красота... надо будет и мне такое сделать...

piroman99 02.11.2013 17:57

ЦНХ вкрутил?

Shai Alyt NEMO 04.11.2013 16:21

Цитата:

Сообщение от Surok (Сообщение 2154240)
Я тут тоже как раз закончил изготовление часиков. Но хочется же делать что-то такое, что не делает промышленность - поэтому я выбрал неоновые лампы и корпус из натурального дерева, что в итоге получилось:
http://invariant.16mb.com/chasy/index.php?page=neon1
За исключением пары ошибок в трассировке плат и некоторой кривизны сделанного на коленке корпуса, всё получилось, как и задумывалось :)

Wow!!! Nixie Clock!
Поздравляю!
Я пока ещё зрею на такую конструкцию.
Но делать планирую именно в таком духе, на ИН-12х.

По причине робости перед контроллерами и SMD пока планирую строить на 176-й серии. Но если уважаемый коллега Сурок поделится достаточно легкоповторяемой (для тех, кто не дружит с SMD, опять же) схемой и прошивкой (и HOWTO, как прошить, не имея программатора), возможно, изменю свои планы. Правда, хотелось бы всё-же шестиразрядные, с секундами.
Наличие ЦНХ и возможности установки УМС с "нашими" мелодиями - IMHO, просто "маст хэв"!

Причины выбора (мною) именно ИН-12.
1. Они пока ещё достаточно доступны и за них не ломят диких цен.
2. Они в колодках, => легко заменяемы.
3. Самые распространённые варианты с торчащими вверх голыми ИН-14 и т.п. - кажутся слишком уж панково-нарочитыми. Ну не делали так никогда...

Вот здесь - читать-не пречитать по теме.

На всякий случай - квинтэссенция читанного (в моем восприятии):

1. Дисплеи на ИНках могут быть статическими и динамическими (с мультиплексированием, как у ИВЛ).
Динамика (сейчас как правило делают так)
+ Однин (дефицитный) дешифратор (155ИД1) на все часы (4 разряда) ну, или два (6 разрядов с секундами)
+ Намного проще схемотехнически, легче для реализации на МК
- Заметно ниже субъективно воспринимаемая яркость индикации (на мой глаз - в динамике ИНки какими-то "розовыми" выглядят а не оранжевыми)
- Могут быть нюансы с настройкой временных параметров мультиплексирования

Статика (так как правило делали "тогда" и на такой режим ИНки и расчитаны штатно)
- По одной ИД1 на каждую лампу
- Громоздкая схемотехника (каждая лампа - отдельный регистр)
+ Дубовость. Т.е. - никаких танцев с бубном вокруг мультиплексирования, паразитных засветок и т.п.
+ Бескомпромиссная "настоящая неоновая" яркость.

2. По долговечности.
ИНки намного долговечнее, скажем, "зелёных глаз", но...
- Часов на ИНках "тогда" практически не делали. А во всевозможных приборах они как правило не круглосуточно светились.
- У ИНок есть эффект "катодного отравления". Т.е. если какие-то катоды (цифры) используются чаще, а какие-то реже, то со временем редкоиспользуемые катоды начинают светить всё хуже (осаждение гадости, испаряющейся с работающих катодов на соседних, не работающих).
- Поэтому в большинстве конструкций на контроллерах в прошивку включают "автотренировку" ламп в виде некой "анимации". Например, раз в какое-то время все разряды быстро пробегают все цифры или каждая смена показаний в каждом разряде делается "пробеганием" всех цифр.

Отсюда у меня возникает непреодолимое желание иметь в часах лампы в колодках и в шкафу - достаточный запас запасных ламп. :o

3. По точности.
Есть мнение (не моё, я тут добавить ничего не могу), что при софтверной реализации часов на обычном МК в принципе нельзя добиться настоящей часовой точности хода. И прежде, чем будет смысл строить ЦНХ, надо вводить в схему специализированный (дорогостоящий?) чип RTC.

Вот такие мысли вслух...

siealex 04.11.2013 16:24

Цитата:

Есть мнение (не моё, я тут добавить ничего не могу), что при софтверной реализации часов на обычном МК в принципе нельзя добиться настоящей часовой точности хода.
Мне удавалось добиться 2..3" в месяц. Дальше уже надо термостатировать кварц.

necit48 04.11.2013 16:28

Кстати я к своим часикам приделал умс-ку и функцию ежечасного сигнала. :) Пищат теперь. Мелодию можно выбрать.

siealex 04.11.2013 16:49

Цитата:

И прежде, чем будет смысл строить ЦНХ, надо вводить в схему специализированный (дорогостоящий?) чип RTC.
Как раз с чипом RTC построить ЦНХ практически нереально - большинство таких чипов позволяют выставлять только часы и минуты. Проще всего сделать это на любой ATmega с асинхронным таймером - в большинстве таких контроллеров этот таймер специально приспособлен под часовой кварц.

piroman99 04.11.2013 17:57

По слухам, есть и rtc cЦНХ. M41T11 например. Термостатированные кварцевые генераторы тоже можно найти

Shai Alyt NEMO 04.11.2013 17:58

Цитата:

Сообщение от siealex (Сообщение 2158005)
Как раз с чипом RTC построить ЦНХ практически нереально - большинство таких чипов позволяют выставлять только часы и минуты. Проще всего сделать это на любой ATmega с асинхронным таймером - в большинстве таких контроллеров этот таймер специально приспособлен под часовой кварц.

Тогда - вопрос ребром:
При условии монтажа "как получится" на дырчатой макетке - т.е. - никакой оптимизации топологии платы, при тех же кварце и его обвеске что будет точнее:

1. Схема на МК (каком)?

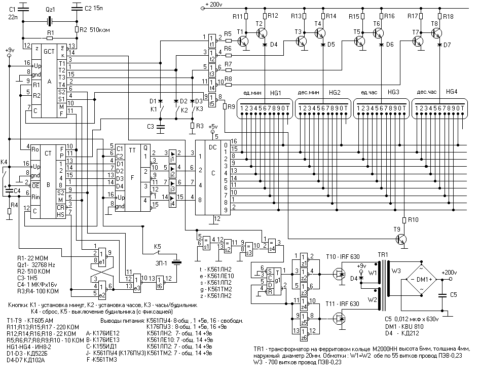
2. Схема на 176ИЕ12/ИЕ13 (Схема "Rokl" на радиокоте)?
http://radiokot.ru/forum/download/file.php?id=1393

Surok 04.11.2013 21:02

Цитата:

Сообщение от Shai Alyt NEMO (Сообщение 2157962)
2. Они в колодках, => легко заменяемы.

а вы знаете, где купить эти колодки? я - нет :) Запас ламп есть, где купить - тоже знаю, а вот где панельки взять - не знаю.


Часовой пояс UTC +3, время: 19:38.

© 1998–2024 Watch.ru